GENRAL INTRODUCTION
Since their introduction in 1980, KAZAF DOUBLE FERRULE TUBE FITTINGS have attained an unmatched reputation as precision components that eliminate costly, hazardous leaks in instrumentation and process tubing.
DESIGN
KAZAF Fittings are designed for use in installations where secure leak-proof joints are mandatory for process, power and instrumentation applications. Our fittings are tested in accordance to BS 4368 Part IV which meets the industries requirements to high pressure vacuum, impulse and vibrational joints. All fittings parts: Body, Nut, Front and Back Ferrules are produced rationally using ultra modern facilities with precise machining tolerance so as to withstand high pressure exceed in the burst pressure of the tube.
FEATURES
Our twin ferrule fittings is well designed for easy installations. With its low torque characteristics, our fittings ensures that no stress is transferred to the tube during assembly and all action move axially on to the tube. In order to prevent galling of threads, all nuts are silver plated.
KAZAF FITTINGS are available in a broad range of sizes, materials and configurations
MATERIAL
The materials used for manufacturing are meant for each special application. The available standard materials includes 316 or 316L Stainless Steel Monel, Brass and other materials to customers application. Straight Fittings / Couplings are machined from bar stock and shaped bodies are machined from forgings meeting ASTM specification. For supplies with Material Test Certificates (MTCs) order should be placed separately and specify in the purchase order for MTCs.
QUALITY ASSURANCE
Takes the first place within our organization, our approved and authorized laboratories and experts permanently check the materials carefully.
The entire raw material is ordered according to order regulations. Thus it is guaranteed that all necessary tests have been executed which is confirmed in test certificates and documented to produce a full case history for future reference.
By marking of the raw materials and finished products the identity of materials is guaranteed. Above all, our own quality assurance manual is found on the basis of ISO 9002.
TECHNICAL SPECIFICATIONS TO WHICH FITTINGS PERFORM
There are no standards available for Double Ferrule Compression fittings. The working pressure are restricted by the maximum working pressure of the tubes to be used with the fitting design is such that the tubes will burst before the breakage of the joint. Accordingly, the working pressure outlined in the section entitled “Allowable Pressure Ratings for Tubing” will prevail as the working pressure for these fittings.
The maximum working pressure of these fittings is also restricted by the pressure ratings for the pipe end connections adopted (see section entitled “Pressure Ratings for Pipe Ends”). The lower of the two will be the maximum working pressure for the fittings.
There are no standard specifications available for type test requirement of Double Ferrule Compression Fittings. The attempt has been made by British Standards Institute to formulate a Standard BS 4368: Part IV 1984. A similar Standard has been formulated by the Indian Standards Institute vide IS 10103 : 1982. Both these Standards refer to Single Ferrule Fittings. They can however be adopted for Double Ferrule Fittings as well. The Standards cover the basic type test requirements for fittings assembled in a standard test assembly as outlined in the above Standards. The tests specified by these Standards are as follows:
1. Proof Pressure Test
Test assemblies to be subjected to a pressure of 1.5 times the maximum working pressure of the fittings applied at the rate of 200 kg/cm2 per minute and maintained at final pressure for five minutes with out leak.
2. Dismantling and Reassembly Test
Test assemblies successfully completing the Proof Pressure Test as per 1 above are dis-assembled and assembled ten times after which they must pass the Proof Pressure Test.
3. Minimum Hydraulic Burst Pressure
Apply hydraulic pressure to the test assembly up to a maximum of four times the working pressure at the rate not exceeding 200 kg/cm2 per minute and maintain for five minutes without leak.
4. Minimum Static Vacuum Test
Test assemblies satisfactorily proof pressure tested are subjected to negative pressure up to 700m Bar and then isolated from the vacuum pump. The assembly must maintain the vacuum pressure for fifteen minutes. The assemblies are suitably degreased before the test and total exhausted volume should not exceed 20% of the total assembly volume.
5. Hydraulic Impulse Vibration Test
Test assemblies satisfactorily proof pressure tested are subjected to negative pressure up to 700m Bar and then isolated from the vacuum pump. The assembly must maintain the vacuum pressure for fifteen minutes. The assemblies are suitably degreased before the test and total exhausted volume should not exceed 20% of the total assembly volume.
TEST SPECIFICATIONS
The above tests have been specified in the Standards BS 4368. Some organisations working with high temperatures have also specified a temperature cycling test which requires test assemblies to be subjected to suitable temperature cycles and then subjected to the Proof Pressure Test without leakage.
Proper selection, handling, and installation of tubing when combined with proper selection of the KAZAF DOUBLE FERRULE TUBE FITTINGS for the job at hand, are essential to reliable tubing systems.
Although, KAZAF is not a tubing manufacturer or supplier, we feel it is our duty to try to impress on our customers the vital importance of careful selection of high quality tubing in order to install safe, leak-free systems.
Selections should be based on tubing material, hardness, wall thickness and surface finish. Though ASTM specifications covers the first three variables, they are often not very detailed on surface finish.
For example, ASTM A 269, one of the most widely used specifications describes 14.1 Finish tubes as follows:
14.1 Finished tubes shall be reasonably straight and have smooth ends free from burrs. They shall be free from injurious defects and shall have a workmanlike finish. Minor defects may be removed by grinding, provided the wall thickness is not decreased to less than that permitted in Section 13.
We hope the following data, alongwith our suggested ordering instructions under Allowable Pressure Ratings for copper, carbon steel and stainless steel will facilitate your selection. These requirements are specified under Section 3.1.9 of ASTM A 269 or Section 3.1.11 of ASTM A 213.
Tubing must always be softer than the fittings material. Most misunderstanding about tubing hardness are in the area of stainless steel tubing. KAZAF DOUBLE FERRULE TUBE FITTINGS made from stainless steel have been repeatedly tested successfully with tubing hardness upto RB90, the maximum hardness allowable under ASTM A 213 and A 260. Although such tubing hardness is permissible and KAZAF DOUBLE FERRULE TUBE FITTINGS will perform satisfactorily on such tubing, we suggest that, whenever possible, you specify RB 80 maximum when ordering tubing. Best results are obtained with tubing hardness in the range RB 70-74. Such tubing lowers installed cost because it is more easily bent and installed. Tubing installers should be particularly careful when installing harder tubing, to be sure that the full suggested 11/4” turns of pull-up are used. Because higher torques are required on harder tubing, there may be a tendency to stop before full pull-up is reached. The RB 80 hardness is a suggestion, not a restriction against the use of KAZAF DOUBLE FERRULE TUBE FITTINGS in stainless steel which may be used on stainless steel tubing having a hardness of RB 90. However, where tubing hardness exceeds RB 80, special fittings must be ordered for best results.
Tubing must always be softer than the fittings material. Most misunderstanding about tubing hardness are in the area of stainless steel tubing. KAZAF DOUBLE FERRULE TUBE FITTINGS made from stainless steel have been repeatedly tested successfully with tubing hardness upto RB90, the maximum hardness allowable under ASTM A 213 and A 260. Although such tubing hardness is permissible and KAZAF DOUBLE FERRULE TUBE FITTINGS will perform satisfactorily on such tubing, we suggest that, whenever possible, you specify RB 80 maximum when ordering tubing. Best results are obtained with tubing hardness in the range RB 70-74. Such tubing lowers installed cost because it is more easily bent and installed. Tubing installers should be particularly careful when installing harder tubing, to be sure that the full suggested 11/4” turns of pull-up are used. Because higher torques are required on harder tubing, there may be a tendency to stop before full pull-up is reached. The RB 80 hardness is a suggestion, not a restriction against the use of KAZAF DOUBLE FERRULE TUBE FITTINGS in stainless steel which may be used on stainless steel tubing having a hardness of RB 90. However, where tubing hardness exceeds RB 80, special fittings must be ordered for best results.
Scratches on tube O.D. are a potential source of problems in leak-tight tubing systems. Avoid dragging of tube on rough surface. Good handling practices can greatly reduce scratches and protect the good surface finish of well made tubes.
Soft annealed carbon steel hydraulic tubing ASTM A 179 or equivalent. Based on ultimate tensile strength 47,000 psi. For metal temperatures not to exceed - 20o to 100oF. Allowable working pressure loads calculated from S values as specified by ANSI B 31.1 code. Suggested ordering instruction : Fully soft annealed high quality seamless carbon steel hydraulic tubing ASTM A 179 or equivalent. Hardness RB 72 or less. Suitable for bending and flaring.
Annealed 304 or 316 stainless steel tubing ASTM, A 269 or A 213 or equivalent. Based on ultimate tensile strength 75,000 psi. For metal temperatures not to exceed - 20o to 100oF. Allowable working pressure loads calculated from S values as specified by ANSI B 31.3 code. Suggested ordering instructions : Fully annealed high quality type 304, 316, etc., seamless or welded and drawn stainless steel tubing confirming to ASTM A 269 or A 213, or equivalent. Hardness RB 80 or less. Preferred RB 70-74. Suitable for bending and flaring.
Copper tubes based on ultimate tensile strength 30,000 psi For metal temperatures not to exceed 20o to 100o F . Allowable working pressure loads calculated from S values as specified in ANSI B 31.3. code. Suggested ordering information: High quality soft annealed seamless copper tubing ASTM B75 or equivalent. Also annealed soft temperless copper water tube confirming to ASTM B88.
Fully annealed alloy 400 seamless tubing confirming to ASTM A165 or equivalent. Based on ultimate tensile strength 70,000 psi. For metal temperatures not to exceed 20o to 100o F. Allowable working pressure loads is calculated from S values as specified in ANSI B31.3 code. Suggested ordering information: Fully annealed seamless alloy 400 tubing confirming to ASTM B165 or equivalent with hardness RB 75 maximum. Suitable for bending and flaring.
KAZAF TUBE FITTINGS come to you completely assembled, finger-tight. They are ready for immediate use. Dis-assembly before use can result in dirt or foreign material getting into the fitting and causing leaks.
KAZAF TUBE FITTINGS are installed in three easy steps:
Insert the tubing into the KAZAF TUBE FITTINGS. Make sure that the tubing rests firmly on the shoulder of the fitting and that the nut is finger-tight.
Before tightening the KAZAF nut, scribe the nut at the 6.00 o’clock position.
Now while holding the fitting body steady with a backup wrench, tighten the nut one-and-one-quarter turns*. Watch the scribe mark, make one complete revolution and continue to the 9.00 o’clock position.
note: For 1/8”, 3/16”, 3mm, and 4mm size tube fittings, only ¾ turns from finger-tight is necessary.
Due to the variation of tubing diameters, a common starting point is desirable. Therefore, use a wrench to snug up the nut until the tubing will not turn (by hand) in the fitting. Now tighten the nut one-and-one-quarter turns and the fitting is ready to hold pressures well above the working pressure of the tubing.
Connections can be disconnected and re-tightened many, many times and the same reliable, leak-proof seal is obtained every time the reconnection is made.
When KAZAF TUBE FITTINGS are to be installed in cramped quarters or overhead where ladders must be used. It is sometimes found advantageous to use a pre-swaging tool on the tubing in an open ground area, thus pre-swaging the ferrules onto the tubing. The tubing is then removed from the pre-swaging tool and the tubing (with nut and pre-swaged ferrules) can now be attached to a fitting merely by following the re-tightening instructions.
1. Assemble KAZAF nut and ferrules to pre-swaging tool. Insert tubing until it bottoms in the fitting body and tighten nut one-and-one-quarter turns.
2. The nut is loosened and the tubing with pre-swaged ferrules is removed from the pre-swaging tool.
3. The connection can now be made by merely snugging up the nut as described in the re-tightening instructions.
KAZAF Hydraulic swaging units are now available in ½”, 5/8”, ¾” and 1” sizes.
For further information consult your local KAZAF Sales and Service representative.
KAZAF GAP INSPECTION GAUGES are designed to assure the installer or inspector that a fitting has been sufficiently pulled up. They are particularly applicable to systems where fittings are to be tightened in difficult or inaccessible locations or systems where insufficient pull-up could cause potentially dangerous or expensive consequences.
KAZAF GAP INSPECTION GAUGES are inserted between the nut and body of a tube fitting after pull-up. If the GAP INSPECTION GAUGE will fit in the gap between the nut and body hex, the fitting nut has not been tightened sufficiently.
ORDERING CODES : Inch Fittings

ORDERING CODES : Metric Fittings

INCH OD TUBES METRIC OD TUBES
T
TUBE OD |
KAZAF PART No. |
1/16 |
1 fb |
1/8 |
2 fb |
¼ |
4 fb |
5/16 |
5 fb |
3/8 |
6 fb |
½ |
8 fb |
5/8 |
10 fb |
¾ |
12 fb |
7/8 |
14 fb |
1 |
16 fb |
1 ¼ |
20 fb |
1 ½ |
24 fb |
|
|
|
|
|
|
|
|
|
T
TUBE OD |
KAZAF PART No. |
3 |
fb-3 |
6 |
fb-6 |
8 |
fb-8 |
10 |
fb-10 |
12 |
fb-12 |
14 |
fb-14 |
15 |
fb-15 |
16 |
fb-16 |
18 |
fb-18 |
20 |
fb-20 |
22 |
fb-22 |
25 |
fb-25 |
28 |
fb-28 |
30 |
fb-30 |
32 |
fb-32 |
38 |
fb-38 |
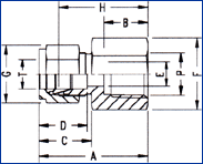
|
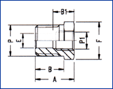
COUPLING CAP

INCH OD TUBES METRIC OD TUBES
T
TUBE
OD
|
L |
G
A/F |
KAZAF
PART No. |
1/16 |
17.8 |
8 |
1 Sn |
1/8 |
12.0 |
11 |
2 Sn |
1.4 |
12.7 |
14 |
4 Sn |
5/16 |
14.0 |
16 |
5 Sn |
3/8 |
14.5 |
17 |
6 Sn |
½ |
17.5 |
22 |
8 Sn |
5/8 |
17.5 |
25 |
10 Sn |
¾ |
17.5 |
28.5 |
12 Sn |
7/8 |
17.5 |
32 |
14 Sn |
1 |
20.6 |
38 |
16 Sn |
1.1/4 |
31.8 |
50 |
20 Sn |
1.1/2 |
38.0 |
60 |
24 Sn |
|
|
|
|
|
|
|
|
|
|
|
|
|
|
|
|
|
T
TUBE
OD |
L |
G
A/F |
KAZAF
PART No. |
3 |
12 |
11 |
Sn-3 |
6 |
12.7 |
14 |
Sn-6 |
8 |
13.5 |
16 |
Sn-8 |
10 |
15.1 |
19 |
Sn-10 |
12 |
17.5 |
22 |
Sn-12 |
14 |
17.5 |
25 |
Sn-14 |
15 |
17.5 |
25 |
Sn-15 |
16 |
17.5 |
25 |
Sn-16 |
18 |
17.5 |
30 |
Sn-18 |
20 |
17.5 |
32 |
Sn-20 |
22 |
17.5 |
32 |
Sn-22 |
25 |
20.6 |
38 |
Sn-25 |
28 |
30.6 |
46 |
Sn-28 |
30 |
32.7 |
50 |
Sn-30 |
32 |
31.8 |
50 |
Sn-32 |
38 |
38.1 |
60 |
Sn-38 |
|

INCH OD TUBES METRIC OD TUBES
T
TUBE
OD |
L |
G
A/F |
KAZAF
PART No. |
1/16 |
17.8 |
8 |
1 Sn |
1/8 |
12.0 |
11 |
2 Sn |
1.4 |
12.7 |
14 |
4 Sn |
5/16 |
14.0 |
16 |
5 Sn |
3/8 |
14.5 |
17 |
6 Sn |
½ |
17.5 |
22 |
8 Sn |
5/8 |
17.5 |
25 |
10 Sn |
¾ |
17.5 |
28.5 |
12 Sn |
7/8 |
17.5 |
32 |
14 Sn |
1 |
20.6 |
38 |
16 Sn |
1.1/4 |
31.8 |
50 |
20 Sn |
1.1/2 |
38.0 |
60 |
24 Sn |
|
|
|
|
|
|
|
|
|
|
|
|
|
|
|
|
|
T
TUBE
OD |
L |
G
A/F |
KAZAF
PART No. |
3 |
12 |
11 |
Sn-3 |
6 |
12.7 |
14 |
Sn-6 |
8 |
13.5 |
16 |
Sn-8 |
10 |
15.1 |
19 |
Sn-10 |
12 |
17.5 |
22 |
Sn-12 |
14 |
17.5 |
25 |
Sn-14 |
15 |
17.5 |
25 |
Sn-15 |
16 |
17.5 |
25 |
Sn-16 |
18 |
17.5 |
30 |
Sn-18 |
20 |
17.5 |
32 |
Sn-20 |
22 |
17.5 |
32 |
Sn-22 |
25 |
20.6 |
38 |
Sn-25 |
28 |
30.6 |
46 |
Sn-28 |
30 |
32.7 |
50 |
Sn-30 |
32 |
31.8 |
50 |
Sn-32 |
38 |
38.1 |
60 |
Sn-38 |
|
INCH OD tubes |
T
TUBE
OD |
KAZAF
PART No. |
1/16 |
1 ff |
1/8 |
2 ff |
¼ |
4 ff |
5/16 |
5 ff |
3/8 |
6 ff |
½ |
8 ff |
5/8 |
10 ff |
¾ |
12 ff |
7/8 |
14 ff |
1 |
16 ff |
1 ¼ |
20 ff |
1 ½ |
24 ff |
|
|
METRIC OD tubes |
T
TUBE
OD |
KAZAF
ART No. |
3 |
ff-3 |
6 |
ff-6 |
8 |
ff-8 |
10 |
ff-10 |
12 |
ff-12 |
14 |
ff-14 |
15 |
ff-15 |
16 |
ff-16 |
18 |
ff-18 |
20 |
ff-20 |
22 |
ff-22 |
25 |
ff-25 |
28 |
ff-28 |
30 |
ff-30 |
32 |
ff-32 |
38 |
ff-38 |
|
|

INCH OD TUBES METRIC OD TUBES
T
TUBE OD |
G A/F |
KAZAF PART No. |
1/16 |
8 |
1 SFC |
1/8 |
11 |
2 SFC |
¼ |
14 |
4 SFC |
5/16 |
16 |
5 SFC |
3/8 |
17 |
6 SFC |
½ |
22 |
8 SFC |
5/8 |
25 |
10 SFC |
¾ |
28.5 |
12 SFC |
7/8 |
32 |
14 SFC |
1 |
38 |
16 SFC |
1.1/4 |
50 |
20 SFC |
1.1/2 |
60 |
24 SFC |
|
T
TUBE OD |
G A/F |
KAZAF PART No. |
3 |
11 |
SFC-3 |
6 |
14 |
SFC-6 |
8 |
16 |
SFC-8 |
10 |
19 |
SFC-10 |
12 |
22 |
SFC-12 |
14 |
25 |
SFC-14 |
15 |
25 |
SFC-15 |
16 |
25 |
SFC-16 |
18 |
30 |
SFC-18 |
20 |
32 |
SFC-20 |
22 |
32 |
SFC-22 |
25 |
38 |
SFC-25 |
28 |
46 |
SFC-28 |
30 |
50 |
SFC-30 |
32 |
50 |
SFC-32 |
38 |
60 |
SFC-38 |
|
|
INCH OD TUBES METRIC OD TUBES
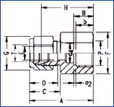
T
TUBE
OD |
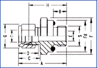
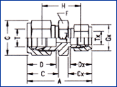
A |
C |
D |
F
A/F |
G
A/F |
H |
KAZAF
PART No. |
1/16 |
13.0 |
11.0 |
8.6 |
11 |
8 |
11.2 |
1 SPC |
1/8 |
20.0 |
15.3 |
12.7 |
11 |
11 |
13.5 |
2 SPC |
¼ |
23.4 |
17.8 |
15.3 |
14 |
14 |
16.0 |
4 SPC |
5/16 |
24.4 |
18.5 |
16.3 |
16 |
16 |
17.0 |
5 SPC |
3/8 |
25.7 |
19.3 |
16.8 |
17 |
17 |
18.3 |
6 SPC |
½ |
29.2 |
21.8 |
22.9 |
22 |
22 |
19.0 |
8 SPC |
5/8 |
30.0 |
21.8 |
24.4 |
24 |
25 |
19.8 |
10 SPC |
¾ |
31.5 |
21.8 |
24.4 |
27 |
28.5 |
21.4 |
12 SPC |
7/8 |
34.0 |
21.8 |
25.9 |
35 |
32 |
23.9 |
14 SPC |
1 |
38.4 |
26.4 |
31.2 |
35 |
38 |
26.2 |
16 SPC |
1.1/4 |
53.3 |
38.9 |
41.2 |
46 |
50 |
31.2 |
20 SPC |
1.1/2 |
64.5 |
45.2 |
50.0 |
55 |
57 |
37.4 |
24 SPC |
|
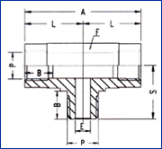
T
TUBE
OD |
A |
C |
D |
F
A/F |
G
A/F |
H |
KAZAF
PART No. |
3 |
20.1 |
15.3 |
12.9 |
11 |
11 |
13.5 |
SPC-3 |
6 |
23.1 |
17.7 |
15.3 |
14 |
14 |
15.7 |
SPC-6 |
8 |
24.5 |
18.6 |
16.2 |
16 |
16 |
17.0 |
SPC-8 |
10 |
26.6 |
19.5 |
17.2 |
17 |
19 |
19.0 |
SPC-10 |
12 |
29.1 |
22.0 |
22.8 |
22 |
22 |
19.0 |
SPC-12 |
14 |
29.9 |
22.0 |
24.4 |
24 |
25 |
19.8 |
SPC-14 |
15 |
29.9 |
22.0 |
24.4 |
24 |
25 |
19.8 |
SPC-15 |
16 |
29.9 |
22.0 |
24.4 |
24 |
25 |
19.8 |
SPC-16 |
18 |
31.4 |
22.0 |
24.4 |
27 |
30 |
21.3 |
SPC-18 |
20 |
34.0 |
22.0 |
26.0 |
32 |
32 |
23.9 |
SPC-20 |
22 |
34.0 |
22.0 |
26.0 |
32 |
32 |
23.9 |
SPC-22 |
25 |
38.5 |
26.5 |
31.3 |
35 |
38 |
26.2 |
SPC-25 |
28 |
48.5 |
36.6 |
36.6 |
41 |
46 |
27.7 |
SPC-28 |
30 |
53.4 |
39.2 |
39.6 |
46 |
50 |
31.8 |
SPC-30 |
32 |
55.8 |
41.6 |
42.0 |
46 |
50 |
32.8 |
SPC-32 |
38 |
65.4 |
47.9 |
49.4 |
55 |
60 |
37.8 |
SPC-38 |
|
|
 
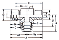
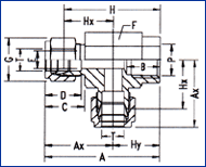
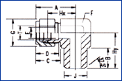
T
TUBE
OD |
P
NPT
MALE |
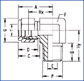
A |
B |
C |
D |
E |
F A/F |
G A/F |
H |
KAZAF PART No. |
1/16 |
1/16 |
23.9 |
9.6 |
11.0 |
8.6 |
1.3 |
8 |
8 |
20.0 |
1SCM-N |
1/16 |
1/8 |
26.2 |
9.6 |
11.0 |
8.6 |
1.3 |
14 |
8 |
22.4 |
1-2SCMN-N |
1/8 |
1/8 |
30.5 |
9.6 |
15.3 |
12.7 |
2.4 |
11 |
11 |
23.9 |
2SCM-N |
1/8 |
¼ |
35.6 |
14.3 |
15.3 |
12.7 |
2.4 |
14 |
11 |
29.0 |
2-4SCMN-N |
¼ |
1/8 |
32.8 |
9.6 |
17.8 |
15.3 |
4.8 |
14 |
14 |
25.4 |
4-2SCM-N |
¼ |
¼ |
37.8 |
14.3 |
17.8 |
15.3 |
4.8 |
14 |
14 |
30.1 |
4SCM-N |
¼ |
3/8 |
38.4 |
14.3 |
17.8 |
15.3 |
4.8 |
19 |
14 |
31.0 |
4-6SCM-N |
¼ |
½ |
44.7 |
19.1 |
17.8 |
15.3 |
4.8 |
22 |
14 |
37.4 |
4-8SCM-N |
5/16 |
¼ |
38.6 |
14.3 |
18.5 |
16.3 |
6.3 |
14 |
16 |
31.2 |
5-4SCM-N |
3/8 |
1/8 |
35.3 |
9.6 |
19.3 |
16.8 |
4.8 |
16 |
17 |
27.9 |
6-2SCM-N |
3/8 |
¼ |
39.8 |
14.3 |
19.3 |
16.8 |
7.1 |
16 |
17 |
32.5 |
6-4SCM-N |
3/8 |
3/8 |
39.8 |
14.3 |
19.3 |
16.8 |
7.1 |
19 |
17 |
32.5 |
6SCM-N |
3/8 |
½ |
41.2 |
19.1 |
19.3 |
16.8 |
7.1 |
22 |
17 |
38.9 |
6-8SCM-N |
½ |
¼ |
43.4 |
14.3 |
21.8 |
22.9 |
7.1 |
22 |
22 |
33.3 |
8-4SCM-N |
½ |
3/8 |
43.4 |
14.3 |
21.8 |
22.9 |
9.6 |
22 |
22 |
33.3 |
8-6SCM-N |
½ |
½ |
49.0 |
19.1 |
21.8 |
22.9 |
10.4 |
22 |
22 |
38.9 |
8SCM-N |
½ |
¾ |
50.5 |
19.1 |
21.8 |
22.9 |
10.4 |
27 |
22 |
40.4 |
8-12SCM-N |
½ |
1 |
57.1 |
23.8 |
21.8 |
22.9 |
10.4 |
35 |
22 |
47.0 |
8-16SCM-N |
5/8 |
3/8 |
44.2 |
14.3 |
21.8 |
24.4 |
9.6 |
24 |
25 |
34.0 |
10-6SCM-N |
5/8 |
½ |
49.0 |
19.1 |
21.8 |
24.4 |
10.4 |
24 |
25 |
38.9 |
10-8SCM-N |
¾ |
½ |
50.5 |
19.1 |
21.8 |
24.4 |
10.4 |
27 |
28.5 |
40.4 |
12-8SCM-N |
¾ |
¾ |
50.5 |
19.1 |
21.8 |
24.4 |
15.8 |
27 |
28.5 |
40.4 |
12SCM-N |
¾ |
1 |
57.1 |
23.8 |
21.8 |
24.4 |
15.8 |
35 |
28.5 |
47.0 |
12-16SCM-N |
7/8 |
¾ |
50.5 |
19.1 |
21.8 |
26.0 |
15.8 |
30 |
32 |
40.4 |
14-12SCM-N |
1 |
½ |
57.4 |
19.1 |
26.4 |
31.2 |
10.4 |
35 |
38 |
45.2 |
16-8SCM-N |
1 |
¾ |
57.4 |
19.1 |
26.4 |
31.2 |
15.8 |
35 |
38 |
45.2 |
16-12SCM-N |
1 |
1 |
62.2 |
23.8 |
26.4 |
31.2 |
22.3 |
35 |
38 |
50.0 |
16SCM-N |
1.1/4 |
1 |
77.2 |
23.8 |
38.9 |
41.2 |
22.3 |
46 |
50 |
55.2 |
20-16SCM-N |
1.1/4 |
1.1/4 |
77.2 |
23.8 |
38.9 |
41.2 |
27.6 |
46 |
50 |
55.2 |
20SCM-N |
1.1/2 |
1.1/2 |
88.9 |
26.2 |
45.2 |
50.0 |
34.0 |
55 |
60 |
61.7 |
24SCM-N |
|
T
TUBE
OD |
P
ISO
MALE |
A |
B |
C |
D |
E |
F A/F |
G A/F |
H |
KAZAF PART No. |
1/8 |
1/8 |
30.5 |
9.6 |
15.3 |
12.7 |
2.4 |
11 |
11 |
23.9 |
2SCM-Rx |
1/8 |
¼ |
35.6 |
14.3 |
15.3 |
12.7 |
2.4 |
14 |
11 |
29.0 |
2-4SCMN-Rx |
¼ |
1/8 |
32.8 |
9.6 |
17.8 |
15.3 |
4.8 |
14 |
14 |
25.4 |
4-2SCM-Rx |
¼ |
¼ |
37.8 |
14.3 |
17.8 |
15.3 |
4.8 |
14 |
14 |
30.1 |
4SCM-Rx |
¼ |
3/8 |
38.4 |
14.3 |
17.8 |
15.3 |
4.8 |
19 |
14 |
31.0 |
4-6SCM-Rx |
¼ |
½ |
44.7 |
19.1 |
17.8 |
15.3 |
4.8 |
22 |
14 |
37.4 |
4-8SCM-Rx |
3/8 |
1/8 |
35.3 |
9.6 |
19.3 |
16.8 |
4.8 |
16 |
17 |
27.9 |
6-2SCM-Rx |
3/8 |
¼ |
39.8 |
14.3 |
19.3 |
16.8 |
7.1 |
16 |
17 |
32.5 |
6-4SCM-Rx |
3/8 |
3/8 |
39.8 |
14.3 |
19.3 |
16.8 |
7.1 |
19 |
17 |
32.5 |
6SCM-Rx |
3/8 |
½ |
41.2 |
19.1 |
19.3 |
16.8 |
7.1 |
22 |
17 |
38.9 |
6-8SCM-Rx |
½ |
¼ |
43.4 |
14.3 |
21.8 |
22.9 |
7.1 |
22 |
22 |
33.3 |
8-4SCM-Rx |
½ |
3/8 |
43.4 |
14.3 |
21.8 |
22.9 |
9.6 |
22 |
22 |
33.3 |
8-6SCM-Rx |
½ |
½ |
49.0 |
19.1 |
21.8 |
22.9 |
10.4 |
22 |
22 |
38.9 |
8SCM-Rx |
¾ |
¾ |
50.5 |
19.1 |
21.8 |
24.4 |
15.8 |
27 |
28.5 |
40.4 |
12SCM-Rx |
1 |
1 |
62.2 |
23.8 |
26.4 |
31.2 |
22.3 |
35 |
38 |
50.0 |
16SCM-Rx |
1.1/4 |
1 |
77.2 |
23.8 |
38.9 |
41.2 |
22.3 |
46 |
50 |
55.2 |
20-16SCM-RX |
1.1/4 |
1.1/4 |
77.2 |
23.8 |
38.9 |
41.2 |
27.6 |
46 |
50 |
55.2 |
20SCM-RX |
1.1/2 |
1.1/2 |
88.9 |
26.2 |
45.2 |
50.0 |
34.0 |
55 |
60 |
61.7 |
24SCM-RX |
|
T
TUBE
OD |
P
ISO
MALE |
A |
B |
C |
D |
E |
F
A/F |
G
A/F |
H |
KAZAF
PART N0. |
3 |
1/8 |
30.5 |
9.6 |
15.3 |
12.9 |
2.4 |
11 |
11 |
23.9 |
SCM 3-2Rx |
3 |
¼ |
35.6 |
14.3 |
15.3 |
12.9 |
2.4 |
14 |
11 |
29.0 |
SCM 3-4Rx |
6 |
1/8 |
32.8 |
9.6 |
17.7 |
15.3 |
4.8 |
14 |
14 |
25.4 |
SCM 6-2Rx |
6 |
¼ |
37.9 |
14.3 |
17.7 |
15.3 |
4.8 |
14 |
14 |
30.5 |
SCM 6-4Rx |
6 |
3/8 |
38.4 |
14.3 |
17.7 |
15.3 |
4.8 |
19 |
14 |
31.0 |
SCM 6-Rx |
6 |
½ |
44.7 |
19.1 |
17.7 |
15.3 |
4.8 |
22 |
14 |
37.3 |
SCM 6-8Rx |
8 |
1/8 |
34.2 |
9.6 |
18.6 |
16.2 |
4.8 |
14 |
16 |
26.7 |
SCM 8-2Rx |
8 |
¼ |
38.7 |
14.3 |
18.6 |
16.2 |
6.3 |
14 |
16 |
31.2 |
SCM 8-4Rx |
8 |
3/8 |
39.3 |
14.3 |
18.6 |
16.2 |
6.3 |
19 |
16 |
31.8 |
SCM 8-6Rx |
8 |
½ |
45.6 |
19.1 |
18.6 |
16.2 |
6.3 |
22 |
16 |
38.1 |
SCM 8-Rx |
10 |
1/8 |
36.3 |
9.6 |
19.5 |
17.2 |
4.8 |
17 |
19 |
28.7 |
SCM 10-2Rx |
10 |
¼ |
40.9 |
14.3 |
19.5 |
17.2 |
7.9 |
19 |
19 |
33.3 |
SCM 10-4Rx |
10 |
3/8 |
40.9 |
14.3 |
19.5 |
17.2 |
7.9 |
19 |
19 |
33.3 |
SCM 10-6Rx |
10 |
½ |
46.5 |
19.1 |
19.5 |
17.2 |
7.9 |
22 |
19 |
38.9 |
SCM 10-8Rx |
12 |
¼ |
43.4 |
14.3 |
22.0 |
22.8 |
7.1 |
22 |
22 |
33.3 |
SCM 12-4Rx |
12 |
3/8 |
43.4 |
14.3 |
22.0 |
22.8 |
9.5 |
22 |
22 |
33.3 |
SCM 12-6Rx |
12 |
½ |
49.0 |
19.1 |
22.0 |
22.8 |
9.5 |
22 |
22 |
38.9 |
SCM 12-8Rx |
12 |
¾ |
50.5 |
19.1 |
22.0 |
22.8 |
9.5 |
27 |
22 |
40.4 |
SCM 12-Rx |
12 |
1 |
57.1 |
23.8 |
22.0 |
22.8 |
9.5 |
35 |
22 |
47.0 |
SCM 12-16Rx |
14 |
3/8 |
44.1 |
14.3 |
22.0 |
24.4 |
9.5 |
24 |
25 |
34.0 |
SCM 14-6Rx |
14 |
½ |
49.0 |
19.1 |
22.0 |
24.4 |
11.1 |
24 |
25 |
38.9 |
SCM 14-8Rx |
15 |
½ |
49.0 |
19.1 |
22.0 |
24.4 |
11.9 |
24 |
25 |
38.9 |
SCM 15 8Rx |
16 |
3/8 |
44.1 |
14.3 |
22.0 |
24.4 |
9.5 |
24 |
25 |
34.0 |
SCM 16-6Rx |
16 |
½ |
49.0 |
19.1 |
22.0 |
24.4 |
11.9 |
24 |
25 |
38.9 |
SCM 16-8Rx |
16 |
¾ |
50.5 |
19.1 |
22.0 |
24.4 |
12.7 |
27 |
25 |
40.4 |
SCM 16-12Rx |
18 |
½ |
50.5 |
19.1 |
22.0 |
24.4 |
11.9 |
27 |
30 |
40.4 |
SCM 18-8Rx |
18 |
¾ |
50.5 |
19.1 |
22.0 |
24.4 |
15.1 |
27 |
30 |
40.4 |
SCM 18-12Rx |
20 |
½ |
52.3 |
19.1 |
22.0 |
26.0 |
11.9 |
30 |
32 |
42.2 |
SCM 20-8Rx |
20 |
¾ |
52.3 |
19.1 |
22.0 |
26.0 |
15.9 |
30 |
32 |
42.2 |
SCM 20-12Rx |
22 |
¾ |
52.3 |
19.1 |
22.0 |
26.0 |
15.9 |
30 |
32 |
42.2 |
SCM 22-12Rx |
22 |
1 |
57.1 |
23.8 |
22.0 |
26.0 |
18.3 |
35 |
32 |
47.0 |
SCM 22 16Rx |
25 |
½ |
57.5 |
19.1 |
26.5 |
31.3 |
11.9 |
35 |
38 |
45.2 |
SCM 25- 8Rx |
25 |
¾ |
57.5 |
19.1 |
26.5 |
31.3 |
15.8 |
35 |
38 |
45.2 |
SCM 25-12Rx |
25 |
1 |
62.3 |
23.8 |
26.5 |
31.3 |
21.8 |
35 |
38 |
50.0 |
SCM 25-16Rx |
28 |
1 |
72.4 |
23.8 |
36.6 |
36.6 |
21.8 |
41 |
46 |
51.6 |
SCM 28-16Rx |
28 |
1.1/4 |
73.1 |
23.8 |
36.6 |
36.6 |
21.8 |
46 |
46 |
52.3 |
SCM 28-20Rx |
30 |
1.1/4 |
77.2 |
23.8 |
39.2 |
39.6 |
26.2 |
46 |
50 |
55.6 |
SCM30-20RX |
32 |
1.1/4 |
79.6 |
23.8 |
41.6 |
42.0 |
28.6 |
46 |
50 |
56.6 |
SCM32-20Rx |
38 |
1.1/2 |
96.6 |
26.2 |
47.9 |
49.4 |
33.7 |
55 |
60 |
64.0 |
SCM 38-24Rx |
|
 
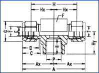
T
TUBE
OD |
P
NPT MALE |
A |
Ax |
B |
D |
E |
F A/F |
G A/F |
H |
Hx |
Panel
Hole
Drill
Size |
Max.
Panel Thick-
ness |
KAZAF PART No. |
1/8 |
1/8 |
46.4 |
31.2 |
9.6 |
12.7 |
2.4 |
14 |
11 |
39.8 |
24.6 |
8.3 |
12.7 |
2SCMB-N |
¼ |
1/8 |
49.5 |
33.5 |
9.6 |
15.3 |
4.8 |
16 |
14 |
42.2 |
26.2 |
11.5 |
10.2 |
4-2SCMB-N |
¼ |
¼ |
54.1 |
33.5 |
14.3 |
15.3 |
4.8 |
16 |
14 |
46.7 |
26.2 |
11.5 |
10.2 |
4SCMB-N |
3/8 |
¼ |
57.4 |
36.8 |
14.3 |
16.8 |
7.1 |
19 |
17 |
50.0 |
29.5 |
14.7 |
11.2 |
6-4SCMB-N |
3/8 |
3/8 |
57.4 |
36.8 |
14.3 |
16.8 |
7.1 |
19 |
17 |
50.0 |
29.5 |
14.7 |
11.2 |
6SCMB-N |
3/8 |
½ |
63.7 |
36.8 |
19.1 |
16.8 |
7.1 |
22 |
17 |
56.5 |
29.5 |
14.7 |
11.2 |
6-8SCMB-N |
½ |
3/8 |
63.3 |
41.9 |
14.3 |
22.9 |
9.6 |
24 |
22 |
53.0 |
31.8 |
19.5 |
12.7 |
8-6SCMB-N |
½ |
½ |
68.8 |
41.9 |
19.1 |
22.9 |
10.4 |
24 |
22 |
58.8 |
31.8 |
19.5 |
12.7 |
8SCMB-N |
¾ |
¾ |
76.2 |
47.5 |
19.1 |
24.4 |
15.8 |
30 |
28.5 |
66.9 |
37.4 |
25.8 |
16.8 |
12SCMB-N |
1 |
1 |
93.2 |
57.4 |
23.9 |
31.2 |
22.3 |
41 |
38 |
81.0 |
45.2 |
33.7 |
19.0 |
16SCMB-N |
1.1/4 |
1.1/4 |
110.5 |
72.5 |
23.9 |
41.2 |
27.6 |
50 |
50 |
87.5 |
49.5 |
42.5 |
19.0 |
20SCMB-N |
1.1/2 |
1.1/2 |
122.8 |
79.1 |
26.2 |
50.0 |
34.0 |
60 |
60 |
95.5 |
51.5 |
50.5 |
19.0 |
24SCMB-N |
METRIC OD TUBE X MALE NPT THREAD
T
TUBE
OD |
P
NPT MALE |
A |
Ax |
B |
D |
E |
F A/F |
G A/F |
H |
Hx |
Panel
Hole
Drill
Size |
Max.
Panel Thick-
ness |
KAZAF PART No. |
3 |
1/8 |
46.4 |
31.2 |
9.6 |
12.9 |
2.4 |
11 |
11 |
39.8 |
24.6 |
8.3 |
12.7 |
SCMB3-2N |
6 |
1/8 |
49.5 |
33.5 |
9.6 |
15.3 |
4.8 |
16 |
14 |
42.2 |
26.2 |
11.5 |
10.2 |
SCMB6-2N |
10 |
¼ |
57.4 |
36.8 |
14.3 |
17.2 |
7.1 |
19 |
17 |
50.0 |
29.5 |
14.7 |
11.2 |
SCMB10-4N |
10 |
3/8 |
57.4 |
36.8 |
14.3 |
17.2 |
7.1 |
19 |
17 |
50.0 |
29.5 |
14.7 |
11.2 |
SCMB10-4N |
12 |
3/8 |
63.3 |
41.9 |
14.3 |
22.0 |
9.6 |
24 |
22 |
53.0 |
31.8 |
19.5 |
12.7 |
SCMB12-6N |
12 |
½ |
68.8 |
41.9 |
19.1 |
22.0 |
10.4 |
24 |
22 |
58.8 |
31.8 |
19.5 |
12.7 |
SCMB12-8N |
16 |
½ |
69.6 |
42.6 |
19.1 |
24.4 |
11.9 |
27 |
25 |
59.5 |
32.5 |
22.8 |
12.7 |
SCMB16-8N |
22 |
¾ |
83.3 |
53.0 |
19.1 |
26.0 |
15.8 |
35 |
25 |
73.2 |
42.9 |
29.0 |
19.0 |
SCMB22-12N |
25 |
1 |
93.2 |
57.4 |
23.9 |
31.3 |
22.3 |
41 |
38 |
81.0 |
45.2 |
33.7 |
19.0 |
SCMB25-16N |
32 |
1.1/4 |
110.5 |
72.5 |
23.9 |
42.0 |
28.6 |
50 |
50 |
87.5 |
49.5 |
42.5 |
19.0 |
SCMB32-20N |
38 |
1.1/2 |
122.8 |
79.1 |
26.2 |
49.4 |
33.7 |
60 |
60 |
95.5 |
51.5 |
50.5 |
19.0 |
SCMB38-24N |
 
T
TUBE
OD |
P
ISO
MALE |
A |
B |
C |
D |
E |
F
A/F |
Fd |
G
A/F |
H |
KAZAF
PART No. |
1/8 |
1/8 |
30.0 |
7.1 |
15.3 |
12.7 |
2.4 |
14 |
13.7 |
11 |
23.4 |
2SCM-Rs |
1/8 |
¼ |
35.3 |
11.2 |
15.3 |
12.7 |
2.4 |
19 |
18.0 |
11 |
28.7 |
2-4SCMN-Rs |
¼ |
1/8 |
32.3 |
7.1 |
17.8 |
15.3 |
4.8 |
14 |
13.7 |
14 |
24.9 |
4-2SCM-Rs |
¼ |
¼ |
37.6 |
11.2 |
17.8 |
15.3 |
4.8 |
19 |
18.0 |
14 |
30.2 |
4SCM-Rs |
¼ |
3/8 |
38.9 |
11.2 |
17.8 |
15.3 |
4.8 |
22 |
21.8 |
14 |
31.5 |
4-6SCM-Rs |
¼ |
½ |
44.7 |
14.2 |
17.8 |
15.3 |
4.8 |
27 |
26.0 |
14 |
37.4 |
4-8SCM-Rs |
3/8 |
¼ |
39.2 |
11.2 |
19.3 |
16.8 |
5.8 |
19 |
18.0 |
17 |
31.8 |
6-4SCM-Rs |
3/8 |
3/8 |
40.4 |
11.2 |
19.3 |
16.8 |
7.1 |
22 |
21.8 |
17 |
33.0 |
6SCM-Rs |
3/8 |
½ |
46.3 |
14.2 |
19.3 |
16.8 |
7.1 |
27 |
26.0 |
17 |
38.9 |
6-8SCM-Rs |
½ |
¼ |
42.7 |
11.2 |
21.8 |
22.9 |
5.8 |
22 |
18.0 |
22 |
32.5 |
8-4SCM-Rs |
½ |
3/8 |
43.2 |
11.2 |
21.8 |
22.9 |
7.9 |
22 |
21.8 |
22 |
33.0 |
8-6SCM-Rs |
½ |
½ |
49.0 |
14.2 |
21.8 |
22.9 |
10.4 |
27 |
26.0 |
22 |
38.9 |
8SCM-Rs |
½ |
¾ |
52.8 |
15.7 |
21.8 |
22.9 |
10.4 |
35 |
32.0 |
22 |
42.7 |
8-12SCM-Rs |
¾ |
½ |
49.0 |
14.2 |
21.8 |
24.4 |
11.9 |
27 |
26.0 |
28.5 |
38.9 |
12-8SCM-Rs |
¾ |
¾ |
52.8 |
15.7 |
21.8 |
24.4 |
15.8 |
35 |
32.0 |
28.5 |
42.7 |
12SCM-Rs |
¾ |
1 |
55.4 |
18.3 |
21.8 |
24.4 |
15.8 |
41 |
39.0 |
28.5 |
45.6 |
12-16SCM-Rs |
1 |
½ |
55.9 |
14.2 |
26.4 |
31.2 |
11.9 |
35 |
26.0 |
38 |
43.7 |
16-8SCM-Rs |
1 |
¾ |
57.5 |
15.7 |
26.4 |
31.2 |
15.8 |
35 |
32.0 |
38 |
45.2 |
16-12SCM-Rs |
1 |
1 |
60.0 |
18.3 |
26.4 |
31.2 |
19.8 |
41 |
39.0 |
38 |
47.8 |
16SCM-Rs |
1.1/4 |
1.1/4 |
78.9 |
19.8 |
38.9 |
41.2 |
25.0 |
50 |
49.0 |
50 |
55.9 |
20SCM-Rs |
1.1/2 |
1.1/2 |
90.8 |
22.1 |
45.2 |
50.0 |
31.8 |
60 |
54.7 |
60 |
63.2 |
24SCM-Rs |
T
TUBE
OD |
P
ISO
MALE |
A |
B |
C |
D |
E |
F
A/F |
Fd |
G
A/F |
H |
KAZAF
PART No. |
3 |
1/8 |
30.0 |
7.1 |
15.3 |
12.9 |
2.4 |
14 |
13.8 |
11 |
23.4 |
SCM3-2Rs |
3 |
¼ |
35.3 |
11.2 |
15.3 |
12.9 |
2.4 |
19 |
18.0 |
11 |
28.7 |
SCM3-4Rs |
6 |
1/8 |
32.3 |
7.1 |
17.7 |
15.3 |
4.8 |
14 |
13.8 |
14 |
24.9 |
SCM6-2Rs |
6 |
¼ |
37.6 |
11.2 |
17.7 |
15.3 |
4.8 |
19 |
18.0 |
14 |
30.2 |
SCM6-4Rs |
6 |
3/8 |
38.9 |
11.2 |
17.7 |
15.3 |
4.8 |
22 |
21.8 |
14 |
31.5 |
SCM6-Rs |
6 |
½ |
44.7 |
14.2 |
17.7 |
15.3 |
4.8 |
27 |
26.0 |
14 |
37.3 |
SCM6-8Rs |
8 |
1/8 |
33.2 |
7.1 |
18.6 |
16.2 |
4.0 |
14 |
13.8 |
16 |
25.7 |
SCM8-2Rs |
8 |
¼ |
38.5 |
11.2 |
18.6 |
16.2 |
6.4 |
19 |
18.0 |
16 |
31.0 |
SCM8-4Rs |
8 |
3/8 |
39.8 |
11.2 |
18.6 |
16.2 |
6.4 |
22 |
21.8 |
16 |
32.3 |
SCM8-6Rs |
8 |
½ |
45.6 |
14.2 |
18.6 |
16.2 |
6.4 |
27 |
26.0 |
16 |
38.1 |
SCM8-Rs |
10 |
¼ |
39.4 |
11.2 |
19.5 |
17.2 |
5.9 |
19 |
18.0 |
19 |
31.8 |
SCM10-4Rs |
10 |
3/8 |
40.6 |
11.2 |
19.5 |
17.2 |
7.6 |
22 |
21.8 |
19 |
33.0 |
SCM10-6Rs |
10 |
½ |
46.5 |
14.2 |
19.5 |
17.2 |
7.9 |
27 |
26.0 |
19 |
38.9 |
SCM10-8Rs |
12 |
¼ |
42.6 |
11.2 |
22.0 |
22.8 |
5.9 |
22 |
18.0 |
22 |
32.5 |
SCM12-4Rs |
12 |
3/8 |
43.1 |
11.2 |
22.0 |
22.8 |
7.9 |
22 |
21.8 |
22 |
33.0 |
SCM12-6Rs |
12 |
½ |
49.0 |
14.2 |
22.0 |
22.8 |
9.5 |
27 |
26.0 |
22 |
38.9 |
SCM12-8Rs |
12 |
¾ |
52.8 |
15.7 |
22.0 |
22.8 |
9.5 |
35 |
32.0 |
22 |
42.7 |
SCM12-Rs |
16 |
3/8 |
43.9 |
11.2 |
22.0 |
24.4 |
7.9 |
24 |
21.8 |
25 |
33.8 |
SCM16-6Rs |
16 |
½ |
49.0 |
14.2 |
22.0 |
24.4 |
11.9 |
27 |
26.0 |
25 |
38.9 |
SCM16-8Rs |
20 |
½ |
50.5 |
14.2 |
22.0 |
26.0 |
11.9 |
30 |
26.0 |
28.5 |
40.4 |
SCM20-8Rs |
20 |
¾ |
52.3 |
15.7 |
22.0 |
26.0 |
15.9 |
35 |
32.0 |
28.5 |
42.7 |
SCM22-12Rs |
22 |
¾ |
52.3 |
15.7 |
22.0 |
26.0 |
15.9 |
35 |
32.0 |
32 |
42.7 |
SCM 20-16Rs |
22 |
1 |
55.3 |
18.3 |
22.0 |
26.0 |
18.3 |
41 |
39.0 |
32 |
45.2 |
SCM 25-12Rs |
25 |
¾ |
57.5 |
15.7 |
26.5 |
31.3 |
15.9 |
35 |
32.0 |
38 |
45.2 |
SCM 20-16Rs |
25 |
1 |
60.1 |
18.3 |
26.5 |
31.3 |
19.8 |
41 |
39.0 |
38 |
47.8 |
SCM 20-12Rs |
28 |
1 |
70.1 |
18.3 |
36.6 |
36.6 |
19.8 |
41 |
39.0 |
46 |
49.3 |
SCM 28-16Rs |
30 |
1.1/4 |
76.5 |
19.8 |
39.2 |
39.6 |
25.0 |
50 |
49.0 |
50 |
54.9 |
SCM 30-20Rs |
32 |
1.1/4 |
78.9 |
19.8 |
41.6 |
42.0 |
25.0 |
50 |
49.0 |
50 |
55.9 |
SCM 32-20Rs |
38 |
1.1/2 |
90.8 |
22.1 |
47.9 |
49.4 |
31.8 |
55 |
54.7 |
60 |
63.2 |
SCM 38-24Rs |
 
T
TUBE
OD |
P
ISO
MALE |
A |
B |
C |
D |
E |
F
A/F |
Fd |
G
A/F |
H |
KAZAF
PART No. |
1/8 |
1/8 |
30.0 |
7.1 |
15.3 |
12.7 |
2.4 |
14 |
13.7 |
11 |
23.4 |
2SCM-Rp |
1/8 |
¼ |
35.3 |
11.2 |
15.3 |
12.7 |
2.4 |
19 |
18.0 |
11 |
28.7 |
2-4SCMN-Rp |
¼ |
1/8 |
32.3 |
7.1 |
17.8 |
15.3 |
4.8 |
14 |
13.7 |
14 |
24.9 |
4-2SCM-Rp |
¼ |
¼ |
37.6 |
11.2 |
17.8 |
15.3 |
4.8 |
19 |
18.0 |
14 |
30.2 |
4SCM-Rp |
¼ |
3/8 |
38.9 |
11.2 |
17.8 |
15.3 |
4.8 |
22 |
21.8 |
14 |
31.5 |
4-6SCM-Rp |
¼ |
½ |
44.7 |
14.2 |
17.8 |
15.3 |
4.8 |
27 |
26.0 |
14 |
37.4 |
4-8SCM-Rp |
3/8 |
¼ |
39.2 |
11.2 |
19.3 |
16.8 |
5.8 |
19 |
18.0 |
17 |
31.8 |
6-4SCM-Rp |
3/8 |
3/8 |
40.4 |
11.2 |
19.3 |
16.8 |
7.1 |
22 |
21.8 |
17 |
33.0 |
6SCM-Rp |
3/8 |
½ |
46.3 |
14.2 |
19.3 |
16.8 |
7.1 |
27 |
26.0 |
17 |
38.9 |
6-8SCM-Rp |
½ |
¼ |
42.7 |
11.2 |
21.8 |
22.9 |
5.8 |
22 |
18.0 |
22 |
32.5 |
8-4SCM-Rp |
½ |
3/8 |
43.2 |
11.2 |
21.8 |
22.9 |
7.9 |
22 |
21.8 |
22 |
33.0 |
8-6SCM-Rp |
½ |
½ |
49.0 |
14.2 |
21.8 |
22.9 |
10.4 |
27 |
26.0 |
22 |
38.9 |
8SCM-Rp |
½ |
¾ |
52.8 |
15.7 |
21.8 |
22.9 |
10.4 |
35 |
32.0 |
22 |
42.7 |
8-12SCM-Rp |
¾ |
½ |
49.0 |
14.2 |
21.8 |
24.4 |
11.9 |
27 |
26.0 |
28.5 |
38.9 |
12-8SCM-Rp |
¾ |
¾ |
52.8 |
15.7 |
21.8 |
24.4 |
15.8 |
35 |
32.0 |
28.5 |
42.7 |
12SCM-Rp |
¾ |
1 |
55.4 |
18.3 |
21.8 |
24.4 |
15.8 |
41 |
39.0 |
28.5 |
45.6 |
12-16SCM-Rp |
1 |
½ |
55.9 |
14.2 |
26.4 |
31.2 |
11.9 |
35 |
26.0 |
38 |
43.7 |
16-8SCM-Rp |
1 |
¾ |
57.5 |
15.7 |
26.4 |
31.2 |
15.8 |
35 |
32.0 |
38 |
45.2 |
16-12SCM-Rp |
1 |
1 |
60.0 |
18.3 |
26.4 |
31.2 |
19.8 |
41 |
39.0 |
38 |
47.8 |
16SCM-Rp |
1.1/4 |
1.1/4 |
78.9 |
19.8 |
38.9 |
41.2 |
25.0 |
50 |
49.0 |
50 |
55.9 |
20SCM-Rp |
1.1/2 |
1.1/2 |
90.8 |
22.1 |
45.2 |
50.0 |
31.8 |
60 |
54.7 |
60 |
63.2 |
24SCM-Rp |
T
TUBE
OD |
P
MALE |
A |
B |
C |
D |
E |
F
A/F |
Fd |
G
A/F |
H |
KAZAF
PART No. |
3 |
1/8 |
30.0 |
7.1 |
15.3 |
12.9 |
2.4 |
14 |
13.8 |
11 |
23.4 |
SCM3-2Rp |
3 |
¼ |
35.3 |
11.2 |
15.3 |
12.9 |
2.4 |
19 |
18.0 |
11 |
28.7 |
SCM3-4Rp |
6 |
1/8 |
32.3 |
7.1 |
17.7 |
15.3 |
4.8 |
14 |
13.8 |
14 |
24.9 |
SCM6-2Rp |
6 |
¼ |
37.6 |
11.2 |
17.7 |
15.3 |
4.8 |
19 |
18.0 |
14 |
30.2 |
SCM6-4Rp |
6 |
3/8 |
38.9 |
11.2 |
17.7 |
15.3 |
4.8 |
22 |
21.8 |
14 |
31.5 |
SCM6-Rp |
6 |
½ |
44.7 |
14.2 |
17.7 |
15.3 |
4.8 |
27 |
26.0 |
14 |
37.3 |
SCM6-8Rp |
8 |
1/8 |
33.2 |
7.1 |
18.6 |
16.2 |
4.0 |
14 |
13.8 |
16 |
25.7 |
SCM8-2Rp |
8 |
¼ |
38.5 |
11.2 |
18.6 |
16.2 |
6.4 |
19 |
18.0 |
16 |
31.0 |
SCM8-4Rp |
8 |
3/8 |
39.8 |
11.2 |
18.6 |
16.2 |
6.4 |
22 |
21.8 |
16 |
32.3 |
SCM8-6Rp |
8 |
½ |
45.6 |
14.2 |
18.6 |
16.2 |
6.4 |
27 |
26.0 |
16 |
38.1 |
SCM8-Rp |
10 |
¼ |
39.4 |
11.2 |
19.5 |
17.2 |
5.9 |
19 |
18.0 |
19 |
31.8 |
SCM10-4Rp |
10 |
3/8 |
40.6 |
11.2 |
19.5 |
17.2 |
7.6 |
22 |
21.8 |
19 |
33.0 |
SCM10-6Rp |
10 |
½ |
46.5 |
14.2 |
19.5 |
17.2 |
7.9 |
27 |
26.0 |
19 |
38.9 |
SCM10-8Rp |
12 |
¼ |
42.6 |
11.2 |
22.0 |
22.8 |
5.9 |
22 |
18.0 |
22 |
32.5 |
SCM12-4Rp |
12 |
3/8 |
43.1 |
11.2 |
22.0 |
22.8 |
7.9 |
22 |
21.8 |
22 |
33.0 |
SCM12-6Rp |
12 |
½ |
49.0 |
14.2 |
22.0 |
22.8 |
9.5 |
27 |
26.0 |
22 |
38.9 |
SCM12-8Rp |
12 |
¾ |
52.8 |
15.7 |
22.0 |
22.8 |
9.5 |
35 |
32.0 |
22 |
42.7 |
SCM12Rp |
16 |
3/8 |
43.9 |
11.2 |
22.0 |
24.4 |
7.9 |
24 |
21.8 |
25 |
33.8 |
SCM16-6Rp |
16 |
½ |
49.0 |
14.2 |
22.0 |
24.4 |
11.9 |
27 |
26.0 |
25 |
38.9 |
SCM16-8Rp |
20 |
½ |
50.5 |
14.2 |
22.0 |
26.0 |
11.9 |
30 |
26.0 |
28.5 |
40.4 |
SCM20-8Rp |
20 |
¾ |
52.3 |
15.7 |
22.0 |
26.0 |
15.9 |
35 |
32.0 |
28.5 |
42.7 |
SCM20-12Rp |
22 |
¾ |
52.3 |
15.7 |
22.0 |
26.0 |
15.9 |
35 |
32.0 |
32 |
42.7 |
SCM22-12Rp |
22 |
1 |
55.3 |
18.3 |
22.0 |
26.0 |
18.3 |
41 |
39.0 |
32 |
45.2 |
SCM22-16Rp |
25 |
¾ |
57.5 |
15.7 |
26.5 |
31.3 |
15.9 |
35 |
32.0 |
38 |
45.2 |
SCM25-12Rp |
25 |
1 |
60.1 |
18.3 |
26.5 |
31.3 |
19.8 |
41 |
39.0 |
38 |
47.8 |
SCM28-16Rp |
28 |
1 |
70.1 |
18.3 |
36.6 |
36.6 |
19.8 |
41 |
39.0 |
46 |
49.3 |
SCM28-16Rp |
30 |
1.1/4 |
76.5 |
19.8 |
39.2 |
39.6 |
25.0 |
50 |
49.0 |
50 |
54.9 |
SCM30-20Rp |
32 |
1.1/4 |
78.9 |
19.8 |
41.6 |
42.0 |
25.0 |
50 |
49.0 |
50 |
55.9 |
SCM32-20Rp |
38 |
1.1/2 |
90.8 |
22.1 |
47.9 |
49.4 |
31.8 |
55 |
54.7 |
60 |
63.2 |
SCM38-24Rp |
|
 
T
TUBE OD |
S
Thread
MALE |
A |
B |
C |
D |
E |
F
A/F |
Fd |
G
A/F |
H |
ORING
PART No. |
KAZAF
PART N0. |
1/8 |
5/16- 24 |
32.8 |
8.6 |
15.3 |
12.7 |
2.4 |
14 |
13.8 |
11 |
26.2 |
2OPU |
2SCO-U |
¼ |
7/16- 20 |
38.4 |
10.4 |
17.8 |
15.3 |
4.8 |
19 |
18.8 |
14 |
31.0 |
4OPU |
4SCO-U |
5/16 |
½- 20 |
40.6 |
11.2 |
18.5 |
16.3 |
6.3 |
22 |
21.8 |
16 |
33.3 |
5OPU |
5SCO-U |
3/8 |
9/16- 18 |
42.4 |
12.0 |
19.3 |
16.8 |
7.1 |
24 |
23.6 |
17 |
35.0 |
6OPU |
6SCO-U |
½ |
¾- 16 |
46.0 |
12.0 |
21.8 |
22.9 |
10.4 |
28.5 |
28.0 |
22 |
35.8 |
8OPU |
8SCO-U |
¾ |
11/16- 12 |
52.4 |
14.3 |
21.8 |
24.4 |
15.8 |
38 |
37.8 |
28.5 |
42.2 |
12OPU |
12SCO-U |
1 |
15/16- 12 |
58.2 |
14.3 |
26.4 |
31.2 |
22.3 |
45 |
44.0 |
38 |
46.0 |
16OPU |
16SCO-U |
1.1/4 |
15/8- 12 |
76.2 |
18.3 |
38.9 |
41.4 |
27.6 |
55 |
54.0 |
50 |
54.1 |
20OPU |
20SCO-U |
1.1/2 |
17/8- 12 |
86.6 |
19.8 |
45.2 |
50.0 |
34.0 |
60 |
58.0 |
60 |
59.4 |
24OPU |
24SCO-U |
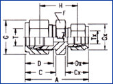
T
TUBE OD |
p
NPS
MALE |
A |
B |
C |
D |
E |
F
A/F |
Fd |
G
A/F |
H |
O RING
PART No. |
KAZAF
PART N0. |
1/8 |
1/8 |
32.8 |
7.2 |
15.3 |
12.7 |
2.4 |
19 |
18.8 |
11 |
26.2 |
2OPN |
2SCO-N |
¼ |
1/8 |
35.0 |
7.2 |
17.8 |
15.3 |
4.8 |
19 |
18.8 |
14 |
27.7 |
2OPN |
4-2SCO-N |
¼ |
¼ |
38.4 |
9.6 |
17.8 |
15.3 |
4.8 |
24 |
23.6 |
14 |
31.0 |
4OPN |
4SCO-N |
3/8 |
¼ |
39.9 |
9.6 |
19.3 |
16.8 |
7.1 |
24 |
23.6 |
17 |
32.5 |
4OPN |
6-4SCO-N |
3/8 |
3/8 |
41.4 |
10.4 |
19.3 |
16.8 |
7.1 |
30 |
29.8 |
17 |
43.0 |
6OPN |
6SCO-N |
3/8 |
½ |
47.0 |
13.5 |
19.3 |
16.8 |
7.1 |
32 |
31.8 |
17 |
39.6 |
8OPN |
6-8SCO-N |
½ |
3/8 |
43.8 |
10.4 |
21.8 |
22.9 |
9.6 |
30 |
29.8 |
22 |
33.6 |
8OPN |
8-6SCO-N |
½ |
½ |
49.8 |
13.5 |
21.8 |
22.9 |
10.4 |
32 |
31.8 |
22 |
39.6 |
8OPN |
8SCO-N |
5/8 |
½ |
49.5 |
13.5 |
21.8 |
24.4 |
11.9 |
32 |
31.8 |
22 |
39.4 |
4OPN |
10-8SCO-N |
¾ |
½ |
49.5 |
13.5 |
21.8 |
24.4 |
11.9 |
32 |
31.8 |
28.5 |
39.4 |
6OPN |
12-8SCO-N |
¾ |
¾ |
52.1 |
14.2 |
21.8 |
24.4 |
15.8 |
38 |
37.8 |
28.5 |
41.9 |
8OPN |
12SCO-N |
1 |
¾ |
56.7 |
14.2 |
26.4 |
31.2 |
15.8 |
38 |
37.8 |
38 |
44.5 |
8OPN |
16-12SCO-N |
1 |
1 |
60.7 |
16.8 |
26.4 |
31.2 |
22.3 |
45 |
44.0 |
38 |
48.5 |
8OPN |
16SCO-N |
1.1/4 |
1.1/4 |
76.2 |
18.3 |
38.9 |
41.4 |
27.6 |
55 |
54.0 |
50 |
54.1 |
8OPN |
20SCO-N |
1.1/2 |
1.1/2 |
88.6 |
19.8 |
45.2 |
50.0 |
34.0 |
60 |
58.0 |
60 |
59.4 |
8OPN |
24SCO-N |
 
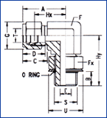
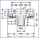
T
TUBE
OD |
P
NPT
MALE |
A |
B |
C |
D |
E |
F
A/F |
G
A/F |
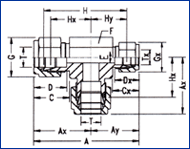
Hx |
Hy |
KAZAF
PART No. |
1/16 |
1/16 |
19.0 |
9.6 |
10.9 |
8.6 |
1.3 |
11 |
11 |
15.3 |
17.8 |
1 SEM-N |
1/16 |
1/8 |
19.0 |
9.6 |
10.9 |
8.6 |
1.3 |
11 |
11 |
15.3 |
17.8 |
1-2 SEM-N |
1/8 |
1/8 |
23.6 |
9.6 |
15.3 |
12.7 |
2.4 |
11 |
11 |
17.0 |
17.8 |
2 SEM-N |
1/8 |
¼ |
24.6 |
14.3 |
15.3 |
12.7 |
2.4 |
14 |
11 |
18.0 |
23.4 |
2-4 SEM-N |
¼ |
1/8 |
26.9 |
9.6 |
17.8 |
5.3 |
4.8 |
14 |
14 |
19.6 |
18.8 |
4-2 SEM-N |
¼ |
¼ |
26.9 |
14.3 |
17.8 |
15.3 |
4.8 |
14 |
14 |
19.6 |
23.4 |
4 SEM-N |
¼ |
3/8 |
29.7 |
14.3 |
17.8 |
15.3 |
4.8 |
17 |
14 |
22.4 |
26.2 |
4-6 SEM-N |
¼ |
½ |
31.8 |
19.1 |
17.8 |
15.3 |
4.8 |
22 |
14 |
24.4 |
33.0 |
4-8 SEM-N |
5/16 |
¼ |
28.7 |
9.6 |
18.5 |
16.3 |
6.3 |
14 |
16 |
21.3 |
24.4 |
5-4 SEM-N |
3/8 |
1/8 |
30.5 |
9.6 |
19.3 |
16.8 |
4.8 |
14 |
17 |
23.1 |
20.9 |
6-2 SEM-N |
3/8 |
¼ |
30.5 |
14.3 |
19.3 |
16.8 |
7.1 |
17 |
17 |
23.1 |
25.4 |
6-4 SEM-N |
3/8 |
3/8 |
31.2 |
14.3 |
19.3 |
16.8 |
7.1 |
17 |
17 |
23.9 |
26.2 |
6 SEM-N |
3/8 |
½ |
33.3 |
19.1 |
19.3 |
16.8 |
7.1 |
22 |
17 |
25.9 |
33.0 |
6-8 SEM-N |
½ |
¼ |
36.0 |
14.3 |
21.8 |
22.9 |
4.8 |
22 |
22 |
25.9 |
28.2 |
8-4 SEM-N |
½ |
3/8 |
36.0 |
14.3 |
21.8 |
22.9 |
9.6 |
22 |
22 |
25.9 |
28.2 |
8-6 SEM-N |
½ |
½ |
36.0 |
19.1 |
21.8 |
22.9 |
10.4 |
22 |
22 |
25.9 |
33.0 |
8 SEM-N |
½ |
¾ |
39.9 |
19.1 |
21.8 |
22.9 |
10.4 |
27 |
22 |
29.7 |
36.8 |
8-12 SEM-N |
5/8 |
½ |
38.1 |
19.1 |
21.8 |
24.4 |
11.9 |
24 |
25 |
27.9 |
35.0 |
10-8 SEM-N |
¾ |
½ |
39.9 |
19.1 |
21.8 |
24.4 |
11.9 |
27 |
28.5 |
29.7 |
36.8 |
12-8 SEM-N |
¾ |
¾ |
39.9 |
19.1 |
21.8 |
24.4 |
15.8 |
27 |
28.5 |
29.7 |
36.8 |
12 SEM-N |
7/8 |
¾ |
44.7 |
19.1 |
21.8 |
25.9 |
15.8 |
35 |
32 |
34.5 |
41.6 |
14-12 SEM-N |
1 |
¾ |
49.0 |
19.1 |
26.4 |
31.2 |
15.8 |
35 |
38 |
36.8 |
41.6 |
16-12 SEM-N |
1 |
1 |
49.0 |
23.8 |
26.4 |
31.2 |
22.3 |
35 |
38 |
36.8 |
46.5 |
16 SEM-N |
1.1/4 |
1.1/4 |
66.5 |
23.8 |
38.8 |
41.1 |
27.6 |
46 |
50 |
44.5 |
47.8 |
20 SEM-N |
1.1/2 |
1.1/2 |
78.0 |
26.2 |
45.2 |
50.0 |
34.0 |
55 |
60 |
50.8 |
60.4 |
24 SEM-N |
T
TUBE
OD |
P
ISO
MALE |
A |
B |
C |
D |
E |
F
A/F |
G
A/F |
Hx |
Hy |
KAZAF
PART No. |
1/8 |
1/8 |
23.6 |
9.6 |
15.3 |
12.7 |
2.4 |
11 |
11 |
17.0 |
17.8 |
2 SEM-Rx |
1/8 |
¼ |
24.6 |
14.3 |
15.3 |
12.7 |
2.4 |
14 |
11 |
18.0 |
23.4 |
2-4 SEM-Rx |
¼ |
1/8 |
26.9 |
9.6 |
17.8 |
5.3 |
4.8 |
14 |
14 |
19.6 |
18.8 |
4-2 SEM-Rx |
¼ |
¼ |
26.9 |
14.3 |
17.8 |
15.3 |
4.8 |
14 |
14 |
19.6 |
23.4 |
4 SEM-Rx |
¼ |
3/8 |
29.7 |
14.3 |
17.8 |
15.3 |
4.8 |
17 |
14 |
22.4 |
26.2 |
4-6 SEM-Rx |
¼ |
½ |
31.8 |
19.1 |
17.8 |
15.3 |
4.8 |
22 |
14 |
24.4 |
33.0 |
4-8 SEM-Rx |
3/8 |
1/8 |
30.5 |
9.6 |
19.3 |
16.8 |
4.8 |
14 |
17 |
23.1 |
20.9 |
6-2 SEM-Rx |
3/8 |
¼ |
30.5 |
14.3 |
19.3 |
16.8 |
7.1 |
17 |
17 |
23.1 |
25.4 |
6-4 SEM-Rx |
3/8 |
3/8 |
31.2 |
14.3 |
19.3 |
16.8 |
7.1 |
17 |
17 |
23.9 |
26.2 |
6 SEM-Rx |
3/8 |
½ |
33.3 |
19.1 |
19.3 |
16.8 |
7.1 |
22 |
17 |
25.9 |
33.0 |
6-8 SEM-Rx |
½ |
¼ |
36.0 |
14.3 |
21.8 |
22.9 |
4.8 |
22 |
22 |
25.9 |
28.2 |
8-4 SEM-Rx |
½ |
3/8 |
36.0 |
14.3 |
21.8 |
22.9 |
9.6 |
22 |
22 |
25.9 |
28.2 |
8-6 SEM-Rx |
½ |
½ |
36.0 |
19.1 |
21.8 |
22.9 |
10.4 |
22 |
22 |
25.9 |
33.0 |
8 SEM-Rx |
½ |
¾ |
39.9 |
19.1 |
21.8 |
22.9 |
10.4 |
27 |
22 |
29.7 |
36.8 |
8-12 SEM-Rx |
¾ |
½ |
39.9 |
19.1 |
21.8 |
24.4 |
11.9 |
27 |
28.5 |
29.7 |
36.8 |
12-8 SEM-Rx |
¾ |
¾ |
39.9 |
19.1 |
21.8 |
24.4 |
15.8 |
27 |
28.5 |
29.7 |
36.8 |
12 SEM-Rx |
1 |
¾ |
49.0 |
19.1 |
26.4 |
31.2 |
15.8 |
35 |
38 |
36.8 |
41.6 |
16-12 SEM-Rx |
1 |
1 |
49.0 |
23.8 |
26.4 |
31.2 |
22.3 |
35 |
38 |
36.8 |
46.5 |
16 SEM-Rx |
1.1/4 |
1.1/4 |
66.5 |
23.8 |
38.8 |
41.1 |
27.6 |
46 |
50 |
44.5 |
47.8 |
20 SEM-Rx |
1.1/2 |
1.1/2 |
78.0 |
26.2 |
45.2 |
50.0 |
34.0 |
55 |
60 |
50.8 |
60.4 |
24 SEM-Rx |
T
TUBE
OD |
P
NPT
MALE |
A |
B |
C |
D |
E |
F
A/F |
G
A/F |
Hx |
Hy |
KAZAF
PART No. |
3 |
1/8 |
23.6 |
9.6 |
15.3 |
12.9 |
2.4 |
11 |
11 |
17.0 |
17.8 |
SEM3-2N |
3 |
¼ |
24.6 |
14.3 |
15.3 |
12.9 |
2.4 |
14 |
11 |
18.0 |
23.4 |
SEM3-4N |
6 |
1/8 |
27.0 |
9.6 |
17.7 |
15.3 |
4.8 |
14 |
14 |
19.6 |
18.8 |
SEM6-2N |
6 |
¼ |
27.0 |
14.3 |
17.7 |
15.3 |
4.8 |
14 |
14 |
19.6 |
23.4 |
SCM6-4N |
6 |
3/8 |
29.8 |
14.3 |
17.7 |
15.3 |
4.8 |
17 |
14 |
22.4 |
26.2 |
SEM6-N |
6 |
½ |
31.8 |
19.1 |
17.7 |
15.3 |
4.8 |
22 |
14 |
24.4 |
33.0 |
SEM6-8N |
8 |
1/8 |
28.8 |
9.6 |
18.6 |
16.2 |
4.8 |
14 |
16 |
21.3 |
19.8 |
SEM8-2N |
8 |
¼ |
28.8 |
14.3 |
18.6 |
16.2 |
6.3 |
14 |
16 |
21.3 |
24.4 |
SEM8-4N |
8 |
3/8 |
30.6 |
14.3 |
18.6 |
16.2 |
6.3 |
17 |
16 |
23.1 |
26.2 |
SEM8-6N |
8 |
½ |
32.6 |
19.1 |
18.6 |
16.2 |
6.3 |
22 |
16 |
25.1 |
33.0 |
SEM8-N |
10 |
1/8 |
31.5 |
9.6 |
19.5 |
17.2 |
4.8 |
17 |
19 |
23.9 |
21.6 |
SEM10-2N |
10 |
¼ |
31.5 |
14.3 |
19.5 |
17.2 |
7.1 |
17 |
19 |
23.9 |
26.2 |
SEM10-4N |
10 |
3/8 |
31.5 |
14.3 |
19.5 |
17.2 |
7.9 |
17 |
19 |
23.9 |
26.2 |
SEM10-6N |
10 |
½ |
33.5 |
19.1 |
19.5 |
17.2 |
7.9 |
22 |
19 |
25.9 |
33.0 |
SEM10-8N |
12 |
¼ |
36.0 |
14.3 |
22.0 |
22.8 |
7.1 |
22 |
22 |
25.9 |
26.2 |
SEM12-4N |
12 |
3/8 |
36.0 |
14.3 |
22.0 |
22.8 |
9.5 |
22 |
22 |
25.9 |
28.2 |
SEM12-6N |
12 |
½ |
36.0 |
19.1 |
22.0 |
22.8 |
9.5 |
22 |
22 |
25.9 |
33.0 |
SEM12-8N |
12 |
¾ |
39.8 |
19.1 |
22.0 |
22.8 |
9.5 |
27 |
22 |
29.7 |
36.8 |
SEM12-N |
15 |
½ |
38.0 |
19.1 |
22.0 |
24.4 |
11.9 |
24 |
25 |
27.9 |
35.1 |
SEM15 8N |
16 |
½ |
38.0 |
19.1 |
22.0 |
24.4 |
11.9 |
24 |
25 |
27.9 |
35.1 |
SEM16-8N |
16 |
¾ |
39.8 |
19.1 |
22.0 |
24.4 |
12.7 |
27 |
25 |
29.7 |
36.8 |
SEM16-12N |
18 |
½ |
39.8 |
19.1 |
22.0 |
24.4 |
11.9 |
27 |
30 |
29.7 |
36.8 |
SEM18-8N |
18 |
¾ |
39.8 |
19.1 |
22.0 |
24.4 |
15.1 |
27 |
30 |
29.7 |
36.8 |
SEM18-12N |
20 |
½ |
44.6 |
19.1 |
22.0 |
26.0 |
11.9 |
35 |
32 |
34.5 |
41.7 |
SEM20-8N |
20 |
¾ |
44.6 |
19.1 |
22.0 |
26.0 |
15.9 |
35 |
32 |
34.5 |
41.7 |
SEM20-12N |
22 |
¾ |
44.6 |
19.1 |
22.0 |
26.0 |
15.9 |
35 |
32 |
34.5 |
41.7 |
SEM22-12N |
22 |
1 |
44.6 |
23.8 |
22.0 |
26.0 |
18.3 |
35 |
32 |
34.5 |
46.5 |
SEM22-16N |
25 |
¾ |
49.1 |
19.1 |
26.5 |
31.3 |
15.8 |
35 |
38 |
36.8 |
41.7 |
SEM25-12N |
25 |
1 |
49.1 |
23.8 |
26.5 |
31.3 |
21.8 |
35 |
38 |
36.8 |
46.5 |
SEM25-16N |
30 |
1.1/4 |
69.9 |
23.8 |
39.2 |
39.6 |
26.2 |
45 |
50 |
48.3 |
53.1 |
SEM30-20N |
32 |
1.1/4 |
72.3 |
23.8 |
41.6 |
42.0 |
27.6 |
45 |
50 |
49.3 |
53.1 |
SEM32-20N |
38 |
1.1/2 |
84.0 |
26.2 |
47.9 |
49.4 |
33.7 |
55 |
60 |
56.4 |
60.4 |
SEM38-24N |
T
TUBE
OD |
P
ISO
MALE |
A |
B |
C |
D |
E |
F
A/F |
G
A/F |
Hx |
Hy |
KAZAF
PART No. |
3 |
1/8 |
23.6 |
9.6 |
15.3 |
12.9 |
2.4 |
11 |
11 |
17.0 |
17.8 |
SEM3-2Rx |
3 |
¼ |
24.6 |
14.3 |
15.3 |
12.9 |
2.4 |
14 |
11 |
18.0 |
23.4 |
SEM3-4Rx |
6 |
1/8 |
27.0 |
9.6 |
17.7 |
15.3 |
4.8 |
14 |
14 |
19.6 |
18.8 |
SEM6-2Rx |
6 |
¼ |
27.0 |
14.3 |
17.7 |
15.3 |
4.8 |
14 |
14 |
19.6 |
23.4 |
SCM6-4Rx |
6 |
3/8 |
29.8 |
14.3 |
17.7 |
15.3 |
4.8 |
17 |
14 |
22.4 |
26.2 |
SEM6-Rx |
6 |
½ |
31.8 |
19.1 |
17.7 |
15.3 |
4.8 |
22 |
14 |
24.4 |
33.0 |
SEM6-8Rx |
8 |
¼ |
28.8 |
14.3 |
18.6 |
16.2 |
6.3 |
14 |
16 |
21.3 |
24.4 |
SEM8-4Rx |
8 |
3/8 |
30.6 |
14.3 |
18.6 |
16.2 |
6.3 |
17 |
16 |
23.1 |
26.2 |
SEM8-6Rx |
8 |
½ |
32.6 |
19.1 |
18.6 |
16.2 |
6.3 |
22 |
16 |
25.1 |
33.0 |
SEM8-Rx |
10 |
¼ |
31.5 |
14.3 |
19.5 |
17.2 |
7.1 |
17 |
19 |
23.9 |
26.2 |
SEM10-4Rx |
10 |
3/8 |
31.5 |
14.3 |
19.5 |
17.2 |
7.9 |
17 |
19 |
23.9 |
26.2 |
SEM10-6Rx |
10 |
½ |
33.5 |
19.1 |
19.5 |
17.2 |
7.9 |
22 |
19 |
25.9 |
33.0 |
SEM10-8Rx |
12 |
¼ |
36.0 |
14.3 |
22.0 |
22.8 |
7.1 |
22 |
22 |
25.9 |
26.2 |
SEM12-4Rx |
12 |
3/8 |
36.0 |
14.3 |
22.0 |
22.8 |
9.5 |
22 |
22 |
25.9 |
28.2 |
SEM12-6Rx |
12 |
½ |
36.0 |
19.1 |
22.0 |
22.8 |
9.5 |
22 |
22 |
25.9 |
33.0 |
SEM12-8Rx |
15 |
½ |
38.0 |
19.1 |
22.0 |
24.4 |
11.9 |
24 |
25 |
27.9 |
35.1 |
SEM15 8Rx |
16 |
½ |
38.0 |
19.1 |
22.0 |
24.4 |
11.9 |
24 |
25 |
27.9 |
35.1 |
SEM16-8Rx |
16 |
¾ |
39.8 |
19.1 |
22.0 |
24.4 |
12.7 |
27 |
25 |
29.7 |
36.8 |
SEM16-12Rx |
22 |
¾ |
44.6 |
19.1 |
22.0 |
26.0 |
15.9 |
35 |
32 |
34.5 |
41.7 |
SEM22-12Rx |
22 |
1 |
44.6 |
23.8 |
22.0 |
26.0 |
18.3 |
35 |
32 |
34.5 |
46.5 |
SEM22-16Rx |
25 |
¾ |
49.1 |
19.1 |
26.5 |
31.3 |
15.8 |
35 |
38 |
36.8 |
41.7 |
SEM25-12Rx |
25 |
1 |
49.1 |
23.8 |
26.5 |
31.3 |
21.8 |
35 |
38 |
36.8 |
46.5 |
SEM25-16Rx |
30 |
1.1/4 |
69.9 |
23.8 |
39.2 |
39.6 |
26.2 |
45 |
50 |
48.3 |
53.1 |
SEM30-20Rx |
32 |
1.1/4 |
72.3 |
23.8 |
41.6 |
42.0 |
27.6 |
45 |
50 |
49.3 |
53.1 |
SEM32-20Rx |
38 |
1.1/2 |
84.0 |
26.2 |
47.9 |
49.4 |
33.7 |
55 |
60 |
56.4 |
60.4 |
SEM38-24Rx |
45° MALE ELBOW

T
TUBE
OD |
P
NPT
MALE |
A |
B |
C |
D |
E |
F
A/F |
G
A/F |
Hx |
Hy |
KAZAF
PART N0. |
¼ |
1/8 |
24.6 |
9.6 |
17.8 |
15.3 |
4.8 |
14 |
14 |
17.3 |
16.5 |
4-2 SEM/45-N |
¼ |
¼ |
24.6 |
14.3 |
17.8 |
15.3 |
4.8 |
14 |
14 |
17.3 |
21.0 |
4 SEM/45-N |
3/8 |
1/8 |
27.9 |
9.6 |
19.3 |
16.8 |
4.8 |
14 |
17 |
20.6 |
18.3 |
6-2 SEM/45-N |
3/8 |
¼ |
27.9 |
14.3 |
19.3 |
16.8 |
7.1 |
17 |
17 |
20.6 |
22.9 |
6-4 SEM/45-N |
3/8 |
3/8 |
29.2 |
14.3 |
19.3 |
16.8 |
7.1 |
17 |
17 |
21.8 |
24.1 |
6 SEM/45-N |
½ |
3/8 |
32.0 |
14.3 |
21.8 |
22.9 |
9.6 |
22 |
22 |
21.8 |
24.1 |
8-6 SEM/45-N |
½ |
½ |
32.0 |
19.1 |
21.8 |
22.9 |
10.4 |
22 |
22 |
21.8 |
29.0 |
8 SEM/45-N |
¾ |
¾ |
34.0 |
19.1 |
21.8 |
24.4 |
15.8 |
27 |
28.5 |
23.9 |
31.8 |
12 SEM/45-N |
1 |
1 |
40.4 |
23.8 |
26.4 |
31.2 |
22.3 |
35 |
38 |
28.2 |
37.8 |
16 SEM/45-N |
|
45° MALE ELBOW

T TUBE OD |
S
SAE/MS
MALE |
A |
B |
C |
D |
E |
F A/F |
Fx A/F |
G A/F |
Hx |
Hy |
U |
O RING PART No. |
KAZAF
PART N0. |
¼ |
7/16-20 |
25.7 |
9.9 |
17.8 |
15.3 |
4.8 |
14 |
14 |
14 |
18.3 |
25.6 |
16.5 |
4OPU |
4SEM/45-U |
3/8 |
9/16- 18 |
27.9 |
11.2 |
19.3 |
16.8 |
7.1 |
16 |
17 |
17 |
20.6 |
28.2 |
20.0 |
6OPU |
6SEM/45-U |
½ |
¾- 16 |
32.0 |
12.7 |
21.8 |
24.4 |
10.4 |
22 |
22 |
22 |
21.8 |
32.3 |
25.7 |
8OPU |
8SEM/45-U |
¾ |
11/16- 12 |
39.9 |
16.8 |
21.8 |
24.4 |
15.8 |
27 |
32 |
28.5 |
29.7 |
47.3 |
36.6 |
12OPU |
12SEM/45-U |
1 |
15/16- 12 |
47.5 |
16.8 |
26.4 |
31.2 |
19.8 |
35 |
38 |
38 |
35.3 |
50.6 |
44.0 |
16OPU |
16SEM/45-U |
|
 
T TUBE OD |
P
ISO MALE |
A |
B |
C |
D |
E |
F A/F |
Fx A/F |
G A/F |
Hx |
Hy |
U |
O RING PART No. |
KAZAF
PART No. |
¼ |
1/8 |
27.0 |
8.2 |
17.8 |
15.3 |
4.0 |
14 |
14 |
14 |
19.6 |
26.4 |
17.3 |
2OPN |
4-2SEsw-R |
¼ |
¼ |
29.0 |
9.2 |
17.8 |
15.3 |
4.8 |
16 |
19 |
14 |
21.6 |
32.3 |
22.9 |
4OPN |
4SEsw-R |
3/8 |
¼ |
30.5 |
9.2 |
19.3 |
16.8 |
5.8 |
16 |
19 |
17 |
23.2 |
32.3 |
22.9 |
4OPN |
6-4SEsw-R |
3/8 |
3/8 |
33.3 |
9.4 |
19.3 |
16.8 |
7.1 |
22 |
22 |
17 |
25.9 |
37.0 |
26.4 |
6OPN |
6SEsw-R |
½ |
¼ |
36.0 |
9.2 |
21.8 |
22.9 |
5.8 |
22 |
19 |
22 |
25.9 |
35.0 |
22.9 |
4OPN |
8-4SEsw-R |
½ |
3/8 |
36.0 |
9.4 |
21.8 |
22.9 |
7.8 |
22 |
22 |
22 |
25.9 |
37.0 |
26.4 |
6OPN |
8-6SEsw-R |
½ |
½ |
38.1 |
13.0 |
21.8 |
24.4 |
10.4 |
24 |
27 |
22 |
27.9 |
43.4 |
32.0 |
8OPN |
8SEsw-R |
5/8 |
½ |
38.1 |
13.0 |
21.8 |
24.4 |
10.4 |
24 |
27 |
25 |
27.9 |
43.4 |
32.0 |
8OPN |
10-8SEsw-R |
¾ |
½ |
39.9 |
13.0 |
21.8 |
24.4 |
10.4 |
27 |
27 |
28.5 |
29.7 |
45.2 |
32.0 |
8OPN |
12-8SEsw-R |
¾ |
¾ |
39.9 |
13.0 |
21.8 |
24.4 |
15.8 |
27 |
35 |
28.5 |
29.7 |
48.8 |
41.2 |
12OPN |
12SEsw-R |
1 |
¾ |
49.0 |
13.0 |
26.4 |
31.2 |
15.8 |
35 |
35 |
38 |
36.8 |
53.3 |
41.2 |
12OPN |
16-12SEsw-R |
1 |
1 |
49.0 |
14.0 |
26.4 |
31.2 |
19.8 |
35 |
41 |
38 |
36.8 |
53.6 |
48.5 |
16OPN |
16SEsw-R |
T TUBE OD |
P
ISO MALE |
A |
B |
C |
D |
E |
F A/F |
Fx A/F |
G A/F |
Hx |
Hy |
U |
O RING PART No. |
KAZAF
PART No. |
6 |
1/8 |
27.0 |
8.1 |
17.7 |
15.3 |
4.0 |
14 |
14 |
14 |
19.6 |
26.4 |
17.3 |
2OPN |
SEsw6-2R |
6 |
¼ |
29.0 |
9.1 |
17.7 |
15.3 |
4.8 |
16 |
19 |
14 |
21.6 |
32.3 |
22.9 |
4OPN |
SEsw6-4R |
8 |
1/8 |
28.8 |
8.1 |
18.6 |
16.2 |
4.0 |
14 |
14 |
16 |
21.3 |
27.4 |
17.3 |
2OPN |
SEsw8-2R |
8 |
¼ |
29.9 |
9.1 |
18.6 |
16.2 |
5.9 |
16 |
19 |
16 |
22.4 |
32.2 |
22.9 |
4OPN |
SEsw8-4R |
10 |
¼ |
33.5 |
9.1 |
19.5 |
17.2 |
5.9 |
19 |
19 |
19 |
25.9 |
35.0 |
22.9 |
4OPN |
SEsw10-4R |
10 |
3/8 |
33.5 |
9.4 |
19.5 |
17.2 |
7.9 |
19 |
22 |
19 |
25.9 |
37.1 |
26.4 |
6OPN |
SEsw10-6R |
12 |
¼ |
36.0 |
9.1 |
22.0 |
22.8 |
5.9 |
22 |
22 |
22 |
25.9 |
35.0 |
22.9 |
4OPN |
SEsw12-4R |
12 |
3/8 |
36.0 |
9.4 |
22.0 |
22.8 |
7.9 |
22 |
22 |
22 |
25.9 |
37.1 |
26.4 |
6OPN |
SEsw12-6R |
12 |
½ |
38.0 |
13.0 |
22.0 |
22.8 |
9.5 |
24 |
27 |
22 |
27.9 |
43.4 |
32.0 |
8OPN |
SEsw12-8R |
12 |
¾ |
39.8 |
13.0 |
22.0 |
22.8 |
9.5 |
27 |
35 |
22 |
29.7 |
48.8 |
41.1 |
12OPN |
SEsw12-R |
16 |
½ |
38.1 |
13.0 |
22.0 |
24.4 |
11.9 |
27 |
27 |
28.5 |
29.7 |
45.2 |
32.0 |
8OPN |
SEsw16-8R |
22 |
¾ |
44.6 |
13.0 |
22.0 |
26.0 |
15.8 |
27 |
35 |
28.5 |
34.5 |
48.8 |
41.2 |
12OPN |
SEsw22-12R |
25 |
¾ |
49.0 |
13.0 |
26.5 |
31.3 |
15.8 |
35 |
35 |
38 |
36.8 |
53.3 |
41.2 |
12OPN |
SEsw25-12R |
25 |
1 |
49.0 |
14.0 |
26.5 |
31.3 |
21.8 |
35 |
41 |
38 |
36.8 |
53.6 |
48.5 |
16OPN |
SEsw25-16R |
T
TUBE OD |
S
SAE/MS MALE |
A |
B |
C |
D |
E |
F A/F |
Fx A/F |
G A/F |
Hx |
Hy |
U |
O RING PART No. |
KAZAF PART No. |
¼ |
7/16- 20 |
28.5 |
9.9 |
17.8 |
15.3 |
4.8 |
14 |
14 |
14 |
21.0 |
28.5 |
16.5 |
4OPU |
4SEsw-U |
¼ |
9/16- 18 |
30.5 |
11.2 |
17.8 |
15.3 |
4.8 |
16 |
17 |
14 |
23.1 |
32.3 |
20.0 |
6OPU |
4-6SEsw-U |
5/16 |
½- 20 |
30.3 |
9.9 |
18.6 |
16.3 |
5.8 |
14 |
16 |
16 |
22.9 |
29.5 |
18.3 |
5OPU |
5SEsw-U |
3/8 |
9/16- 18 |
32.0 |
11.2 |
19.3 |
16.8 |
7.1 |
16 |
17 |
17 |
24.6 |
32.3 |
20.0 |
6OPU |
6SEsw-U |
3/8 |
¾- 16 |
34.8 |
12.7 |
19.3 |
16.8 |
7.1 |
22 |
22 |
17 |
27.4 |
37.8 |
25.6 |
8OPU |
6-8SEsw-U |
½ |
¾- 16 |
37.6 |
12.7 |
21.8 |
22.9 |
10.4 |
22 |
22 |
22 |
27.4 |
37.8 |
25.6 |
8OPU |
8SEsw-U |
5/8 |
7/8- 14 |
39.6 |
14.3 |
21.8 |
24.4 |
12.7 |
24 |
25 |
25 |
29.5 |
43.4 |
29.5 |
10OPU |
10SEsw-U |
¾ |
11/16- 12 |
41.4 |
16.8 |
21.8 |
24.4 |
15.8 |
27 |
32 |
28.5 |
31.2 |
48.8 |
36.6 |
12OPU |
12SEsw-U |
7/8 |
13/16- 12 |
43.2 |
16.8 |
21.8 |
25.9 |
18.3 |
30 |
32 |
32 |
33.0 |
50.5 |
40.4 |
14OPU |
14SEsw-U |
1 |
15/16- 12 |
50.5 |
16.8 |
26.4 |
31.2 |
22.3 |
35 |
35 |
38 |
38.4 |
53.6 |
44.0 |
16OPU |
16SEsw-U |
1.1/4 |
15/8- 12 |
67.8 |
16.8 |
38.9 |
41.2 |
27.6 |
46 |
50 |
50 |
45.7 |
58.2 |
54.9 |
20OPU |
20SEsw-U |
1.1/2 |
17/8- 12 |
78.0 |
16.8 |
45.2 |
50.0 |
34.0 |
50 |
55 |
60 |
50.8 |
60.4 |
62.5 |
24OPU |
24SEsw-U |
 
T
TUBE
OD |
P
NPT
MALE |
A |
Ax |
B |
C |
D |
E |
F A/F |
G A/F |
H |
Hx |
Hy |
KAZAF PART No. |
1/8 |
1/8 |
41.4 |
23.6 |
9.6 |
15.3 |
12.7 |
2.4 |
11 |
11 |
34.8 |
17.0 |
17.8 |
2STRMN |
1/8 |
¼ |
48.0 |
24.6 |
14.3 |
15.3 |
12.7 |
2.4 |
14 |
11 |
41.4 |
18.0 |
23.4 |
2-4STRM-N |
¼ |
1/8 |
45.7 |
26.9 |
9.6 |
17.8 |
15.3 |
4.8 |
14 |
14 |
38.4 |
19.6 |
18.8 |
4-2STRM-N |
¼ |
¼ |
50.3 |
26.9 |
14.3 |
17.8 |
15.3 |
4.8 |
14 |
14 |
43 |
19.6 |
23.4 |
4STRM-N |
¼ |
3/8 |
55.9 |
29.7 |
14.3 |
17.8 |
15.3 |
4.8 |
17 |
14 |
48.8 |
22.4 |
26.2 |
4-6STRM-N |
¼ |
½ |
64.8 |
31.8 |
19.1 |
17.8 |
15.3 |
4.8 |
22 |
14 |
57.4 |
24.4 |
33.0 |
4-8STRM-N |
3/8 |
¼ |
55.9 |
30.5 |
14.3 |
19.3 |
16.8 |
7.1 |
17 |
17 |
48.5 |
23.1 |
25.4 |
6-4STRM-N |
3/8 |
3/8 |
57.4 |
31.2 |
14.3 |
19.3 |
16.8 |
7.1 |
17 |
17 |
50.1 |
23.9 |
26.2 |
6STRM-N |
3/8 |
½ |
66.0 |
33.0 |
19.1 |
19.3 |
16.8 |
7.1 |
22 |
17 |
58.9 |
25.9 |
33.0 |
6-8STRM-N |
½ |
¼ |
64.2 |
36.0 |
14.3 |
21.8 |
22.9 |
4.8 |
22 |
22 |
54.1 |
25.9 |
28.2 |
8-4STRM-N |
½ |
3/8 |
64.2 |
36.0 |
14.3 |
21.8 |
22.9 |
9.6 |
22 |
22 |
54.1 |
25.9 |
28.2 |
8-6STRM-N |
½ |
½ |
69.0 |
36.0 |
19.1 |
21.8 |
22.9 |
10.4 |
22 |
22 |
58.9 |
25.9 |
33.0 |
8STRM-N |
5/8 |
½ |
73.1 |
38.1 |
19.1 |
21.8 |
24.4 |
11.9 |
22 |
25 |
62.9 |
27.9 |
35.0 |
10-8STRM-N |
¾ |
½ |
76.7 |
39.9 |
19.1 |
21.8 |
24.4 |
11.9 |
27 |
28.5 |
66.5 |
29.7 |
36.8 |
12-8STRM-N |
¾ |
¾ |
76.7 |
39.9 |
19.1 |
21.8 |
24.4 |
15.8 |
27 |
28.5 |
66.5 |
29.7 |
36.8 |
12STRM-N |
1 |
¾ |
90.6 |
49.0 |
19.1 |
26.4 |
31.2 |
15.8 |
35 |
38 |
78.4 |
36.8 |
41.6 |
16-12STRM-N |
1 |
1 |
95.5 |
49.0 |
23.8 |
26.4 |
31.2 |
22.3 |
35 |
38 |
83.3 |
36.8 |
46.5 |
16STRM-N |
1.1/4 |
1.1/4 |
114.1 |
66.5 |
23.8 |
38.8 |
41.1 |
27.6 |
46 |
50 |
92.1 |
44.5 |
47.6 |
20STRM-N |
1.1/2 |
1.1/2 |
138.4 |
78.0 |
26.2 |
45.2 |
50.0 |
34.0 |
55 |
60 |
111.2 |
50.8 |
60.4 |
24STRM-N |
T
TUBE
OD |
P
NPT
MALE |
A |
Ax |
B |
C |
D |
E |
F A/F |
G A/F |
H |
Hx |
Hy |
KAZAF
PART No. |
3 |
1/8 |
41.4 |
23.6 |
9.6 |
15.3 |
12.9 |
2.4 |
11 |
11 |
34.8 |
17.0 |
17.8 |
STRM3-2N |
3 |
¼ |
48.0 |
24.6 |
14.3 |
15.3 |
12.9 |
2.4 |
14 |
11 |
41.4 |
18.0 |
23.4 |
STRM3-4N |
6 |
1/8 |
45.8 |
27.0 |
9.6 |
17.7 |
15.3 |
4.8 |
14 |
14 |
38.9 |
19.6 |
18.8 |
STRM6-2N |
6 |
¼ |
50.4 |
27.0 |
14.3 |
17.7 |
15.3 |
4.8 |
14 |
14 |
43.0 |
19.6 |
23.4 |
STRM6-4N |
6 |
3/8 |
56.0 |
29.8 |
14.3 |
17.7 |
15.3 |
4.8 |
17 |
14 |
48.6 |
22.4 |
26.2 |
STRM6-N |
8 |
¼ |
53.2 |
28.8 |
14.3 |
18.6 |
16.2 |
6.3 |
14 |
16 |
45.7 |
21.3 |
24.4 |
STRM8-4N |
8 |
3/8 |
56.8 |
30.6 |
14.3 |
18.6 |
16.2 |
6.3 |
17 |
16 |
49.3 |
23.1 |
26.2 |
STRM8-6N |
8 |
½ |
65.6 |
32.6 |
19.1 |
18.6 |
16.2 |
6.3 |
22 |
16 |
58.1 |
25.1 |
33.0 |
STRM8-N |
10 |
¼ |
57.7 |
31.5 |
14.3 |
19.5 |
17.2 |
7.1 |
17 |
19 |
50.1 |
23.9 |
26.2 |
STRM10-4N |
10 |
3/8 |
57.7 |
31.5 |
14.3 |
19.5 |
17.2 |
7.9 |
17 |
19 |
50.1 |
23.9 |
26.2 |
STRM10-6N |
10 |
½ |
66.5 |
33.5 |
19.1 |
19.5 |
17.2 |
7.9 |
22 |
19 |
58.9 |
25.9 |
33.0 |
STRM10-8N |
12 |
¼ |
62.2 |
36.0 |
14.3 |
22.0 |
22.8 |
7.1 |
22 |
22 |
52.1 |
25.9 |
26.2 |
STRM12-4N |
12 |
3/8 |
62.2 |
36.0 |
14.3 |
22.0 |
22.8 |
9.5 |
22 |
22 |
52.1 |
25.9 |
28.2 |
STRM12-6N |
12 |
½ |
69.0 |
36.0 |
19.1 |
22.0 |
22.8 |
9.5 |
22 |
22 |
58.9 |
25.9 |
33.0 |
STRM12-8N |
16 |
½ |
73.1 |
38.0 |
19.1 |
22.0 |
24.4 |
11.9 |
24 |
25 |
64.0 |
27.9 |
35.1 |
STRM16-8N |
25 |
¾ |
90.8 |
49.1 |
19.1 |
26.5 |
31.3 |
15.8 |
35 |
38 |
78.5 |
36.8 |
41.7 |
STRM25-12N |
25 |
1 |
95.6 |
49.1 |
23.8 |
26.5 |
31.3 |
21.8 |
35 |
38 |
83.3 |
36.8 |
46.5 |
STRM25-16N |
30 |
1.1/4 |
120.0 |
66.9 |
23.8 |
39.2 |
39.6 |
26.2 |
45 |
50 |
101.4 |
48.3 |
53.1 |
STRM30-20N |
32 |
1.1/4 |
125.4 |
72.3 |
23.8 |
41.6 |
42.0 |
27.6 |
45 |
50 |
102.4 |
49.3 |
53.1 |
STRM32-20N |
38 |
1.1/2 |
144.4 |
84.0 |
26.2 |
47.9 |
50.0 |
33.7 |
55 |
60 |
116.8 |
56.4 |
60.4 |
STRM38-24N |
|
 
T TUBE OD |
P NPT MALE |
A |
Ax |
B |
C |
D |
E |
F A/F |
G A/F |
H |
Hx |
Hy |
KAZAF
PART No. |
1/8 |
1/8 |
47.2 |
23.6 |
9.6 |
15.3 |
12.7 |
2.4 |
11 |
11 |
34.0 |
17.0 |
17.8 |
2STBM-N |
1/8 |
¼ |
49.2 |
24.6 |
14.3 |
15.3 |
12.7 |
2.4 |
14 |
11 |
36.0 |
18.0 |
23.4 |
2-4STBM-N |
¼ |
1/8 |
53.8 |
26.9 |
9.6 |
17.8 |
5.3 |
4.8 |
14 |
14 |
39.2 |
19.6 |
18.8 |
4-2STBM-N |
¼ |
¼ |
53.8 |
26.9 |
14.3 |
17.8 |
15.3 |
4.8 |
14 |
14 |
39.2 |
19.6 |
23.4 |
4STBM-N |
¼ |
3/8 |
59.4 |
29.7 |
14.3 |
17.8 |
15.3 |
4.8 |
17 |
14 |
44.8 |
22.4 |
26.2 |
4-6STBM-N |
¼ |
½ |
63.6 |
31.8 |
19.1 |
17.8 |
15.3 |
4.8 |
22 |
14 |
44.8 |
24.4 |
33.0 |
4-8STBM-N |
3/8 |
¼ |
61.0 |
30.5 |
14.3 |
19.3 |
16.8 |
7.1 |
17 |
17 |
46.2 |
23.1 |
25.4 |
6-4STBM-N |
3/8 |
3/8 |
62.4 |
31.2 |
14.3 |
19.3 |
16.8 |
7.1 |
17 |
17 |
47.8 |
23.9 |
26.2 |
6STBM-N |
3/8 |
½ |
66.0 |
33.0 |
19.1 |
19.3 |
16.8 |
7.1 |
22 |
17 |
51.8 |
25.9 |
33.0 |
6-8STBM-N |
½ |
¼ |
72.0 |
36.0 |
14.3 |
21.8 |
22.9 |
4.8 |
22 |
22 |
51.8 |
25.9 |
28.2 |
8-4STBM-N |
½ |
3/8 |
72.0 |
36.0 |
14.3 |
21.8 |
22.9 |
9.6 |
22 |
22 |
51.8 |
25.9 |
28.2 |
8-6STBM-N |
½ |
½ |
72.0 |
36.0 |
19.1 |
21.8 |
22.9 |
10.4 |
22 |
22 |
51.8 |
25.9 |
33.0 |
8STBM-N |
5/8 |
½ |
76.2 |
38.1 |
19.1 |
21.8 |
24.4 |
11.9 |
22 |
25 |
55.8 |
27.9 |
35.0 |
10-8STBM-N |
¾ |
½ |
79.8 |
39.9 |
19.1 |
21.8 |
24.4 |
11.9 |
27 |
28.5 |
59.4 |
29.7 |
36.8 |
12-8STBM-N |
¾ |
¾ |
79.8 |
39.9 |
19.1 |
21.8 |
24.4 |
15.8 |
27 |
28.5 |
59.4 |
29.7 |
36.8 |
12STBM-N |
1 |
¾ |
98.0 |
49.0 |
19.1 |
26.4 |
31.2 |
15.8 |
35 |
38 |
73.6 |
36.8 |
41.6 |
16-12STBM-N |
1 |
1 |
98.0 |
49.0 |
23.8 |
26.4 |
31.2 |
22.3 |
35 |
38 |
73.6 |
36.8 |
46.5 |
16STBM-N |
1.1/4 |
1.1/4 |
133.0 |
66.5 |
23.8 |
38.8 |
41.1 |
27.6 |
46 |
50 |
89.0 |
44.5 |
47.6 |
20STBM-N |
1.1/2 |
1.1/2 |
156.0 |
78.0 |
26.2 |
45.2 |
50.0 |
34.0 |
55 |
60 |
101.6 |
50.8 |
60.4 |
24STBM-N |
|
T
TUBE
OD |
P
NPT
MALE |
|
Ax |
B |
C |
D |
E |
F
A/F |
G
A/F |
H |
Hx |
Hy |
KAZAF
PART No. |
3 |
1/8 |
47.2 |
23.6 |
9.6 |
15.3 |
12.9 |
2.4 |
11 |
11 |
34.0 |
17.0 |
17.8 |
STBM3-2N |
3 |
¼ |
49.2 |
24.6 |
14.3 |
15.3 |
12.9 |
2.4 |
14 |
11 |
36.0 |
18.0 |
23.4 |
STBM3-4N |
6 |
1/8 |
54.0 |
27.0 |
9.6 |
17.7 |
15.3 |
4.8 |
14 |
14 |
39.2 |
19.6 |
18.8 |
STBM6-2N |
6 |
¼ |
54.0 |
27.0 |
14.3 |
17.7 |
15.3 |
4.8 |
14 |
14 |
39.2 |
19.6 |
23.4 |
STBM6-4N |
6 |
3/8 |
59.6 |
29.8 |
14.3 |
17.7 |
15.3 |
4.8 |
17 |
14 |
44.8 |
22.4 |
26.2 |
STBM6-N |
8 |
¼ |
57.6 |
28.8 |
14.3 |
18.6 |
16.2 |
6.3 |
14 |
16 |
42.6 |
21.3 |
24.4 |
STBM8-4N |
8 |
3/8 |
61.2 |
30.6 |
14.3 |
18.6 |
16.2 |
6.3 |
17 |
16 |
46.2 |
23.1 |
26.2 |
STBM8-6N |
8 |
½ |
65.2 |
32.6 |
19.1 |
18.6 |
16.2 |
6.3 |
22 |
16 |
50.2 |
25.1 |
33.0 |
STBM8-N |
10 |
¼ |
63.0 |
31.5 |
14.3 |
19.5 |
17.2 |
7.1 |
17 |
19 |
47.8 |
23.9 |
26.2 |
STBM10-4N |
10 |
3/8 |
63.0 |
31.5 |
14.3 |
19.5 |
17.2 |
7.9 |
17 |
19 |
47.8 |
23.9 |
26.2 |
STBM10-6N |
10 |
½ |
67.0 |
33.5 |
19.1 |
19.5 |
17.2 |
7.9 |
22 |
19 |
51.8 |
25.9 |
33.0 |
STBM10-8N |
12 |
¼ |
72.0 |
36.0 |
14.3 |
22.0 |
22.8 |
7.1 |
22 |
22 |
51.8 |
25.9 |
26.2 |
STBM12-4N |
12 |
3/8 |
72.0 |
36.0 |
14.3 |
22.0 |
22.8 |
9.5 |
22 |
22 |
51.8 |
25.9 |
28.2 |
STBM12-6N |
12 |
½ |
72.0 |
36.0 |
19.1 |
22.0 |
22.8 |
9.5 |
22 |
22 |
51.8 |
25.9 |
33.0 |
STBM12-8N |
16 |
½ |
76.0 |
38.0 |
19.1 |
22.0 |
24.4 |
11.9 |
24 |
25 |
55.8 |
27.9 |
35.1 |
STBM16-8N |
25 |
¾ |
98.2 |
49.1 |
19.1 |
26.5 |
31.3 |
15.8 |
35 |
38 |
73.6 |
36.8 |
41.7 |
STBM25-12N |
25 |
1 |
98.2 |
49.1 |
23.8 |
26.5 |
31.3 |
21.8 |
35 |
38 |
73.6 |
36.8 |
46.5 |
STBM25-16N |
30 |
1.1/4 |
139.8 |
66.9 |
23.8 |
39.2 |
39.6 |
26.2 |
45 |
50 |
96.6 |
48.3 |
53.1 |
STBM30-20N |
32 |
1.1/4 |
144.6 |
72.3 |
23.8 |
41.6 |
42.0 |
27.6 |
45 |
50 |
98.6 |
49.3 |
53.1 |
STBM32-20N |
38 |
1.1/2 |
168.0 |
84.0 |
26.2 |
47.9 |
50.0 |
33.7 |
55 |
60 |
112.8 |
56.4 |
60.4 |
STBM38-24N |
|
 
T
TUBE
OD |
P
NPT
FEMALE |
A |
B |
C |
D |
E |
F
A/F |
G
A/F |
H |
KAZAF
PART No. |
1/16 |
1/16 |
23.6 |
9.9 |
11.0 |
8.6 |
1.3 |
11 |
8 |
19.8 |
1SCF-N |
1/16 |
1/8 |
24.4 |
10.4 |
11.0 |
8.6 |
1.3 |
14 |
8 |
20.6 |
1-2SCF-N |
1/8 |
1/8 |
28.7 |
10.4 |
15.3 |
12.7 |
2.4 |
14 |
11 |
22.1 |
2SCF-N |
1/8 |
¼ |
33.6 |
15.0 |
15.3 |
12.7 |
2.4 |
19 |
11 |
26.9 |
2-4SCF-N |
¼ |
1/8 |
31.2 |
9.9 |
17.8 |
15.3 |
4.8 |
14 |
14 |
23.9 |
4-2SCF-N |
¼ |
¼ |
35.8 |
15.0 |
17.8 |
15.3 |
4.8 |
19 |
14 |
28.5 |
4SCF-N |
¼ |
3/8 |
37.6 |
15.0 |
17.8 |
15.3 |
4.8 |
22 |
14 |
30.2 |
4-6SCF-N |
¼ |
½ |
42.4 |
19.8 |
17.8 |
15.3 |
4.8 |
27 |
14 |
35.0 |
4-8SCF-N |
5/16 |
1/8 |
32.0 |
10.4 |
18.5 |
16.3 |
6.3 |
14 |
16 |
24.6 |
5-2SCF-N |
5/16 |
¼ |
36.8 |
15.0 |
18.5 |
16.3 |
6.3 |
19 |
16 |
29.5 |
5-4SCF-N |
3/8 |
1/8 |
32.8 |
10.4 |
19.3 |
16.8 |
7.1 |
16 |
17 |
25.4 |
6-2SCF-N |
3/8 |
¼ |
37.6 |
15.0 |
19.3 |
16.8 |
7.1 |
19 |
17 |
30.2 |
6-4SCF-N |
3/8 |
3/8 |
39.1 |
15.0 |
19.3 |
16.8 |
7.1 |
22 |
17 |
31.8 |
6SCF-N |
3/8 |
½ |
43.9 |
19.8 |
19.3 |
16.8 |
7.1 |
27 |
17 |
36.6 |
6-8SCF-N |
½ |
¼ |
40.4 |
15.0 |
21.8 |
22.9 |
10.4 |
22 |
22 |
40.4 |
8-4SCF-N |
½ |
3/8 |
41.9 |
15.0 |
21.8 |
22.9 |
10.4 |
22 |
22 |
30.2 |
8-6SCF-N |
½ |
½ |
46.7 |
19.8 |
21.8 |
22.9 |
10.4 |
27 |
22 |
31.8 |
8SCF-N |
½ |
¾ |
48.3 |
20.6 |
21.8 |
22.9 |
10.4 |
32 |
22 |
36.6 |
8-12SCF-N |
5/8 |
3/8 |
41.9 |
15.0 |
21.8 |
24.4 |
12.7 |
24 |
25 |
31.8 |
10-6SCF-N |
5/8 |
½ |
46.7 |
19.8 |
21.8 |
24.4 |
12.7 |
27 |
25 |
36.6 |
10-8SCF-N |
¾ |
½ |
46.7 |
19.8 |
21.8 |
24.4 |
15.8 |
27 |
28.5 |
36.6 |
12-8SCF-N |
¾ |
¾ |
48.3 |
20.6 |
21.8 |
24.4 |
15.8 |
32 |
28.5 |
38.1 |
12SCF-N |
7/8 |
¾ |
49.8 |
20.6 |
21.8 |
25.9 |
18.3 |
35 |
32 |
39.6 |
14-12SCF-N |
1 |
¾ |
53.4 |
20.6 |
26.4 |
31.2 |
22.3 |
35 |
38 |
41.2 |
16-12SCF-N |
1 |
1 |
62.3 |
25.4 |
26.4 |
31.2 |
22.3 |
41 |
38 |
50.0 |
16SCF-N |
1.1/4 |
1.1/4 |
74.6 |
25.4 |
38.9 |
41.2 |
27.6 |
55 |
50 |
52.6 |
20SCF-N |
1.1/2 |
1.1/2 |
83.3 |
27.6 |
45.2 |
50.0 |
34.0 |
60 |
60 |
56.2 |
24SCF-N |
T
TUBE
OD |
P
ISO
FEMALE |
A |
B |
C |
D |
E |
F
A/F |
G
A/F |
H |
KAZAF
PART No. |
1/8 |
1/8 |
28.7 |
10.4 |
15.3 |
12.7 |
2.4 |
14 |
11 |
22.1 |
2SCF-Rx |
1/8 |
¼ |
33.6 |
15.0 |
15.3 |
12.7 |
2.4 |
19 |
11 |
26.9 |
2-4SCF-Rx |
¼ |
1/8 |
31.2 |
9.9 |
17.8 |
15.3 |
4.8 |
14 |
14 |
23.9 |
4-2SCF-Rx |
¼ |
¼ |
35.8 |
15.0 |
17.8 |
15.3 |
4.8 |
19 |
14 |
28.5 |
4SCF-Rx |
¼ |
3/8 |
37.6 |
15.0 |
17.8 |
15.3 |
4.8 |
22 |
14 |
30.2 |
4-6SCF-Rx |
¼ |
½ |
42.4 |
19.8 |
17.8 |
15.3 |
4.8 |
27 |
14 |
35.0 |
4-8SCF-Rx |
3/8 |
¼ |
37.6 |
15.0 |
19.3 |
16.8 |
7.1 |
19 |
17 |
30.2 |
6-4SCF-Rx |
3/8 |
3/8 |
39.1 |
15.0 |
19.3 |
16.8 |
7.1 |
22 |
17 |
31.8 |
6SCF-Rx |
3/8 |
½ |
43.9 |
19.8 |
19.3 |
16.8 |
7.1 |
27 |
17 |
36.6 |
6-8SCF-Rx |
½ |
¼ |
40.4 |
15.0 |
21.8 |
22.9 |
10.4 |
22 |
22 |
40.4 |
8-4SCF-Rx |
½ |
3/8 |
41.9 |
15.0 |
21.8 |
22.9 |
10.4 |
22 |
22 |
30.2 |
8-6SCF-Rx |
½ |
½ |
46.7 |
19.8 |
21.8 |
22.9 |
10.4 |
27 |
22 |
31.8 |
8SCF-Rx |
¾ |
½ |
46.7 |
19.8 |
21.8 |
24.4 |
15.8 |
27 |
28.5 |
36.6 |
12-8SCF-Rx |
¾ |
¾ |
48.3 |
20.6 |
21.8 |
24.4 |
15.8 |
32 |
28.5 |
38.1 |
12SCF-Rx |
1 |
¾ |
53.4 |
20.6 |
26.4 |
31.2 |
22.3 |
35 |
38 |
41.2 |
16-12SCF-Rx |
1 |
1 |
62.3 |
25.4 |
26.4 |
31.2 |
22.3 |
41 |
38 |
50.0 |
16SCF-Rx |
1.1/4 |
1.1/4 |
74.6 |
25.4 |
38.9 |
41.2 |
27.6 |
55 |
50 |
52.6 |
20SCF-Rx |
1.1/2 |
1.1/2 |
83.3 |
27.6 |
45.2 |
50.0 |
34.0 |
60 |
60 |
56.2 |
24SCF-Rx |
T
TUBE
OD |
P
NPT
FEMALE |
A |
B |
C |
D |
E |
F
A/F |
G
A/F |
H |
KAZAF
PART No. |
3 |
1/8 |
28.7 |
10.4 |
15.3 |
12.9 |
2.4 |
14 |
11 |
22.1 |
SCF3-2N |
3 |
¼ |
33.5 |
15.0 |
15.3 |
12.9 |
2.4 |
19 |
11 |
26.9 |
SCF3-4N |
6 |
1/8 |
31.3 |
10.4 |
17.7 |
15.3 |
4.8 |
14 |
14 |
23.9 |
SCF6-2N |
6 |
¼ |
35.8 |
15.0 |
17.7 |
15.3 |
4.8 |
19 |
14 |
28.4 |
SCF6-4N |
6 |
3/8 |
37.6 |
15.0 |
17.7 |
15.3 |
4.8 |
22 |
14 |
30.2 |
SCF6-N |
6 |
½ |
42.5 |
19.8 |
17.7 |
15.3 |
4.8 |
27 |
14 |
35.1 |
SCF6-8N |
8 |
1/8 |
32.1 |
10.4 |
18.6 |
16.2 |
6.3 |
14 |
16 |
24.6 |
SCF8-2N |
8 |
¼ |
37.0 |
15.0 |
18.6 |
16.2 |
6.3 |
19 |
16 |
29.5 |
SCF8-4N |
8 |
3/8 |
38.5 |
15.0 |
18.6 |
16.2 |
6.3 |
22 |
16 |
31.0 |
SCF8-6N |
8 |
½ |
43.3 |
19.8 |
18.6 |
16.2 |
6.3 |
27 |
16 |
35.8 |
SCF8-N |
10 |
¼ |
37.8 |
15.0 |
19.5 |
17.2 |
7.9 |
19 |
19 |
30.2 |
SCF10-4N |
10 |
3/8 |
39.4 |
15.0 |
19.5 |
17.2 |
7.9 |
22 |
19 |
31.8 |
SCF10-6N |
10 |
½ |
44.2 |
19.8 |
19.5 |
17.2 |
7.9 |
27 |
19 |
36.6 |
SCF10-8N |
12 |
¼ |
40.3 |
15.0 |
22.0 |
22.8 |
9.5 |
22 |
22 |
30.2 |
SCF12-4N |
12 |
3/8 |
41.9 |
15.0 |
22.0 |
22.8 |
9.5 |
22 |
22 |
31.8 |
SCF12-6N |
12 |
½ |
46.7 |
19.8 |
22.0 |
22.8 |
9.5 |
27 |
22 |
36.6 |
SCF12-8N |
15 |
½ |
46.7 |
19.8 |
22.0 |
24.4 |
11.9 |
27 |
25 |
36.6 |
SCF15 8N |
16 |
½ |
46.9 |
19.8 |
22.0 |
24.4 |
12.7 |
27 |
25 |
36.8 |
SCF16-8N |
20 |
½ |
47.9 |
19.8 |
22.0 |
26.0 |
15.9 |
30 |
32 |
37.8 |
SCF20-8N |
20 |
¾ |
49.7 |
20.6 |
22.0 |
26.0 |
15.9 |
35 |
32 |
39.6 |
SCF20-12N |
22 |
¾ |
49.7 |
20.6 |
22.0 |
26.0 |
18.3 |
35 |
32 |
39.6 |
SCF22-12N |
22 |
1 |
57.9 |
25.4 |
22.0 |
26.0 |
18.3 |
41 |
32 |
47.8 |
SCF22 16N |
25 |
¾ |
53.4 |
20.6 |
26.5 |
31.3 |
21.8 |
35 |
38 |
41.1 |
SCF25-12N |
25 |
1 |
62.3 |
25.4 |
26.5 |
31.3 |
21.8 |
41 |
38 |
50.0 |
SCF25-16N |
32 |
1.1/4 |
74.6 |
25.4 |
41.6 |
42.0 |
27.6 |
55 |
50 |
52.6 |
SCF32-20N |
38 |
1.1/2 |
83.3 |
27.6 |
47.9 |
49.4 |
34.0 |
60 |
60 |
56.2 |
SCF38-24N |
 
T
TUBE OD |
P
NPT FEMALE |
A |
Ax |
B |
D |
E |
F A/F |
G A/F |
H |
Hx |
Panel
Hole
Drill Size |
Max.
Panel
Thick- ness |
KAZAF
PART No. |
1/8 |
1/8 |
44.7 |
31.2 |
10.4 |
12.7 |
2.4 |
14 |
11 |
38.1 |
24.6 |
8.3 |
12.7 |
2SCFB-N |
¼ |
1/8 |
47.0 |
33.5 |
10.4 |
15.3 |
4.8 |
16 |
14 |
39.7 |
26.2 |
11.5 |
10.2 |
4-2SCFB-N |
¼ |
¼ |
51.5 |
33.5 |
15.0 |
15.3 |
4.8 |
19 |
14 |
44.2 |
26.2 |
11.5 |
10.2 |
4SCFB-N |
3/8 |
¼ |
54.8 |
36.8 |
15.0 |
16.8 |
7.1 |
19 |
17 |
47.5 |
29.5 |
14.7 |
11.2 |
6-4SCFB-N |
½ |
3/8 |
61.7 |
41.9 |
15.0 |
22.9 |
10.4 |
22 |
22 |
51.6 |
31.8 |
19.5 |
12.7 |
8SCFB-N |
½ |
½ |
66.7 |
41.9 |
19.8 |
22.9 |
10.4 |
27 |
22 |
56.6 |
31.8 |
19.5 |
12.7 |
8SCFB-N |
5/8 |
½ |
67.6 |
42.7 |
19.8 |
24.4 |
12.7 |
27 |
25 |
57.4 |
32.5 |
22.6 |
12.7 |
10-8SCFB-N |
¾ |
½ |
72.4 |
47.5 |
19.8 |
24.4 |
16.0 |
30 |
28.5 |
62.3 |
37.4 |
25.8 |
16.8 |
12-8SCFB-N |
¾ |
¾ |
74.4 |
47.5 |
20.6 |
24.4 |
16.0 |
30 |
28.5 |
64.3 |
37.4 |
25.8 |
16.8 |
12SCFB-N |
1 |
¾ |
84.3 |
57.4 |
20.6 |
31.2 |
16.0 |
35 |
38 |
72.1 |
45.2 |
33.7 |
19.0 |
16-12SCFB-N |
1 |
1 |
93.2 |
57.4 |
25.4 |
31.2 |
22.3 |
35 |
38 |
81.0 |
45.2 |
33.7 |
19.0 |
16SCFB-N |
1.1/4 |
1.1/4 |
105.7 |
69.9 |
25.4 |
41.2 |
27.6 |
50 |
50 |
83.5 |
47.7 |
41.6 |
19.0 |
20SCFB-N |
1.1/2 |
1.1/2 |
114.5 |
76.4 |
27.6 |
50.0 |
34.0 |
60 |
60 |
87.4 |
49.3 |
49.6 |
19.0 |
24SCFB-N |
|
T
TUBE OD |
P
NPT FEMALE |
A |
Ax |
B |
D |
E |
F A/F |
G A/F |
H |
Hx |
Panel Hole Drill Size |
Max. Panel Thick- ness |
KAZAF PART No. |
3 |
1/8 |
44.7 |
31.2 |
10.4 |
12.9 |
2.4 |
14 |
11 |
38.1 |
24.6 |
8.3 |
12.7 |
SCFB 3-2N |
6 |
¼ |
51.6 |
33.6 |
15.0 |
15.3 |
4.8 |
19 |
14 |
44.2 |
26.2 |
11.5 |
10.2 |
SCFB 6-4N |
10 |
3/8 |
56.8 |
37.0 |
15.0 |
17.2 |
7.9 |
22 |
19 |
49.2 |
29.4 |
16.3 |
11.2 |
SCFB 10-4N |
12 |
3/8 |
61.8 |
41.9 |
15.0 |
22.8 |
9.5 |
24 |
22 |
51.7 |
31.8 |
19.5 |
12.7 |
SCFB 12-6N |
12 |
½ |
66.7 |
41.9 |
19.8 |
22.8 |
9.5 |
27 |
22 |
56.6 |
31.8 |
19.5 |
12.7 |
SCFB 12-8N |
16 |
½ |
67.5 |
42.6 |
20.6 |
24.4 |
12.7 |
27 |
25 |
57.4 |
32.5 |
22.8 |
12.7 |
SCFB 16-8N |
22 |
¾ |
79.9 |
53.0 |
20.6 |
26.0 |
15.8 |
35 |
32 |
69.8 |
42.9 |
29.0 |
19.0 |
SCFB 22-12N |
25 |
¾ |
84.3 |
57.4 |
20.6 |
31.2 |
15.8 |
35 |
38 |
72.1 |
45.2 |
33.7 |
19.0 |
SCFB 25-12N |
25 |
1 |
93.2 |
57.4 |
25.4 |
31.2 |
22.3 |
35 |
38 |
81.0 |
45.2 |
33.7 |
19.0 |
SCFB 25-16N |
32 |
1.1/4 |
105.7 |
69.9 |
25.4 |
42.0 |
27.6 |
50 |
50 |
83.5 |
44.7 |
41.6 |
19.0 |
SCFB 32-20N |
38 |
1.1/2 |
114.5 |
76.4 |
27.6 |
49.4 |
33.7 |
60 |
60 |
87.4 |
49.3 |
49.6 |
19.0 |
SCFB 38-24N |
|
 
T
TUBE
OD |
P
NPT
FEMALE |
A |
B |
C |
D |
E |
F A/F |
G/F |
H |
A2 |
b |
d4 |
t2 |
KAZAF
PART No. |
¼ |
¼ |
37.6 |
13.0 |
17.8 |
15.3 |
4.8 |
19 |
14 |
30.2 |
1.6 |
5.6 |
9.4 |
17.0 |
4SCF-MAN |
¼ |
3/8 |
37.6 |
14.2 |
17.8 |
15.3 |
4.8 |
24 |
14 |
30.2 |
1.6 |
6.6 |
9.9 |
20.3 |
4-6SCF-MAN |
¼ |
½ |
43.4 |
18.8 |
17.8 |
15.3 |
4.8 |
27 |
14 |
36.0 |
1.6 |
6.6 |
14.5 |
24.9 |
4-8SCF-MAN |
5/16 |
¼ |
38.4 |
13.0 |
18.5 |
16.3 |
6.0 |
19 |
16 |
31.0 |
1.6 |
- |
9.4 |
- |
5-4SCF-MAN |
5/16 |
½ |
40.9 |
18.8 |
18.5 |
16.3 |
7.1 |
27 |
16 |
33.6 |
1.6 |
- |
14.5 |
- |
5-8SCF-MAN |
3/8 |
¼ |
39.2 |
13.0 |
19.3 |
16.8 |
6.0 |
19 |
17 |
31.8 |
1.6 |
- |
9.4 |
- |
6-4SCF-MAN |
3/8 |
3/8 |
38.6 |
14.2 |
19.3 |
16.8 |
6.6 |
24 |
17 |
31.2 |
1.6 |
- |
9.9 |
- |
6SCF-MAN |
3/8 |
½ |
41.9 |
18.8 |
19.3 |
16.8 |
7.1 |
27 |
17 |
34.5 |
1.6 |
- |
14.5 |
- |
6-8SCF-MAN |
½ |
3/8 |
44.5 |
14.2 |
21.8 |
22.9 |
6.6 |
24 |
22 |
34.3 |
1.6 |
- |
9.9 |
- |
8-6SCF-MAN |
½ |
½ |
48.3 |
18.8 |
21.8 |
22.9 |
7.1 |
27 |
22 |
38.1 |
1.6 |
- |
14.5 |
- |
8SCF-MAN |
T
TUBE
OD |
P
NPT FEMALE |
A |
B |
C |
D |
E |
F A/F |
G
A/F |
H |
a2 |
b |
d4 |
t2 |
KAZAF
PART No. |
3 |
¼ |
35.3 |
12.9 |
15.3 |
12.9 |
2.4 |
19 |
11 |
28.7 |
1.6 |
9.5 |
5.5 |
17.0 |
SCF3-4MAN |
6 |
¼ |
37.6 |
12.9 |
17.7 |
15.3 |
4.8 |
19 |
14 |
30.2 |
1.6 |
9.5 |
5.5 |
17.0 |
SCF6-4MAN |
6 |
3/8 |
37.6 |
14.1 |
17.7 |
15.3 |
4.8 |
24 |
14 |
30.2 |
1.6 |
10.0 |
6.5 |
20.3 |
SCF6MAN |
6 |
½ |
43.5 |
18.9 |
17.7 |
15.3 |
4.8 |
27 |
14 |
36.1 |
1.6 |
14.5 |
7.0 |
24.9 |
SCF6-8MAN |
8 |
¼ |
38.5 |
12.9 |
18.6 |
16.2 |
5.5 |
19 |
16 |
31.0 |
1.6 |
9.5 |
5.5 |
- |
SCF8-4MAN |
8 |
3/8 |
36.2 |
14.1 |
18.6 |
16.2 |
6.5 |
24 |
16 |
28.7 |
1.6 |
10.0 |
6.5 |
- |
SCF8-6MAN |
8 |
½ |
41.0 |
18.9 |
18.6 |
16.2 |
7.1 |
27 |
16 |
33.5 |
1.6 |
14.5 |
7.0 |
- |
SCF8MAN |
10 |
¼ |
39.4 |
19.5 |
19.5 |
17.2 |
5.5 |
19 |
19 |
31.8 |
1.6 |
9.5 |
5.5 |
- |
SCF10-4MAN |
10 |
3/8 |
38.8 |
19.5 |
19.5 |
17.2 |
6.5 |
24 |
19 |
31.2 |
1.6 |
10.0 |
6.5 |
- |
SCF10-6MAN |
10 |
½ |
42.1 |
19.5 |
19.5 |
17.2 |
7.1 |
27 |
19 |
34.5 |
1.6 |
14.5 |
7.0 |
- |
SCF10-8MAN |
12 |
¼ |
41.9 |
12.9 |
22.0 |
22.8 |
5.5 |
22 |
22 |
31.8 |
1.6 |
9.5 |
5.5 |
- |
SCF12-4MAN |
12 |
3/8 |
44.4 |
14.1 |
22.0 |
22.8 |
6.5 |
24 |
22 |
34.3 |
1.6 |
10.0 |
6.5 |
- |
SCF12-6MAN |
12 |
½ |
48.2 |
18.9 |
22.0 |
22.8 |
7.1 |
27 |
22 |
38.1 |
1.6 |
14.5 |
7.0 |
- |
SCF12-8MAN |

T
TUBE
OD |
P
NPT
FEMALE |
A |
B |
C |
D |
E |
F A/F |
G A/F |
Hx |
Hy |
KAZAF
PART No. |
1/8 |
1/8 |
24.6 |
10.4 |
15.3 |
12.7 |
2.4 |
14 |
11 |
18.0 |
19.0 |
2SEF-N |
1/8 |
¼ |
27.4 |
15.0 |
15.3 |
12.7 |
2.4 |
19 |
11 |
20.8 |
22.4 |
2-4SEF-N |
¼ |
1/8 |
26.9 |
10.4 |
17.8 |
15.3 |
4.8 |
14 |
14 |
19.6 |
19.0 |
4-2SEF-N |
¼ |
¼ |
29.7 |
15.0 |
17.8 |
15.3 |
4.8 |
19 |
14 |
22.4 |
22.4 |
4SEF-N |
¼ |
3/8 |
31.8 |
15.0 |
17.8 |
15.3 |
4.8 |
22 |
14 |
24.4 |
22.4 |
4-6SEF—N |
¼ |
½ |
34.6 |
19.8 |
17.8 |
15.3 |
4.8 |
27 |
14 |
27.2 |
28.5 |
4-8SEF-N |
5/16 |
1/8 |
28.7 |
10.4 |
17.8 |
15.3 |
6.3 |
19 |
14 |
21.4 |
19.1 |
5-2SEF-N |
5/16 |
¼ |
30.5 |
15.0 |
18.5 |
16.3 |
6.3 |
22 |
16 |
23.2 |
22.4 |
5-4SEF-N |
3/8 |
1/8 |
30.5 |
10.4 |
19.3 |
16.8 |
7.1 |
17 |
17 |
23.2 |
19.1 |
6-2SEF-N |
3/8 |
¼ |
31.2 |
15.0 |
19.3 |
16.8 |
7.1 |
19 |
17 |
23.9 |
22.4 |
6-4SEF-N |
3/8 |
3/8 |
33.3 |
15.0 |
19.3 |
16.8 |
7.1 |
22 |
17 |
25.9 |
22.4 |
6SEF-N |
3/8 |
½ |
36.0 |
19.8 |
19.3 |
16.8 |
7.1 |
27 |
17 |
28.7 |
28.5 |
6-8SEF-N |
½ |
¼ |
36.0 |
15.0 |
21.8 |
22.9 |
7.1 |
22 |
22 |
25.9 |
22.4 |
8-4SEF-N |
½ |
3/8 |
36.0 |
15.0 |
21.8 |
22.9 |
10.4 |
22 |
22 |
25.9 |
22.4 |
8-6SEF-N |
½ |
½ |
38.9 |
19.8 |
21.8 |
22.9 |
10.4 |
27 |
22 |
28.7 |
28.5 |
8SEF-N |
5/8 |
3/8 |
38.1 |
15.0 |
21.8 |
22.9 |
12.7 |
24 |
22 |
28.0 |
22.4 |
10-6SEF-N |
5/8 |
½ |
39.9 |
19.8 |
21.8 |
24.4 |
12.7 |
27 |
25 |
29.7 |
28.5 |
10-8SEF-N |
¾ |
½ |
39.9 |
19.8 |
21.8 |
24.4 |
15.8 |
27 |
28.5 |
29.7 |
28.5 |
12-8SEF-N |
¾ |
¾ |
44.7 |
20.6 |
21.8 |
24.4 |
15.8 |
35 |
28.5 |
34.6 |
31.8 |
12SEF-N |
7/8 |
¾ |
44.7 |
20.6 |
21.8 |
25.9 |
18.2 |
35 |
32 |
34.6 |
31.8 |
14-12SEF-N |
1 |
¾ |
49.0 |
20.6 |
26.4 |
31.2 |
22.3 |
35 |
38 |
36.8 |
31.8 |
16-12SEF-N |
1 |
1 |
53.6 |
25.4 |
26.4 |
31.2 |
22.3 |
41 |
38 |
41.4 |
38.1 |
16SEF-N |
T
TUBE
OD |
P
NPT
FEMALE |
A |
B |
C |
D |
E |
F
A/F |
G
A/F |
Hx |
Hy |
KAZAF
PART No. |
3 |
1/8 |
24.6 |
10.4 |
15.3 |
12.9 |
2.4 |
14 |
11 |
18.0 |
19.0 |
SEF 3-2N |
3 |
¼ |
27.4 |
15.0 |
15.3 |
12.9 |
2.4 |
19 |
11 |
20.8 |
22.4 |
SEF 3-4N |
6 |
1/8 |
27.0 |
10.4 |
17.7 |
15.3 |
4.8 |
14 |
14 |
19.6 |
19.0 |
SEF 6-2N |
6 |
¼ |
29.8 |
15.0 |
17.7 |
15.3 |
4.8 |
19 |
14 |
22.4 |
22.4 |
SEF 6-4N |
6 |
½ |
34.6 |
19.8 |
17.7 |
15.3 |
4.8 |
27 |
14 |
27.2 |
28.5 |
SEF 6-8N |
8 |
¼ |
30.6 |
15.0 |
18.6 |
16.2 |
6.3 |
19 |
16 |
23.1 |
22.4 |
SEF 8-4N |
8 |
3/8 |
32.6 |
15.0 |
18.6 |
16.2 |
6.3 |
22 |
16 |
25.1 |
22.4 |
SEF 8-6N |
10 |
¼ |
33.5 |
15.0 |
19.5 |
17.2 |
7.9 |
19 |
19 |
25.9 |
22.4 |
SEF 10-4N |
10 |
3/8 |
33.5 |
15.0 |
19.5 |
17.2 |
7.9 |
22 |
19 |
25.9 |
22.4 |
SEF 10-6N |
12 |
¼ |
36.0 |
15.0 |
22.0 |
22.8 |
9.5 |
22 |
22 |
25.9 |
22.4 |
SEF 12-4N |
12 |
3/8 |
36.0 |
15.0 |
22.0 |
22.8 |
9.5 |
22 |
22 |
25.9 |
22.4 |
SEF 12-6N |
12 |
½ |
38.8 |
19.8 |
22.0 |
22.8 |
9.5 |
27 |
22 |
28.7 |
28.5 |
SEF 12-8N |
16 |
½ |
39.5 |
19.8 |
22.0 |
24.4 |
12.7 |
27 |
25 |
29.7 |
28.5 |
SEF 16-8N |
25 |
¾ |
49.0 |
20.6 |
26.5 |
31.3 |
22.3 |
35 |
38 |
36.8 |
31.8 |
SEF 25-12N |
25 |
1 |
53.6 |
25.4 |
26.5 |
31.3 |
22.3 |
41 |
38 |
41.4 |
38.1 |
SEF 25-16N |
 
T
TUBE
OD |
P
NPT
FEMALE |
A |
Ax |
B |
C |
D |
E |
F
A/F |
G
A/F |
H |
Hx |
Hy |
KAZAF
PART No. |
1/8 |
1/8 |
43.6 |
24.6 |
10.4 |
15.3 |
12.7 |
2.4 |
14 |
11 |
37.0 |
18.0 |
19.0 |
2STRF-N |
¼ |
1/8 |
45.9 |
26.9 |
10.4 |
17.8 |
15.3 |
4.8 |
14 |
14 |
38.6 |
19.6 |
19.0 |
4-2STRF-N |
¼ |
¼ |
52.1 |
29.7 |
15.0 |
17.8 |
15.3 |
4.8 |
19 |
14 |
44.8 |
22.4 |
22.4 |
4STRF-N |
3/8 |
¼ |
53.6 |
31.2 |
15.0 |
19.3 |
16.8 |
7.1 |
19 |
17 |
46.3 |
23.9 |
22.4 |
6-4STRF-N |
3/8 |
3/8 |
55.7 |
33.3 |
15.0 |
19.3 |
16.8 |
7.1 |
22 |
17 |
48.3 |
25.9 |
22.4 |
6STRF-N |
½ |
3/8 |
58.4 |
36.0 |
15.0 |
21.8 |
22.9 |
10.4 |
22 |
22 |
48.3 |
25.9 |
22.4 |
8-6STRF-N |
½ |
½ |
67.4 |
38.9 |
19.8 |
21.8 |
22.9 |
10.4 |
27 |
22 |
57.2 |
28.7 |
28.5 |
8STRF-N |
¾ |
¾ |
76.5 |
44.7 |
20.6 |
21.8 |
24.4 |
15.8 |
35 |
28.5 |
66.4 |
34.6 |
31.8 |
12STRF-N |
1 |
¾ |
80.8 |
49.0 |
20.6 |
26.4 |
31.2 |
22.3 |
35 |
38 |
68.6 |
36.8 |
31.8 |
16-12STRF-N |
1 |
1 |
91.7 |
53.6 |
25.4 |
26.4 |
31.2 |
22.3 |
41 |
38 |
79.5 |
41.4 |
38.1 |
16STRF-N |
T
TUBE OD |
P
NPT
FEMALE |
A |
A |
B |
C |
D |
E |
F
A/F |
G
A/F |
H |
Hx |
Hy |
KAZAF
PART No. |
3 |
1/8 |
43.6 |
24.6 |
10.4 |
15.3 |
12.9 |
2.4 |
14 |
11 |
37.0 |
18.0 |
19.0 |
STRF3-2N |
6 |
1/8 |
46.0 |
27.0 |
10.4 |
17.7 |
15.3 |
4.8 |
14 |
14 |
38.6 |
19.6 |
19.0 |
STRF6-2N |
6 |
¼ |
52.2 |
29.8 |
15.0 |
17.7 |
15.3 |
4.8 |
19 |
14 |
44.8 |
22.4 |
22.4 |
STRF6-4N |
8 |
1/8 |
48.9 |
29.9 |
10.4 |
18.6 |
16.2 |
6.3 |
16 |
16 |
41.4 |
22.4 |
19.0 |
STRF8-2N |
8 |
¼ |
53.0 |
30.6 |
15.0 |
18.6 |
16.2 |
6.3 |
19 |
16 |
45.5 |
23.1 |
22.4 |
STRF8-4N |
10 |
¼ |
55.9 |
33.5 |
15.0 |
19.5 |
17.2 |
7.9 |
19 |
19 |
48.3 |
25.9 |
22.4 |
STRF10-4N |
12 |
3/8 |
58.4 |
36.0 |
15.0 |
22.0 |
22.8 |
9.5 |
22 |
22 |
48.3 |
25.9 |
22.4 |
STRF12-6N |
12 |
½ |
67.3 |
38.8 |
19.8 |
22.0 |
22.8 |
9.5 |
27 |
22 |
57.2 |
28.7 |
28.5 |
STRF12-8N |
16 |
½ |
68.0 |
39.5 |
19.8 |
22.0 |
24.4 |
12.7 |
27 |
25 |
58.2 |
29.7 |
28.5 |
STRF16-8N |
25 |
1 |
91.7 |
53.6 |
25.4 |
26.5 |
31.3 |
22.3 |
41 |
38 |
79.5 |
41.4 |
38.1 |
STRF25-16N |
 
T
TUBE
OD |
P
NPT
FEMALE |
A |
Ax |
B |
C |
D |
E |
F A/F |
G A/F |
H |
Hx |
Hy |
KAZAF
PART No. |
1/8 |
1/8 |
49.2 |
24.6 |
10.4 |
15.3 |
12.7 |
2.4 |
14 |
11 |
36.0 |
18.0 |
19.0 |
2STBF-N |
¼ |
1/8 |
53.8 |
26.9 |
10.4 |
17.8 |
15.3 |
4.8 |
14 |
14 |
39.2 |
19.6 |
19.0 |
4-2STBF-N |
¼ |
¼ |
59.4 |
29.7 |
15.0 |
17.8 |
15.3 |
4.8 |
19 |
14 |
44.8 |
22.4 |
22.4 |
4STBF-N |
3/8 |
¼ |
62.4 |
31.2 |
15.0 |
19.3 |
16.8 |
7.1 |
19 |
17 |
47.8 |
23.9 |
22.4 |
6-4STBF-N |
3/8 |
3/8 |
66.6 |
33.3 |
15.0 |
19.3 |
16.8 |
7.1 |
22 |
17 |
51.8 |
25.9 |
22.4 |
6STBF-N |
½ |
3/8 |
72.0 |
36.0 |
15.0 |
21.8 |
22.9 |
10.4 |
22 |
22 |
51.8 |
25.9 |
22.4 |
8-6STBF-N |
½ |
½ |
77.8 |
38.9 |
19.8 |
21.8 |
22.9 |
10.4 |
27 |
22 |
57.4 |
28.7 |
28.5 |
8STBF-N |
¾ |
¾ |
89.4 |
44.7 |
20.6 |
21.8 |
24.4 |
15.8 |
35 |
28.5 |
69.2 |
34.6 |
31.8 |
12STBF-N |
1 |
¾ |
98.0 |
49.0 |
20.6 |
26.4 |
31.2 |
22.3 |
35 |
38 |
73.6 |
36.8 |
31.8 |
16-12STBF-N |
1 |
1 |
107.2 |
53.6 |
25.4 |
26.4 |
31.2 |
22.3 |
41 |
38 |
82.8 |
41.4 |
38.1 |
16STBF-N |
|
T
TUBE
OD |
P
NPT
FEMALE |
A |
A |
B |
C |
D |
E |
F
A/F |
G
A/F |
H |
Hx |
Hy |
KAZAF
PART No. |
3 |
1/8 |
49.2 |
24.6 |
10.4 |
15.3 |
12.9 |
2.4 |
14 |
11 |
36.0 |
18.0 |
19.0 |
STBF3-2N |
6 |
1/8 |
54.0 |
27.0 |
10.4 |
17.7 |
15.3 |
4.8 |
14 |
14 |
39.2 |
19.6 |
19.0 |
STBF6-2N |
6 |
¼ |
59.6 |
29.8 |
15.0 |
17.7 |
15.3 |
4.8 |
19 |
14 |
44.8 |
22.4 |
22.4 |
STBF6-4N |
8 |
1/8 |
59.8 |
29.9 |
10.4 |
18.6 |
16.2 |
6.3 |
16 |
16 |
44.8 |
22.4 |
19.0 |
STBF8-2N |
8 |
¼ |
61.2 |
30.6 |
15.0 |
18.6 |
16.2 |
6.3 |
19 |
16 |
46.2 |
23.1 |
22.4 |
STBF8-4N |
10 |
¼ |
67.0 |
33.5 |
15.0 |
19.5 |
17.2 |
7.9 |
19 |
19 |
51.8 |
25.9 |
22.4 |
STBF10-4N |
12 |
3/8 |
72.0 |
36.0 |
15.0 |
22.0 |
22.8 |
9.5 |
22 |
22 |
51.8] |
25.9 |
22.4 |
STBF12-6N |
12 |
½ |
77.6 |
38.8 |
19.8 |
22.0 |
22.8 |
9.5 |
27 |
22 |
57.4 |
28.7 |
28.5 |
STBF12-8N |
16 |
½ |
79.0 |
39.5 |
19.8 |
22.0 |
24.4 |
12.7 |
27 |
25 |
59.4 |
29.7 |
28.5 |
STBF16-8N |
25 |
1 |
107.2 |
53.6 |
25.4 |
26.5 |
31.3 |
22.3 |
41 |
38 |
82.8 |
41.4 |
38.1 |
STBF25-16N |
UNION
 
T
TUBE OD |
A |
C |
D |
E |
F
A/F |
G
A/F |
H |
KAZAF PART No. |
1/16 |
25.1 |
11.0 |
8.6 |
1.3 |
8 |
8 |
17.5 |
1SC |
1/8 |
35.6 |
15.3 |
12.7 |
2.4 |
11 |
11 |
22.4 |
2SC |
¼ |
40.9 |
17.8 |
15.3 |
4.8 |
14 |
14 |
26.2 |
4SC |
5/16 |
42.9 |
18.5 |
16.3 |
6.3 |
14 |
16 |
28.2 |
5SC |
3/8 |
45.0 |
19.3 |
16.8 |
7.1 |
16 |
17 |
30.2 |
6SC |
½ |
51.3 |
21.8 |
22.9 |
10.4 |
22 |
22 |
31.0 |
8SC |
5/8 |
52.0 |
21.8 |
24.4 |
12.7 |
24 |
25 |
31.8 |
10SC |
¾ |
53.6 |
21.8 |
24.4 |
15.8 |
27 |
28.5 |
33.3 |
12SC |
7/8 |
55.2 |
21.8 |
25.9 |
18.2 |
30 |
32 |
34.8 |
14SC |
1 |
64.8 |
26.4 |
31.2 |
22.3 |
35 |
38 |
40.4 |
16SC |
1.1/4 |
92.2 |
38.9 |
41.2 |
27.6 |
46 |
50 |
48.0 |
20SC |
1.1/2 |
108.0 |
45.2 |
50.0 |
34.0 |
55 |
60 |
53.6 |
24SC |
T
TUBE OD |
A |
C |
D |
E |
F
A/F |
G
A/F |
H |
KAZAF
PART No. |
3 |
35.3 |
15.3 |
12.9 |
2.4 |
11 |
11 |
22.1 |
SC-3 |
6 |
41.0 |
17.7 |
15.3 |
4.8 |
14 |
14 |
24.1 |
SC-6 |
8 |
43.2 |
18.6 |
16.2 |
6.3 |
16 |
16 |
26.2 |
SC-8 |
10 |
46.2 |
19.5 |
17.2 |
7.9 |
17 |
19 |
28.2 |
SC-10 |
12 |
51.2 |
22.0 |
22.8 |
9.5 |
22 |
22 |
31.0 |
SC-12 |
14 |
52.0 |
22.0 |
24.4 |
11.1 |
24 |
25 |
31.0 |
SC-14 |
15 |
52.0 |
22.0 |
24.4 |
11.9 |
24 |
25 |
31.8 |
SC-15 |
16 |
52.0 |
22.0 |
24.4 |
12.7 |
24 |
25 |
31.8 |
SC-16 |
18 |
53.5 |
22.0 |
24.4 |
15.1 |
27 |
30 |
33.3 |
SC-18 |
20 |
55.0 |
22.0 |
26.0 |
15.9 |
30 |
32 |
34.8 |
SC-20 |
22 |
55.0 |
22.0 |
26.0 |
18.3 |
30 |
32 |
34.8 |
SC-22 |
25 |
65.0 |
26.5 |
31.3 |
21.8 |
35 |
38 |
40.4 |
SC-25 |
28 |
85.0 |
36.6 |
36.6 |
21.8 |
41 |
46 |
43.4 |
SC-28 |
30 |
92.7 |
39.2 |
39.6 |
26.2 |
46 |
50 |
49.5 |
SC-30 |
32 |
97.3 |
41.6 |
42.0 |
28.6 |
46 |
50 |
51.3 |
SC-32 |
38 |
113.6 |
47.9 |
49.4 |
33.7 |
55 |
60 |
58.4 |
SC-38 |
 
T
TUBE
OD |
Tx
TUBE
OD |
A |
C |
Cx |
D |
Dx |
E |
F
A/F |
G
A/F |
Gx
A/F |
H |
KAZAF
PART No. |
¼ |
1/8 |
38.6 |
17.8 |
15.3 |
15.3 |
12.7 |
2.4 |
14 |
14 |
11 |
24.6 |
4-2SCR |
5/16 |
1/8 |
39.6 |
18.6 |
15.3 |
16.3 |
12.7 |
2.4 |
14 |
16 |
11 |
25.7 |
5-2SCR |
5/16 |
¼ |
42.2 |
18.6 |
17.8 |
16.3 |
15.3 |
4.8 |
14 |
16 |
14 |
27.5 |
5-4SCR |
3/8 |
1/8 |
40.9 |
19.3 |
15.3 |
16.8 |
12.7 |
2.4 |
16 |
17 |
11 |
26.9 |
6-2SCR |
3/8 |
¼ |
43.2 |
19.3 |
17.8 |
16.8 |
15.3 |
4.8 |
16 |
17 |
14 |
28.5 |
6-4SCR |
½ |
1/8 |
45.2 |
21.8 |
15.3 |
22.9 |
12.7 |
2.4 |
22 |
22 |
11 |
28.5 |
8-2SCR |
½ |
¼ |
47.0 |
21.8 |
17.8 |
22.9 |
15.3 |
4.8 |
22 |
22 |
14 |
29.5 |
8-4SCR |
½ |
3/8 |
48.5 |
21.8 |
19.3 |
22.9 |
16.8 |
7.1 |
22 |
22 |
17 |
31.0 |
8-6SCR |
5/8 |
3/8 |
49.3 |
21.8 |
19.3 |
24.4 |
16.8 |
7.1 |
24 |
25 |
17 |
31.8 |
10-6SCR |
5/8 |
½ |
52.0 |
21.8 |
21.8 |
24.4 |
22.9 |
10.4 |
24 |
25 |
22 |
31.8 |
10-8SCR |
¾ |
¼ |
49.3 |
21.8 |
17.8 |
24.4 |
15.3 |
4.8 |
27 |
28.5 |
14 |
31.8 |
12-4SCR |
¾ |
3/8 |
50.8 |
21.8 |
19.3 |
24.4 |
16.8 |
7.1 |
27 |
28.5 |
17 |
33.3 |
12-6SCR |
¾ |
½ |
53.6 |
21.8 |
21.8 |
24.4 |
22.9 |
10.4 |
27 |
28.5 |
22 |
33.3 |
12-8SCR |
1 |
½ |
60.5 |
26.5 |
21.8 |
31.2 |
22.9 |
10.4 |
35 |
38 |
22 |
38.1 |
16-8SCR |
1 |
¾ |
60.5 |
26.5 |
21.8 |
31.2 |
24.4 |
15.8 |
35 |
38 |
28.5 |
38.1 |
16-12SCR |
1.1/4 |
1 |
92.2 |
38.9 |
26.4 |
41.2 |
31.2 |
22.3 |
45 |
50 |
38 |
48.0 |
20-16SCR |
1.1/2 |
1.1/4 |
60.5 |
26.5 |
21.8 |
31.2 |
24.4 |
15.8 |
35 |
38 |
50 |
53.6 |
24-20SCR |
T
TUBE
OD |
Tx
TUBE
OD |
A |
C |
Cx |
D |
Dx |
E |
F
A/F |
G
A/F |
Gx
A/F |
H |
KAZAF
PART No. |
6 |
3 |
38.6 |
17.7 |
15.3 |
15.3 |
12.9 |
2.4 |
14 |
14 |
11 |
24.6 |
SCR6-3 |
8 |
6 |
42.3 |
18.6 |
17.7 |
16.2 |
15.3 |
4.8 |
14 |
16 |
14 |
27.4 |
SCR8-6 |
10 |
6 |
44.5 |
19.5 |
17.7 |
17.2 |
15.3 |
4.8 |
17 |
19 |
14 |
29.5 |
SCR10-6 |
10 |
8 |
45.1 |
19.5 |
18.6 |
17.2 |
16.2 |
6.3 |
17 |
19 |
16 |
30.0 |
SCR10-8 |
12 |
6 |
47.0 |
22.0 |
17.7 |
22.8 |
15.3 |
4.8 |
22 |
22 |
14 |
29.5 |
SCR12-6 |
12 |
8 |
47.8 |
22.0 |
18.6 |
22.8 |
16.2 |
6.4 |
22 |
22 |
16 |
30.2 |
SCR12-8 |
12 |
10 |
48.7 |
22.0 |
19.5 |
22.8 |
17.2 |
7.9 |
22 |
22 |
19 |
31.0 |
SCR12-10 |
16 |
10 |
49.5 |
22.0 |
19.5 |
24.4 |
17.2 |
7.9 |
24 |
25 |
19 |
31.8 |
SCR16-10 |
16 |
12 |
52.0 |
22.0 |
22.0 |
24.4 |
22.8 |
9.5 |
24 |
25 |
22 |
31.8 |
SCR16-12 |
22 |
18 |
55.0 |
22.0 |
22.0 |
26.0 |
24.4 |
15.1 |
30 |
32 |
30 |
34.8 |
SCR22-18 |
22 |
20 |
55.0 |
22.0 |
22.0 |
26.0 |
26.6 |
15.9 |
30 |
32 |
32 |
34.8 |
SCR22-20 |
25 |
12 |
65.0 |
26.5 |
22.0 |
31.3 |
22.8 |
9.5 |
35 |
38 |
22 |
40.4 |
SCR25-12 |
25 |
20 |
65.0 |
26.5 |
22.0 |
31.3 |
26.0 |
15.9 |
35 |
38 |
32 |
40.4 |
SCR25-20 |
30 |
20 |
75.4 |
39.2 |
22.0 |
39.6 |
26.0 |
15.9 |
45 |
50 |
32 |
43.7 |
SCR30-20 |
30 |
25 |
80.1 |
39.2 |
26.5 |
39.6 |
31.3 |
21.8 |
45 |
50 |
38 |
46.2 |
SCR30-25 |
32 |
20 |
77.8 |
41.6 |
22.0 |
42.0 |
26.0 |
15.9 |
45 |
50 |
32 |
44.7 |
SCR32-20 |
32 |
25 |
82.3 |
41.6 |
26.5 |
42.0 |
31.3 |
21.8 |
45 |
50 |
38 |
47.0 |
SCR32-25 |
38 |
20 |
92.0 |
47.9 |
26.5 |
49.4 |
31.3 |
21.8 |
55 |
60 |
38 |
52.1 |
SCR38-20 |
38 |
25 |
104.6 |
47.9 |
39.2 |
49.4 |
39.6 |
26.2 |
55 |
60 |
50 |
55.4 |
SCR38-25 |
 
T
TUBE
OD |
A |
Ax |
C |
D |
E |
F
A/F |
G
A/F |
H |
Hx |
Panel
Hole
Drill
Size |
Max.
Panel
Thick-
ness |
KAZAF
PART No. |
1/16 |
31.5 |
17.3 |
11.0 |
8.6 |
1.3 |
11 |
8 |
23.8 |
13.5 |
5.2 |
3.0 |
1SCB |
1/8 |
51.3 |
31.2 |
15.3 |
12.7 |
2.4 |
11 |
11 |
38.1 |
24.6 |
8.3 |
12.7 |
2SCB |
¼ |
57.6 |
33.6 |
17.8 |
15.3 |
4.8 |
16 |
14 |
43.0 |
26.2 |
11.5 |
10.1 |
4SCB |
5/16 |
60.7 |
35.8 |
18.5 |
16.3 |
6.3 |
17 |
16 |
46.0 |
28.5 |
13.0 |
11.1 |
5SCB |
3/8 |
62.2 |
36.8 |
19.3 |
7.1 |
7.1 |
22 |
17 |
47.5 |
29.5 |
14.6 |
11.1 |
6SCB |
½ |
71.1 |
41.9 |
21.8 |
22.9 |
10.4 |
24 |
22 |
50.8 |
31.8 |
19.5 |
12.7 |
8SCB |
5/8 |
72.6 |
42.7 |
21.8 |
24.4 |
12.7 |
27 |
25 |
52.3 |
32.5 |
22.6 |
12.7 |
10SCB |
¾ |
79.0 |
47.5 |
21.8 |
24.4 |
16.0 |
30 |
28.5 |
58.6 |
37.4 |
25.8 |
16.8 |
12SCB |
1 |
95.6 |
57.4 |
26.4 |
31.2 |
22.3 |
35 |
38 |
71.3 |
45.2 |
33.7 |
19.0 |
16SCB |
1.1/4 |
123.2 |
69.9 |
38.9 |
41.2 |
27.6 |
50 |
50 |
79.0 |
47.7 |
41.6 |
19.0 |
20SCB |
1.1/2 |
139.2 |
76.4 |
45.2 |
50.0 |
34.0 |
60 |
60 |
84.8 |
49.3 |
49.6 |
19.0 |
24SCB |
T
TUBE
OD |
A |
Ax |
C |
D |
E |
F
A/F |
G
A/F |
H |
Hx |
Panel
Hole
Drill
Size |
Max.
Panel
Thick-
ness |
KAZAF
PART No. |
3 |
51.3 |
31.2 |
15.3 |
12.9 |
2.4 |
14 |
11 |
38.1 |
24.6 |
8.3 |
12.7 |
SCB-3 |
6 |
57.7 |
33.6 |
17.7 |
15.3 |
4.8 |
16 |
14 |
42.9 |
26.2 |
11.5 |
10.2 |
SCB-6 |
8 |
61.0 |
36.1 |
18.6 |
16.2 |
6.3 |
17 |
16 |
46.0 |
28.6 |
13.1 |
11.2 |
SCB-8 |
10 |
63.7 |
37.0 |
19.5 |
17.2 |
7.9 |
22 |
19 |
48.5 |
29.4 |
16.3 |
11.2 |
SCB-10 |
12 |
71.0 |
41.9 |
22.0 |
22.8 |
9.5 |
24 |
22 |
50.8 |
31.8 |
19.5 |
12.7 |
SCB-12 |
14 |
72.5 |
42.6 |
22.0 |
24.4 |
11.1 |
27 |
25 |
52.3 |
32.5 |
22.5 |
12.7 |
SCB-14 |
15 |
72.5 |
42.6 |
22.0 |
24.4 |
11.9 |
27 |
25 |
52.3 |
32.5 |
22.8 |
12.7 |
SCB-15 |
16 |
72.5 |
42.6 |
22.0 |
24.4 |
12.7 |
27 |
25 |
52.3 |
32.5 |
22.8 |
12.7 |
SCB-16 |
18 |
78.9 |
47.4 |
22.0 |
24.4 |
15.1 |
30 |
30 |
58.7 |
37.3 |
26.0 |
16.8 |
SCB-18 |
20 |
84.5 |
53.0 |
22.0 |
26.0 |
15.8 |
35 |
32 |
64.3 |
42.9 |
29.0 |
19.0 |
SCB-20 |
25 |
95.6 |
57.4 |
26.4 |
31.2 |
22.3 |
35 |
38 |
71.3 |
45.2 |
33.7 |
19.0 |
SCB-25 |
30 |
123.7 |
70.2 |
39.2 |
39.6 |
26.2 |
50 |
46 |
80.5 |
48.6 |
40.5 |
19.0 |
SCB-30 |
32 |
128.3 |
72.5 |
41.6 |
42.0 |
27.6 |
50 |
50 |
82.3 |
49.5 |
42.5 |
19.0 |
SCB-32 |
38 |
144.6 |
79.1 |
47.9 |
49.4 |
33.7 |
60 |
60 |
89.4 |
51.5 |
50.5 |
19.0 |
SCB-38 |
|
 
T
TUBE OD |
Tx
TUBE OD |
A |
Ax |
Cx |
D |
Dx |
E |
F A/F |
G A/F |
Gx A/F |
H |
Hx |
Panel
Hole
Drill
Size |
Max.
Panel
Thick-
ness |
KAZAF
PART No. |
¼ |
1/8 |
55.2 |
33.5 |
15.3 |
15.3 |
12.7 |
2.4 |
16 |
14 |
11 |
41.2 |
26.2 |
11.5 |
10.2 |
4-2SCRB |
3/8 |
¼ |
60.7 |
36.6 |
17.8 |
16.8 |
15.3 |
4.8 |
22 |
17 |
14 |
46.0 |
29.5 |
14.6 |
11.2 |
6-4SCRB |
½ |
¼ |
66.8 |
41.9 |
17.8 |
22.4 |
15.3 |
4.8 |
24 |
22 |
14 |
49.2 |
31.8 |
19.5 |
12.7 |
8-4SCRB |
½ |
3/8 |
66.8 |
41.9 |
17.8 |
22.4 |
16.8 |
7.1 |
24 |
22 |
17 |
49.2 |
31.8 |
19.5 |
12.7 |
8-6SCRB |
T
TUBE OD |
Tx
TUBE OD |
A |
Ax |
Cx |
D |
Dx |
E |
F A/F |
G A/F |
Gx A/F |
H |
Hx |
Panel Hol1e Drill
Size |
Max.
Panel
Thick-
ness |
KAZAF PART No. |
6 |
3 |
56.0 |
33.6 |
17.7 |
15.3 |
12.9 |
2.4 |
16 |
14 |
11 |
41.2 |
26.2 |
11.5 |
10.2 |
SCRB-6-3 |
8 |
6 |
61.0 |
36.1 |
18.6 |
16.2 |
15.3 |
4.8 |
17 |
16 |
14 |
48.0 |
28.6 |
13.1 |
11.2 |
SCRB-8-6 |
10 |
6 |
63.7 |
37.0 |
19.5 |
17.2 |
15.3 |
4.8 |
22 |
19 |
14 |
48.5 |
29.4 |
16.3 |
11.2 |
SCRB-10-6 |
12 |
6 |
71.0 |
41.9 |
22.0 |
22.8 |
15.3 |
4.8 |
24 |
22 |
14 |
50.8 |
31.8 |
19.5 |
12.7 |
SCRB-12-6 |
12 |
10 |
71.0 |
41.9 |
22.0 |
22.8 |
17.2 |
7.9 |
24 |
22 |
17 |
50.8 |
31.8 |
19.5 |
12.7 |
SCRB-12-10 |
 
T
TUBE OD |
A |
C |
D |
E |
F
A/F |
G
A/F |
H |
KAZAF
PART No. |
1/16 |
17.8 |
11.0 |
8.6 |
1.3 |
11 |
8 |
14.0 |
1 SE |
1/8 |
22.4 |
15.3 |
12.7 |
2.4 |
11 |
11 |
15.8 |
2 SE |
¼ |
26.9 |
17.8 |
15.3 |
4.8 |
14 |
14 |
19.6 |
4 SE |
5/16 |
28.7 |
18.5 |
16.3 |
6.3 |
16 |
16 |
21.3 |
5 SE |
3/8 |
30.5 |
19.3 |
16.8 |
7.1 |
17 |
17 |
23.2 |
6 SE |
½ |
36.0 |
21.8 |
22.9 |
10.4 |
22 |
22 |
25.9 |
8 SE |
5/8 |
38.1 |
21.8 |
24.4 |
12.7 |
24 |
25 |
27.9 |
10 SE |
¾ |
39.9 |
21.8 |
24.4 |
15.8 |
27 |
28.5 |
29.7 |
12 SE |
7/8 |
44.7 |
21.8 |
25.9 |
18.2 |
35 |
32 |
34.6 |
14 SE |
1 |
49.0 |
26.4 |
31.2 |
22.3 |
35 |
38 |
36.8 |
16 SE |
1.1/4 |
66.6 |
38.9 |
41.2 |
27.6 |
46 |
50 |
44.5 |
20 SE |
1.1/2 |
78.0 |
45.2 |
50.0 |
34.0 |
55 |
57 |
50.8 |
24 SE |
|
T
TUBE OD |
A |
C |
D |
E |
F
A/F |
G
A/F |
H |
KAZAF
PART No. |
3 |
22.3 |
15.3 |
12.9 |
2.4 |
11 |
11 |
15.7 |
SE-3 |
6 |
27.0 |
17.7 |
15.3 |
4.8 |
14 |
14 |
19.6 |
SE-6 |
8 |
28.8 |
18.6 |
16.2 |
6.3 |
16 |
16 |
21.3 |
SE-8 |
10 |
31.5 |
19.5 |
17.2 |
7.9 |
17 |
19 |
23.9 |
SE-10 |
12 |
36.0 |
22.0 |
22.8 |
9.5 |
22 |
22 |
25.9 |
SE-12 |
14 |
38.0 |
22.0 |
24.4 |
11.1 |
24 |
25 |
27.9 |
SE-14 |
15 |
38.0 |
22.0 |
24.4 |
11.9 |
24 |
25 |
27.9 |
SE-15 |
16 |
38.0 |
22.0 |
24.4 |
12.7 |
24 |
25 |
27.9 |
SE-16 |
18 |
39.8 |
22.0 |
24.4 |
15.1 |
27 |
30 |
29.7 |
SE-18 |
20 |
44.6 |
22.0 |
26.0 |
15.9 |
32 |
32 |
34.5 |
SE-20 |
22 |
44.6 |
22.0 |
26.0 |
18.3 |
32 |
32 |
34.5 |
SE-22 |
25 |
49.1 |
26.5 |
31.3 |
21.8 |
35 |
38 |
36.8 |
SE-25 |
28 |
64.0 |
36.6 |
36.6 |
21.8 |
41 |
46 |
43.5 |
SE-28 |
30 |
69.9 |
39.2 |
39.6 |
26.2 |
46 |
50 |
48.3 |
SE-30 |
32 |
72.3 |
41.6 |
42.0 |
28.6 |
46 |
50 |
49.3 |
SE-32 |
38 |
84.0 |
47.9 |
49.4 |
33.7 |
55 |
60 |
56.4 |
SE-38 |
 
T
TUBE OD |
A |
Ax |
C |
D |
E |
F
A/F |
G
A/F |
H |
Hx |
KAZAF
PART No. |
1/16 |
35.6 |
17.8 |
11.0 |
8.6 |
1.3 |
11 |
8 |
28.0 |
14.0 |
1ST |
1/8 |
44.8 |
22.4 |
15.3 |
12.7 |
2.4 |
11 |
11 |
31.6 |
15.8 |
2ST |
¼ |
53.8 |
26.9 |
17.8 |
15.3 |
4.8 |
14 |
14 |
39.2 |
19.6 |
4ST |
5/16 |
57.4 |
28.7 |
18.5 |
16.3 |
6.3 |
16 |
16 |
42.6 |
21.3 |
5ST |
3/8 |
61.0 |
30.5 |
19.3 |
16.8 |
7.1 |
17 |
17 |
46.4 |
23.2 |
6ST |
½ |
72.0 |
36.0 |
21.8 |
22.9 |
10.4 |
22 |
22 |
51.8 |
25.9 |
8ST |
5/8 |
76.2 |
38.1 |
21.8 |
24.4 |
12.7 |
24 |
25 |
55.8 |
27.9 |
10ST |
¾ |
79.8 |
39.9 |
21.8 |
24.4 |
15.8 |
27 |
28.5 |
59.4 |
29.7 |
12ST |
7/8 |
89.4 |
44.7 |
21.8 |
25.9 |
18.2 |
35 |
32 |
69.2 |
34.6 |
14ST |
1 |
98.0 |
49.0 |
26.4 |
31.2 |
22.3 |
35 |
38 |
73.6 |
36.8 |
16ST |
1.1/4 |
133.2 |
66.6 |
38.9 |
41.2 |
27.6 |
46 |
50 |
89.0 |
44.5 |
20ST |
1.1/2 |
156.0 |
78.0 |
45.2 |
50.0 |
34.0 |
55 |
60 |
101.6 |
50.8 |
24ST |
T
TUBE OD |
A |
Ax |
C |
D |
E |
F
A/F |
G
A/F |
H |
Hx |
KAZAF
PART No. |
3 |
44.6 |
22.3 |
15.3 |
12.9 |
2.4 |
11 |
11 |
31.4 |
15.7 |
ST-3 |
6 |
54.0 |
27.0 |
17.7 |
15.3 |
4.8 |
14 |
14 |
39.2 |
19.6 |
ST-6 |
8 |
57.6 |
28.8 |
18.6 |
16.2 |
6.3 |
16 |
16 |
42.6 |
21.3 |
ST-8 |
10 |
63.0 |
31.5 |
19.5 |
17.2 |
7.9 |
17 |
19 |
47.8 |
23.9 |
ST-10 |
12 |
72.0 |
36.0 |
22.0 |
22.8 |
9.5 |
22 |
22 |
51.8 |
25.9 |
ST-12 |
14 |
76.0 |
38.0 |
22.0 |
24.4 |
11.1 |
24 |
25 |
55.8 |
27.9 |
ST-14 |
15 |
76.0 |
38.0 |
22.0 |
24.4 |
11.9 |
24 |
25 |
55.8 |
27.9 |
ST-15 |
16 |
76.0 |
38.0 |
22.0 |
24.4 |
12.7 |
24 |
25 |
55.8 |
27.9 |
ST-16 |
18 |
79.6 |
39.8 |
22.0 |
24.4 |
15.1 |
27 |
30 |
59.4 |
29.7 |
ST-18 |
20 |
89.2 |
44.6 |
22.0 |
26.0 |
15.9 |
32 |
32 |
69.0 |
34.5 |
ST-20 |
22 |
89.2 |
44.6 |
22.0 |
26.0 |
18.3 |
32 |
32 |
69.0 |
34.5 |
ST-22 |
25 |
98.2 |
49.1 |
26.5 |
31.3 |
21.8 |
35 |
38 |
73.6 |
36.8 |
ST-25 |
28 |
128.0 |
64.0 |
36.6 |
36.6 |
21.8 |
41 |
46 |
87.0 |
43.5 |
ST-28 |
30 |
139.8] |
69.9 |
39.2 |
39.6 |
26.2 |
46 |
50 |
96.6 |
48.3 |
ST-30 |
32 |
144.6 |
72.3 |
41.6 |
42.0 |
28.6 |
46 |
50 |
98.6 |
49.3 |
ST-32 |
38 |
168.0 |
84.0 |
47.9 |
49.4 |
33.7 |
55 |
60 |
112.8 |
56.4 |
ST-38 |

T
TUBE
OD |
Tx
TUBE
OD |
A |
Ax |
Ay |
C |
Cx |
D |
Dx |
E |
F A/F |
G A/F |
Gx A/F |
H |
Hx |
Hy |
KAZAF
PART No. |
3/8 |
¼ |
59.4 |
30.5 |
29.0 |
19.3 |
17.8 |
16.8 |
15.3 |
4.8 |
16 |
17 |
14 |
44.
7 |
23
.1 |
21
.6 |
6/4/
6STR |
 
T
TUBE OD |
A |
Ax |
C |
D |
E |
F
A/F |
G
A/F |
H |
Hx |
KAZAF PART No. |
1/8 |
44.8 |
22.4 |
15.3 |
12.7 |
2.4 |
11 |
11 |
31.6 |
15.8 |
2SK |
¼ |
53.8 |
26.9 |
17.8 |
15.3 |
4.8 |
14 |
14 |
39.2 |
19.6 |
4SK |
3/8 |
61.0 |
30.5 |
19.3 |
16.8 |
7.1 |
17 |
17 |
46.4 |
23.2 |
6SK |
½ |
72.0 |
36.0 |
21.8 |
22.9 |
10.4 |
22 |
22 |
51.8 |
25.9 |
8SK |
¾ |
79.8 |
39.9 |
21.8 |
24.4 |
15.8 |
27 |
28.5 |
59.4 |
29.7 |
12SK |
1 |
98.0 |
49.0 |
26.4 |
31.2 |
22.3 |
35 |
38 |
73.6 |
36.8 |
16SK |
T
TUBE OD |
A |
Ax |
C |
D |
E |
F
A/F |
G
A/F |
H |
Hx |
KAZAF PART No. |
3 |
44.6 |
22.3 |
15.3 |
12.9 |
2.4 |
11 |
11 |
31.4 |
15.7 |
SK-3 |
6 |
54.0 |
27.0 |
17.7 |
15.3 |
4.8 |
14 |
14 |
39.2 |
19.6 |
SK-6 |
8 |
57.6 |
28.8 |
18.6 |
16.2 |
6.3 |
16 |
16 |
42.6 |
21.3 |
SK-8 |
10 |
63.0 |
31.5 |
19.5 |
17.2 |
7.9 |
17 |
19 |
47.8 |
23.9 |
SK-10 |
12 |
72.0 |
36.0 |
22.0 |
22.8 |
9.5 |
22 |
22 |
51.8 |
25.9 |
SK-12 |
16 |
76.0 |
38.0 |
22.0 |
24.4 |
12.7 |
24 |
25 |
55.8 |
27.9 |
SK-16 |
22 |
89.2 |
44.6 |
22.0 |
26.0 |
18.3 |
32 |
32 |
69.0 |
34.5 |
SK-22 |
25 |
98.2 |
49.1 |
26.5 |
31.3 |
21.8 |
35 |
38 |
73.6 |
36.8 |
SK-25 |
 
T
TUBE OD |
A |
B |
Bx |
C |
D |
E |
F
A/F |
G
A/F |
H |
J |
KAZAF PART No. |
1/8 |
29.0 |
8.6 |
6.4 |
15.3 |
12.7 |
2.4 |
11 |
11 |
22.9 |
7.9 |
2SC-NB SW |
¼ |
33.5 |
10.4 |
7.9 |
17.8 |
5.3 |
4.8 |
14 |
14 |
26.2 |
11.2 |
4SC-NB SW |
3/8 |
37.6 |
12.0 |
9.6 |
19.3 |
16.8 |
7.1 |
16 |
17 |
30.3 |
15.8 |
6SC-NB SW |
½ |
41.2 |
12.0 |
12.7 |
21.8 |
22.9 |
10.4 |
22 |
22 |
31.0 |
19.1 |
8SC-NB SW |
¾ |
43.4 |
12.0 |
14.3 |
21.8 |
24.4 |
15.8 |
27 |
28.5 |
33.3 |
26.7 |
12SC-NB SW |
1 |
52.6 |
14.3 |
19.1 |
26.4 |
31.2 |
22.3 |
35 |
38 |
40.4 |
33.3 |
16SC-NB SW |
1.1/4 |
72.4 |
19.1 |
19.1 |
38.9 |
41.2 |
27.6 |
45 |
50 |
50.3 |
42.0 |
20SC-NB SW |
1.1/2 |
81.8 |
19.1 |
23.8 |
45.2 |
50.0 |
34.0 |
55 |
60 |
54.6 |
50.0 |
24SC-NB SW |
T
TUBE OD |
A |
B |
Bx |
C |
D |
E |
F
A/F |
G
A/F |
H |
J |
KAZAF PART No. |
3 |
29.0 |
8.6 |
6.4 |
15.3 |
12.9 |
2.4 |
11 |
11 |
22.9 |
7.9 |
SC-3-NBSW |
6 |
33.5 |
10.4 |
7.9 |
17.7 |
15.3 |
4.8 |
14 |
14 |
26.2 |
11.2 |
SC-6-NBSW |
10 |
37.6 |
12.0 |
9.6 |
19.5 |
17.2 |
7.1 |
16 |
17 |
30.3 |
15.8 |
SC-10-NBSW |
12 |
41.2 |
12.0 |
12.7 |
22.0 |
22.8 |
10.4 |
22 |
22 |
31.0 |
19.1 |
SC-12-NBSW |
20 |
43.4 |
12.0 |
14.3 |
22.0 |
26.0 |
15.8 |
27 |
28.5 |
33.3 |
26.7 |
SC-20-NBSW |
25 |
52.6 |
14.3 |
19.1 |
26.5 |
31.3 |
22.3 |
35 |
38 |
40.4 |
33.3 |
SC-25-NBSW |
32 |
72.4 |
19.1 |
19.1 |
41.6 |
42.0 |
27.6 |
45 |
50 |
50.3 |
42.0 |
SC-32-NBSW |
38 |
81.8 |
19.1 |
23.8 |
47.9 |
49.4 |
34.0 |
55 |
60 |
54.6 |
50.0 |
SC-38-NBSW |
 
T
TUBE
OD |
A |
Bx |
C |
D |
E |
F
A/F |
G
A/F |
Hx |
Hy |
J |
KAZAF
PART No. |
¼ |
27.0 |
7.9 |
17.8 |
15.3 |
4.8 |
14 |
14 |
19.6 |
19.6 |
12.7 |
4SE-NB SW |
3/8 |
30.5 |
9.6 |
19.3 |
16.8 |
7.1 |
16 |
17 |
23.1 |
23.1 |
15.8 |
6SE-NB SW |
½ |
36.0 |
12.7 |
21.8 |
22.9 |
10.4 |
22 |
22 |
25.9 |
25.9 |
20.6 |
8SE-NB SW |
¾ |
39.9 |
14.3 |
21.8 |
24.4 |
15.8 |
27 |
28.5 |
29.7 |
29.7 |
27.0 |
12SE-NB SW |
1 |
49.0 |
19.1 |
26.4 |
31.2 |
22.3 |
35 |
38 |
36.8 |
36.8 |
35.0 |
16SE-NB SW |
1.1/4 |
66.5 |
19.1 |
38.9 |
41.2 |
27.6 |
45 |
50 |
44.5 |
47.8 |
43.0 |
20SE-NB SW |
1.1/2 |
78.0 |
23.8 |
45.2 |
50.0 |
34.0 |
50 |
60 |
50.8 |
60.4 |
48.0 |
24SE-NB SW |
T
TUBE
OD |
A |
Bx |
C |
D |
E |
F
A/F |
G
A/F |
Hx |
Hy |
J |
KAZAF
PART No. |
6 |
27.0 |
7.9 |
17.7 |
15.3 |
4.8 |
14 |
14 |
19.6 |
19.6 |
12.7 |
SE-6-NBSW |
10 |
30.5 |
9.6 |
19.5 |
17.2 |
7.1 |
16 |
17 |
23.1 |
23.1 |
15.8 |
SE-10-NBSW |
12 |
36.0 |
12.7 |
22.0 |
22.8 |
10.4 |
22 |
22 |
25.9 |
25.9 |
20.6 |
SE-12-NBSW |
20 |
39.9 |
14.3 |
22.0 |
26.0 |
15.8 |
27 |
28.5 |
29.7 |
29.7 |
27.0 |
SE-20-NBSW |
25 |
49.0 |
19.1 |
26.5 |
31.3 |
22.3 |
35 |
38 |
36.8 |
36.8 |
35.0 |
SE-25-NBSW |
32 |
66.5 |
19.1 |
41.6 |
42.0 |
27.6 |
45 |
50 |
44.5 |
47.8 |
43.0 |
SE-32-NBSW |
38 |
78.0 |
23.8 |
47.9 |
49.4 |
34.0 |
50 |
60 |
50.8 |
60.4 |
48.0 |
SE-38-NBSW |

T
TUBE
OD |
PIPE
WELD
MALE |
A |
B |
C |
D |
E |
F
A/F |
G
A/F |
H |
J |
KAZAF
PART No. |
1/8 |
1/8 |
30.5 |
9.6 |
15.3 |
12.7 |
2.4 |
11 |
11 |
23.9 |
10.3 |
2SC-NB BW |
¼ |
1/8 |
32.8 |
9.6 |
17.8 |
15.3 |
4.8 |
14 |
14 |
25.4 |
10.3 |
4-2CS-NB BW |
¼ |
¼ |
37.8 |
14.3 |
17.8 |
15.3 |
4.8 |
14 |
14 |
30.5 |
13.7 |
4SC-NB BW |
5/16 |
1/8 |
34.0 |
9.6 |
18.5 |
16.3 |
5.1 |
14 |
16 |
26.7 |
10.3 |
5-2SC-NB BW |
5/16 |
¼ |
38.6 |
14.3 |
18.5 |
16.3 |
6.3 |
16 |
16 |
31.2 |
13.7 |
5-4SC-NB BW |
3/8 |
¼ |
39.9 |
14.3 |
19.3 |
16.8 |
7.1 |
16 |
17 |
32.5 |
13.7 |
6-4SC-NB BW |
3/8 |
3/8 |
39.9 |
14.3 |
19.3 |
16.8 |
7.1 |
17 |
17 |
32.5 |
17.2 |
6SC-NB BW |
3/8 |
½ |
46.3 |
19.1 |
19.3 |
16.8 |
7.1 |
22 |
17 |
38.9 |
21.3 |
6-8SC-NB BW |
½ |
3/8 |
43.4 |
14.3 |
21.8 |
22.9 |
10.4 |
22 |
22 |
33.3 |
17.2 |
8-6SC-NB BW |
½ |
½ |
49.0 |
19.1 |
21.8 |
22.9 |
10.4 |
22 |
22 |
38.9 |
21.3 |
8SC-NB BW |
½ |
¾ |
50.5 |
19.1 |
21.8 |
22.9 |
10.4 |
27 |
22 |
40.4 |
26.7 |
8-12SC-NB BW |
5/8 |
½ |
49.0 |
19.1 |
21.8 |
24.4 |
12.7 |
24 |
25 |
38.9 |
21.3 |
10-8SC-NB BW |
¾ |
¾ |
50.5 |
19.1 |
21.8 |
24.4 |
15.8 |
27 |
28.5 |
40.4 |
26.7 |
12SC-NB BW |
1 |
1 |
62.2 |
23.8 |
26.4 |
31.2 |
22.3 |
35 |
38 |
50.0 |
33.4 |
16SC-NB BW |
1.1/4 |
1.1/4 |
77.2 |
23.8 |
38.9 |
41.2 |
27.6 |
46 |
50 |
55.2 |
42.2 |
20SC-NB BW |
1.1/2 |
1.1/2 |
88.9 |
26.2 |
45.2 |
50.0 |
34 |
55 |
60 |
61.7 |
48.3 |
24SC-NB BW |
T
TUBE
OD |
PIPE
WELD
MALE |
A |
B |
C |
D |
E |
F
A/F |
G
A/F |
H |
J |
KAZAF
PART No. |
3 |
1/8 |
30.5 |
9.6 |
15.3 |
12.9 |
2.4 |
11 |
11 |
23.9 |
10.3 |
SC-NBBW-3-2 |
6 |
1/8 |
32.8 |
9.6 |
17.8 |
15.3 |
4.8 |
14 |
14 |
25.4 |
10.3 |
SC-NBBW-6-2 |
6 |
¼ |
37.9 |
14.3 |
17.8 |
15.3 |
4.8 |
14 |
14 |
30.5 |
13.7 |
SC-NBBW-6-4 |
8 |
1/8 |
34.2 |
9.6 |
18.5 |
16.3 |
5.1 |
16 |
16 |
26.7 |
10.3 |
SC-NBBW-8-2 |
8 |
¼ |
38.7 |
14.3 |
18.5 |
16.3 |
6.3 |
16 |
16 |
31.2 |
13.7 |
SC-NBBW-8-4 |
8 |
½ |
45.6 |
19.1 |
18.5 |
16.3 |
6.3 |
22 |
16 |
38.1 |
21.3 |
SC-NBBW-8 |
10 |
¼ |
40.9 |
14.3 |
19.5 |
17.2 |
7.1 |
19 |
19 |
33.3 |
13.7 |
SC-NBBW-10-4 |
10 |
3/8 |
40.9 |
14.3 |
19.5 |
17.2 |
7.9 |
19 |
19 |
33.3 |
17.2 |
SC-NB BW-10-6 |
10 |
½ |
46.5 |
19.1 |
19.5 |
17.2 |
7.9 |
22 |
19 |
38.9 |
21.3 |
SC-NBBW-10-8 |
12 |
¼ |
43.4 |
14.3 |
22.0 |
22.9 |
7.1 |
22 |
22 |
33.3 |
13.7 |
SC-NBBW-12-4 |
12 |
3/8 |
43.4 |
14.3 |
22.0 |
22.9 |
9.5 |
22 |
22 |
33.3 |
17.2 |
SC-NBBW-12-6 |
12 |
½ |
49.0 |
19.1 |
22.0 |
22.9 |
9.5 |
22 |
22 |
38.9 |
21.3 |
SC-NBBW-12 |
16 |
½ |
49.0 |
19.1 |
22.0 |
24.4 |
12.7 |
24 |
25 |
38.9 |
21.3 |
SC-NBBW-16-8 |
20 |
¾ |
52.3 |
19.1 |
22.0 |
26 |
15.9 |
30 |
32 |
42.2 |
26.7 |
SC-NBBW-20-12 |
22 |
¾ |
52.3 |
19.1 |
22.0 |
26 |
15.9 |
30 |
32 |
42.2 |
26.7 |
SC-NBBW-22-12 |
25 |
1 |
62.3 |
23.8 |
26.5 |
31.3 |
21.8 |
35 |
38 |
50.0 |
33.4 |
SC-NBBW-25-16 |
30 |
1.1/4 |
77.2 |
23.8 |
39.2 |
39.6 |
26.2 |
45 |
50 |
55.6 |
42.2 |
SC-NBBW-30-20 |
32 |
1.1/4 |
79.6 |
23.8 |
41.6 |
42.0 |
28.6 |
45 |
50 |
56.6 |
42.2 |
SC-NBBW-32-20 |
38 |
1.1/2 |
91.6 |
26.2 |
47.9 |
49.4 |
33.7 |
55 |
60 |
64.0 |
48.3 |
SC-NBBW-38-24 |
 
T
TUBE OD |
PIPE WELD MALE |
A |
B |
C |
D |
E |
F
A/F |
G
A/F |
HX |
HY |
J |
KAZAF PART No. |
¼ |
1/8 |
27.0 |
9.6 |
17.8 |
15.3 |
4.8 |
14 |
14 |
19.6 |
18.8 |
10.3 |
4-2SE-NB BW |
¼ |
¼ |
27.0 |
14.3 |
17.8 |
15.3 |
4.8 |
14 |
14 |
19.6 |
23.4 |
13.7 |
4SE-NB BW |
3/8 |
¼ |
30.5 |
14.3 |
19.3 |
16.8 |
7.1 |
16 |
17 |
23.1 |
25.9 |
13.7 |
6-4SE-NB BW |
½ |
½ |
36.0 |
19.1 |
21.8 |
22.9 |
10.4 |
22 |
22 |
25.9 |
33.0 |
21.3 |
8SE-NB BW |
¾ |
¾ |
39.9 |
19.1 |
21.8 |
24.4 |
15.8 |
27 |
28.5 |
29.7 |
36.8 |
26.7 |
12SE-NB BW |
1 |
1 |
49.0 |
23.8 |
26.4 |
31.2 |
22.3 |
35 |
38 |
36.8 |
46.5 |
33.4 |
16SE-NB BW |
1.1/4 |
1.1/4 |
66.5 |
23.8 |
38.9 |
41.2 |
27.6 |
45 |
50 |
44.5 |
47.8 |
42.2 |
20SE-NB BW |
1.1/2 |
1.1/2 |
78.0 |
26.2 |
45.2 |
50.0 |
34.0 |
50 |
60 |
50.8 |
60.5 |
48.3 |
24SE-NB BW |
 
T
TUBE
OD |
Tx
TUBE
OD |
A |
C |
D |
E |
F
A/F |
G
A/F |
H |
KAZAF
PART No. |
1/8 |
1/8 |
33.5 |
15.3 |
12.7 |
2.0 |
11 |
11 |
26.9 |
2SR |
1/8 |
¼ |
36.0 |
15.3 |
12.7 |
4.8 |
11 |
11 |
29.5 |
2-4SR |
¼ |
1/8 |
36.8 |
17.8 |
15.3 |
2.0 |
14 |
14 |
29.5 |
4-2SR |
¼ |
¼ |
39.1 |
17.8 |
15.3 |
4.8 |
14 |
14 |
31.8 |
4SR |
¼ |
3/8 |
40.6 |
17.8 |
15.3 |
4.8 |
14 |
14 |
33.3 |
4-6SR |
¼ |
½ |
46.3 |
17.8 |
15.3 |
4.8 |
14 |
14 |
38.9 |
4-8SR |
5/16 |
3/8 |
41.9 |
18.6 |
16.3 |
6.3 |
14 |
16 |
34.6 |
5-6SR |
5/16 |
½ |
46.5 |
18.6 |
16.3 |
6.3 |
14 |
16 |
40.2 |
5-8SR |
3/8 |
¼ |
41.4 |
19.3 |
16.8 |
7.1 |
16 |
17 |
34.0 |
6-4SR |
3/8 |
3/8 |
43.2 |
19.3 |
16.8 |
7.1 |
16 |
17 |
35.8 |
6SR |
3/8 |
½ |
48.5 |
19.3 |
16.8 |
7.1 |
16 |
17 |
41.2 |
6-8SR |
½ |
¼ |
45.0 |
21.8 |
22.9 |
4.8 |
22 |
22 |
34.8 |
8-4SR |
½ |
3/8 |
46.7 |
21.8 |
22.9 |
7.1 |
22 |
22 |
36.6 |
8-6SR |
½ |
½ |
52.3 |
21.8 |
22.9 |
9.9 |
22 |
22 |
42.2 |
8SR |
½ |
¾ |
53.8 |
21.8 |
22.9 |
10.4 |
22 |
22 |
43.7 |
8-12SR |
½ |
1 |
60.2 |
21.8 |
22.9 |
10.4 |
22 |
22 |
50.0 |
8-16SR |
5/8 |
¾ |
54.6 |
21.8 |
24.4 |
12.7 |
24 |
25 |
44.5 |
10-6SR |
5/8 |
7/8 |
56.2 |
21.8 |
24.4 |
12.7 |
24 |
25 |
46.0 |
10-8SR |
¾ |
½ |
54.6 |
21.8 |
24.4 |
9.9 |
27 |
28.5 |
44.5 |
12-8SR |
¾ |
1 |
62.5 |
21.8 |
24.4 |
15.8 |
27 |
28.5 |
52.3 |
12SR |
1 |
1.1/4 |
80.5 |
26.4 |
31.2 |
22.3 |
35 |
38 |
68.3 |
16-12SR |
1 |
1.1/2 |
89.2 |
26.4 |
31.2 |
22.3 |
41 |
38 |
77.0 |
16SR |
T
TUBE
OD |
Tx
TUBE
OD |
A |
C |
D |
E |
F
A/F |
G
A/F |
H |
KAZAF
PART No. |
3 |
6 |
36.1 |
15.3 |
12.9 |
2.4 |
11 |
11 |
29.5 |
SR3-6 |
3 |
10 |
38.4 |
15.3 |
12.9 |
2.4 |
14 |
11 |
31.8 |
SR3-10 |
6 |
3 |
36.9 |
17.8 |
15.3 |
1.8 |
14 |
14 |
29.5 |
SR6-3 |
6 |
8 |
39.9 |
17.8 |
15.3 |
4.8 |
14 |
14 |
32.5 |
SR6-8 |
6 |
10 |
40.7 |
17.8 |
15.3 |
4.8 |
14 |
14 |
33.3 |
SR6-10 |
6 |
12 |
46.3 |
17.8 |
15.3 |
4.8 |
14 |
14 |
38.9 |
SR6-12 |
8 |
6 |
40.3 |
18.6 |
16.2 |
4.6 |
14 |
16 |
32.8 |
SR8-6 |
8 |
10 |
42.0 |
18.6 |
16.2 |
6.4 |
14 |
16 |
34.5 |
SR8-10 |
8 |
12 |
47.6 |
18.6 |
16.2 |
6.4 |
14 |
16 |
40.1 |
SR8-12 |
10 |
6 |
42.4 |
19.5 |
17.2 |
4.6 |
17 |
17 |
34.8 |
SR10-6 |
10 |
8 |
43.4 |
19.5 |
17.2 |
6.2 |
17 |
17 |
35.8 |
SR10-8 |
10 |
12 |
49.8 |
19.5 |
17.2 |
7.9 |
17 |
17 |
42.2 |
SR10-12 |
12 |
6 |
44.9 |
22.0 |
22.8 |
4.6 |
22 |
22 |
34.8 |
SR12-6 |
12 |
8 |
45.9 |
22.0 |
22.8 |
6.2 |
22 |
22 |
35.8 |
SR12-8 |
12 |
10 |
46.7 |
22.0 |
22.8 |
7.7 |
22 |
22 |
36.6 |
SR12-10 |
12 |
16 |
53.8 |
22.0 |
22.8 |
9.5 |
22 |
22 |
43.7 |
SR12-16 |
12 |
20 |
56.1 |
22.0 |
22.8 |
9.5 |
22 |
22 |
46.0 |
SR12-20 |
12 |
22 |
56.1 |
22.0 |
22.8 |
9.5 |
24 |
22 |
46.0 |
SR12-22 |
12 |
25 |
62.4 |
22.0 |
22.8 |
9.5 |
27 |
22 |
53.3 |
SR12-25 |
16 |
12 |
53.0 |
22.0 |
24.4 |
9.1 |
24 |
25 |
42.9 |
SR16-12 |
18 |
12 |
54.6 |
22.0 |
24.4 |
9.1 |
27 |
30 |
44.5 |
SR18-12 |
18 |
16 |
56.1 |
22.0 |
24.4 |
12.7 |
27 |
30 |
46.0 |
SR18-16 |
20 |
16 |
57.9 |
22.0 |
26.0 |
12.7 |
30 |
32 |
47.8 |
SR20-16 |
20 |
25 |
64.2 |
22.0 |
26.0 |
15.8 |
30 |
32 |
54.1 |
SR20-25 |
22 |
20 |
59.4 |
22.0 |
26.0 |
15.1 |
30 |
32 |
49.3 |
SR22-20 |
22 |
25 |
64.2 |
22.0 |
26.0 |
18.3 |
30 |
32 |
54.1 |
SR22-25 |
25 |
18 |
63.1 |
26.5 |
31.3 |
13.9 |
35 |
38 |
50.8 |
SR25-18 |
25 |
20 |
64.6 |
26.5 |
31.3 |
15.1 |
35 |
38 |
52.3 |
SR25-20 |
BULKHEAD REDUCER
 
T
TUBE
OD |
Tx
TUBE
OD |
A |
Ax |
D |
E |
F A/F |
G A/F |
H |
Hx |
Panel
Hole
Drill
Size |
Max.
Panel
Thick-
ness |
KAZAF
PART No. |
1/8 |
1/8 |
49.5 |
31.3 |
12.7 |
2.0 |
11 |
11 |
43.0 |
24.6 |
8.3 |
12.7 |
2SRB |
¼ |
¼ |
55.9 |
33.5 |
15.3 |
4.8 |
16 |
14 |
48.5 |
26.2 |
11.5 |
10.2 |
4SRB |
3/8 |
3/8 |
60.8 |
36.8 |
16.8 |
7.1 |
19 |
17 |
53.8 |
29.5 |
14.7 |
11.2 |
6SRB |
½ |
½ |
72.9 |
41.9 |
22.9 |
9.9 |
24 |
22 |
62.7 |
31.8 |
19.5 |
12.7 |
8SRB |
5/8 |
5/8 |
75.2 |
42.7 |
23.6 |
12.7 |
27 |
25 |
65.0 |
32.5 |
22.6 |
12.7 |
10SRB |
1 |
1 |
100.4 |
57.4 |
31.2 |
20.3 |
35 |
38 |
88.1 |
45.2 |
33.7 |
19.1 |
16SRB |
1.1/4 |
1.1/4 |
120.7 |
69.9 |
41.2 |
27.4 |
50 |
50 |
89.9 |
47.7 |
41.6 |
19.1 |
20SRB |
1.1/2 |
1.1/2 |
127.2 |
76.4 |
50.0 |
33.0 |
60 |
60 |
100.1 |
49.3 |
49.6 |
19.1 |
24SRB |
T
TUBE
OD |
Tx
TUBE
OD |
A |
Ax |
D |
E |
|
G A/F |
H |
Hx |
Panel
Hole
Drill
Size |
Max.
Panel
Thick-
ness |
KAZAF
PART No. |
6 |
3 |
47.1 |
33.6 |
15.3 |
2.0 |
16 |
14 |
39.7 |
26.2 |
11.5 |
10.2 |
SRB- 6-3 |
6 |
12 |
56.6 |
33.6 |
15.3 |
9.1 |
16 |
14 |
49.2 |
26.2 |
11.5 |
10.2 |
SRB-6-12 |
8 |
6 |
51.8 |
36.1 |
16.2 |
4.6 |
17 |
16 |
44.3 |
28.6 |
13.1 |
11.2 |
SRB-8-6 |
8 |
12 |
59.1 |
36.1 |
16.2 |
9.1 |
17 |
16 |
51.6 |
28.6 |
13.1 |
11.2 |
SRB-8-12 |
10 |
8 |
53.7 |
37.0 |
17.2 |
6.2 |
22 |
19 |
46.1 |
29.4 |
16.3 |
11.2 |
SRB-10-8 |
10 |
12 |
60.0 |
37.0 |
17.2 |
9.1 |
22 |
19 |
52.4 |
29.4 |
16.3 |
11.2 |
SRB-10-12 |
12 |
6 |
57.6 |
41.9 |
22.8 |
4.6 |
24 |
22 |
47.5 |
31.8 |
19.5 |
12.7 |
SRB-12-6 |
12 |
10 |
59.4 |
41.9 |
22.8 |
8.2 |
24 |
22 |
49.3 |
31.8 |
19.5 |
12.7 |
SRB-12-10 |
16 |
12 |
65.6 |
42.6 |
24.4 |
9.1 |
27 |
25 |
55.5 |
32.5 |
22.8 |
12.7 |
SRB-16-12 |
20 |
16 |
77.6 |
53.0 |
26.0 |
12.7 |
35 |
32 |
67.5 |
42.9 |
29.0 |
19.1 |
SRB-20-16 |
22 |
18 |
77.6 |
53.0 |
26.0 |
13.9 |
35 |
32 |
67.5 |
42.9 |
29.0 |
19.1 |
SRB-22-18 |
25 |
20 |
84.3 |
57.4 |
31.2 |
15.1 |
35 |
38 |
72.1 |
45.2 |
33.7 |
19.1 |
SRB-25-20 |
25 |
22 |
84.3 |
57.4 |
31.2 |
17.1 |
35 |
38 |
72.1 |
45.2 |
33.7 |
19.1 |
SRB-25-22 |
32 |
32 |
120.7 |
69.9 |
42.0 |
27.4 |
50 |
50 |
89.9 |
47.7 |
41.6 |
19.1 |
SRB-32 |
38 |
38 |
127.2 |
76.4 |
49.4 |
33.0 |
60 |
60 |
100.1 |
49.3 |
49.6 |
19.1 |
SRB-38 |

T
TUBE
OD |
P
NPT
MALE |
A |
B |
E |
F
A/F |
KAZAF
PART No. |
1/8 |
1/8 |
29.5 |
9.6 |
4.8 |
11 |
2SAM-N |
1/8 |
¼ |
34.8 |
14.4 |
7.1 |
14 |
2-4SAM-N |
¼ |
1/8 |
31.8 |
9.6 |
4.8 |
11 |
4-2SAM-N |
¼ |
¼ |
37.0 |
14.3 |
4.8 |
14 |
4SAM-N |
¼ |
3/8 |
37.8 |
14.3 |
4.8 |
19 |
4-6SAM-N |
¼ |
½ |
43.4 |
19.1 |
4.8 |
22 |
4-8SAM-N |
5/16 |
¼ |
38.1 |
14.3 |
6.3 |
14 |
5-4SAM-N |
3/8 |
¼ |
38.9 |
14.3 |
7.1 |
14 |
6-4SAM-N |
3/8 |
3/8 |
39.6 |
14.3 |
7.1 |
19 |
6SAM-N |
3/8 |
½ |
45.2 |
19.1 |
7.1 |
22 |
6-8SAM-N |
½ |
¼ |
44.5 |
14.3 |
7.1 |
14 |
8-4SAM-N |
½ |
3/8 |
45.2 |
14.3 |
9.9 |
19 |
8-6SAM-N |
½ |
½ |
50.8 |
19.1 |
9.9 |
22 |
8SAM-N |
5/8 |
½ |
52.3 |
19.1 |
11.9 |
22 |
10-8SAM-N |
¾ |
½ |
52.3 |
19.1 |
11.9 |
22 |
12-8SAM-N |
¾ |
¾ |
52.3 |
19.1 |
15.0 |
27 |
12SAM-N |
1 |
¾ |
58.7 |
19.1 |
15.7 |
27 |
16SAM-N |
1 |
1 |
66.0 |
23.8 |
20.3 |
35 |
16-12SAM-N |
1.1/4 |
1.1/4 |
80.3 |
23.8 |
27.6 |
45 |
20SAM-N |
1.1/2 |
1.1/2 |
94.5 |
26.2 |
33.2 |
55 |
24SAM-N |
T
TUBE
OD |
P
NPT
MALE |
A |
B |
E |
F
A/F |
KAZAF
PART No. |
1/8 |
1/8 |
29.5 |
9.6 |
4.8 |
11 |
2SAM-Rx |
1/8 |
¼ |
34.8 |
14.4 |
7.1 |
14 |
2-4SAM-Rx |
¼ |
1/8 |
31.8 |
9.6 |
4.8 |
11 |
4-2SAM-Rx |
¼ |
¼ |
37.0 |
14.3 |
4.8 |
14 |
4SAM-Rx |
¼ |
3/8 |
37.8 |
14.3 |
4.8 |
19 |
4-6SAM-Rx |
¼ |
½ |
43.4 |
19.1 |
4.8 |
22 |
4-8SAM-Rx |
3/8 |
¼ |
38.9 |
14.3 |
7.1 |
14 |
6-4SAM-Rx |
3/8 |
3/8 |
39.6 |
14.3 |
7.1 |
19 |
6SAM-Rx |
3/8 |
½ |
45.2 |
19.1 |
7.1 |
22 |
6-8SAM-Rx |
½ |
¼ |
44.5 |
14.3 |
7.1 |
14 |
8-4SAM-Rx |
½ |
3/8 |
45.2 |
14.3 |
9.9 |
19 |
8-6SAM-Rx |
½ |
½ |
50.8 |
19.1 |
9.9 |
22 |
8SAM-Rx |
¾ |
¾ |
52.3 |
19.1 |
15.0 |
27 |
12SAM-Rx |
1 |
1 |
66.0 |
23.8 |
20.3 |
35 |
16-12SAM-Rx |
1.1/4 |
1.1/4 |
80.3 |
23.8 |
27.6 |
45 |
20SAM-Rx |
1.1/2 |
1.1/2 |
94.5 |
26.2 |
33.2 |
55 |
24SAM-Rx |
T
TUBE
OD |
P
NPT
MALE |
A |
B |
E |
F
A/F |
KAZAF
PART No. |
3 |
¼ |
34.8 |
9.6 |
7.1 |
14 |
SAM3-2N |
6 |
1/8 |
32.8 |
14.3 |
4.6 |
14 |
SAM6-2N |
6 |
¼ |
38.1 |
14.3 |
4.6 |
14 |
SAM6-4N |
8 |
¼ |
39.1 |
14.3 |
6.2 |
14 |
SAM8-4N |
10 |
¼ |
39.9 |
14.3 |
7.7 |
14 |
SAM10-4N |
10 |
3/8 |
40.6 |
14.3 |
7.7 |
19 |
SAM10-6N |
12 |
¼ |
46.5 |
14.3 |
7.1 |
14 |
SAM12-4N |
12 |
3/8 |
46.5 |
14.3 |
9.1 |
19 |
SAM12-6N |
12 |
½ |
52.0 |
14.3 |
9.1 |
22 |
SAM12-8N |
25 |
¾ |
62.0 |
19.1 |
15.7 |
27 |
SAM25-12N |
25 |
1 |
66.8 |
23.8 |
15.7 |
35 |
SAM25-16N |
30 |
1 |
79.2 |
23.8 |
22.2 |
41 |
SAM30-16N |
30 |
1.1/4 |
80.0 |
23.8 |
24.6 |
45 |
SAM30-20N |
32 |
1.1/4 |
81.0 |
23.8 |
27.4 |
46 |
SAM32-20N |
38 |
1.1/2 |
92.2 |
26.2 |
33.3 |
55 |
SAM38-24N |
T
TUBE
OD |
P
NPT
MALE |
A |
B |
E |
F
A/F |
KAZAF
PART No. |
3 |
¼ |
34.8 |
9.6 |
7.1 |
14 |
SAM 3-2Rx |
6 |
1/8 |
32.8 |
14.3 |
4.6 |
14 |
SAM 6-2Rx |
6 |
¼ |
38.1 |
14.3 |
4.6 |
14 |
SAM 6-4Rx |
8 |
¼ |
39.1 |
14.3 |
6.2 |
14 |
SAM 8-4Rx |
10 |
¼ |
39.9 |
14.3 |
7.7 |
14 |
SAM 10-4Rx |
10 |
3/8 |
40.6 |
14.3 |
7.7 |
19 |
SAM 10-6Rx |
12 |
¼ |
46.5 |
14.3 |
7.1 |
14 |
SAM 12-4Rx |
12 |
3/8 |
46.5 |
14.3 |
9.1 |
19 |
SAM 12-6Rx |
12 |
½ |
52.0 |
14.3 |
9.1 |
22 |
SAM 12-8Rx |
25 |
¾ |
62.0 |
19.1 |
15.7 |
27 |
SAM 25-12Rx |
25 |
1 |
66.8 |
23.8 |
15.7 |
35 |
SAM 25-16Rx |
30 |
1 |
79.2 |
23.8 |
22.2 |
41 |
SAM 30-16Rx |
30 |
1.1/4 |
80.0 |
23.8 |
24.6 |
45 |
SAM 30-20Rx |
32 |
1.1/4 |
81.0 |
23.8 |
27.4 |
46 |
SAM32-20Rx |
38 |
1.1/2 |
92.2 |
26.2 |
33.3 |
55 |
SAM 38-24Rx |

T
TUBE
OD |
P
ISO
MALE |
A |
B |
E |
F
A/F |
Fd |
KAZAF
PART No. |
1/8 |
1/8 |
31.0 |
7.1 |
2.4 |
14 |
13.7 |
2SAM-Rs |
1/8 |
¼ |
35.8 |
11.2 |
2.4 |
19 |
17.8 |
2-4SAM-Rs |
¼ |
1/8 |
33.3 |
7.1 |
4.0 |
14 |
13.7 |
4-2SAM-Rs |
¼ |
¼ |
38.1 |
11.2 |
4.8 |
19 |
17.8 |
4SAM-Rs |
3/8 |
¼ |
39.9 |
11.2 |
5.8 |
19 |
17.8 |
6-4SAM-Rs |
3/8 |
3/8 |
40.6 |
11.2 |
7.1 |
22 |
21.6 |
6SAM-Rs |
½ |
¼ |
45.5 |
11.2 |
5.8 |
19 |
17.8 |
8-4SAM-Rs |
½ |
3/8 |
46.3 |
11.2 |
7.9 |
22 |
21.6 |
8-6SAM-Rs |
½ |
½ |
49.3 |
14.2 |
9.9 |
27 |
26.0 |
8SAM-Rs |
¾ |
¾ |
54.9 |
15.7 |
15.0 |
32 |
31.8 |
12SAM-Rs |
1 |
1 |
64.5 |
18.2 |
19.8 |
41 |
38.8 |
16-12SAM-Rs |
1.1/4 |
1.1/4 |
79.5 |
19.8 |
27.4 |
50 |
49.0 |
20SAM-Rs |
1.1/2 |
1.1/2 |
93.7 |
22.1 |
33.3 |
55 |
54.7 |
24 SAM-Rs |
T
TUBE
OD |
P
ISO
MALE |
A |
B |
E |
F
A/F |
Fd |
KAZAF
PART No. |
3 |
1/8 |
31.0 |
7.1 |
2.4 |
14 |
13.7 |
SAM3-2Rs |
3 |
¼ |
35.8 |
11.2 |
22.0 |
19 |
17.8 |
SAM3-4Rs |
6 |
1/8 |
34.3 |
7.1 |
4.0 |
14 |
13.7 |
SAM6-2Rs |
6 |
¼ |
39.1 |
11.2 |
4.6 |
19 |
17.8 |
SAM6-4Rs |
8 |
¼ |
40.1 |
11.2 |
5.8 |
19 |
17.8 |
SAM8-4Rs |
10 |
¼ |
40.9 |
11.2 |
5.8 |
19 |
17.8 |
SAM10-4Rs |
10 |
3/8 |
41.7 |
11.2 |
7.7 |
22 |
21.7 |
SAM10-6Rs |
10 |
½ |
44.7 |
14.2 |
7.7 |
27 |
25.9 |
SAM10-8Rs |
12 |
¼ |
46.7 |
11.2 |
5.8 |
19 |
17.8 |
SAM12-4Rs |
12 |
3/8 |
47.2 |
11.2 |
7.9 |
22 |
21.7 |
SAM12-6Rs |
12 |
½ |
50.5 |
14.2 |
9.1 |
27 |
25.9 |
SAM12-8Rs |
16 |
½ |
50.5 |
14.2 |
12.7 |
27 |
25.9 |
SAM16-8Rs |
22 |
¾ |
55.2 |
15.7 |
15.8 |
35 |
32.0 |
SAM22-12Rs |
22 |
1 |
64.5 |
18.3 |
19.8 |
41 |
39.0 |
SAM22-16Rs |
25 |
1.1/4 |
79.5 |
19.8 |
27.4 |
50 |
49.0 |
SAM22-20Rs |
25 |
1.1/2 |
93.7 |
22.1 |
33.3 |
55 |
54.7 |
SAM22-24Rs |

T
TUBE
OD |
S
Straight
MALE |
A |
B |
E |
F
A/F |
Fd |
O RING
PART No. |
KAZAF
PART No. |
1/8 |
5/16 - 24 |
32.5 |
8.6 |
2.4 |
14 |
13.8 |
2 OPU |
2SAO-U |
¼ |
7/16 - 24 |
39.2 |
10.4 |
4.8 |
19 |
18.8 |
4 OPU |
4SAO-U |
5/16 |
½ - 24 |
41.7 |
11.2 |
6.3 |
22 |
21.8 |
5 OPU |
5SAO-U |
5/16 |
9/16 - 24 |
43.2 |
12.0 |
7.1 |
24 |
23.6 |
6 OPU |
6SAO-U |
½ |
¾ - 24 |
49.5 |
12.0 |
9.9 |
27 |
26.8 |
8 OPU |
8SAO-U |
¾ |
11/16 - 12 |
55.0 |
14.3 |
15.0 |
38 |
37.8 |
12 OPU |
12SAO-U |
1 |
15/16 - 12 |
62.5 |
14.3 |
19.8 |
45 |
44.0 |
16 OPU |
16SAO-U |
1.1/4 |
15/8 - 12 |
79.5 |
18.3 |
27.4 |
55 |
54.0 |
20 OPU |
20SAO-U |
1.1/2 |
17/8 - 12 |
92.2 |
19.8 |
33.3 |
60 |
58.0 |
24 OPU |
24SAO-U |
 
T
TUBE
OD |
P
NPT
FEMALE |
A |
B |
E |
F
A/F |
KAZAF
PART No. |
1/8 |
1/8 |
31.5 |
10.4 |
2.4 |
14 |
2SAF-N |
1/8 |
¼ |
35.3 |
15.0 |
2.4 |
19 |
2-4SAF-N |
¼ |
1/8 |
33.0 |
10.4 |
4.8 |
14 |
4-2SAF-N |
¼ |
¼ |
37.0 |
15.0 |
4.8 |
19 |
4SAF-N |
¼ |
3/8 |
39.4 |
15.0 |
4.8 |
22 |
4-6SAF-N |
¼ |
½ |
45.5 |
19.8 |
4.8 |
27 |
4-8SAF-N |
5/16 |
¼ |
37.6 |
15.0 |
6.3 |
19 |
5-4SAF-N |
3/8 |
¼ |
38.1 |
15.0 |
7.1 |
19 |
6-4SAF-N |
3/8 |
3/8 |
40.4 |
15.0 |
7.1 |
22 |
6SAF-N |
3/8 |
½ |
46.7 |
19.8 |
7.1 |
27 |
6-8SAF-N |
½ |
¼ |
43.5 |
15.0 |
9.9 |
19 |
8-4SAF-N |
½ |
3/8 |
45.5 |
15.0 |
9.9 |
22 |
8-6SAF-N |
½ |
½ |
51.8 |
19.8 |
9.9 |
27 |
8SAF-N |
5/8 |
½ |
53.0 |
19.8 |
12.7 |
27 |
10-8SAF-N |
¾ |
½ |
52.8 |
19.8 |
15.0 |
27 |
12-8SAF-N |
¾ |
¾ |
52.8 |
20.6 |
15.0 |
32 |
12SAF-N |
¾ |
1 |
58.4 |
25.4 |
15.0 |
41 |
12-16SAF-N |
1 |
¾ |
60.7 |
20.6 |
20.3 |
32 |
16SAF-N |
1 |
1 |
64.3 |
25.4 |
20.3 |
41 |
16-12SAF-N |
1.1/4 |
1.1/4 |
77.7 |
25.4 |
27.6 |
55 |
20SAF-N |
1.1/2 |
1.1/2 |
88.9 |
27.6 |
33.2 |
60 |
24SAF-N |
T
TUBE
OD |
P
ISO
FEMALE |
A |
B |
E |
F
A/F |
KAZAF
PART No. |
¼ |
3/8 |
39.4 |
15.0 |
4.8 |
22 |
4-6SAF-Rx |
¼ |
½ |
45.5 |
19.8 |
4.8 |
27 |
4-8SAF-Rx |
3/8 |
¼ |
38.1 |
15.0 |
7.1 |
19 |
6-4SAF-Rx |
3/8 |
3/8 |
40.4 |
15.0 |
7.1 |
22 |
6SAF-Rx |
½ |
¼ |
43.5 |
15.0 |
9.9 |
19 |
8-4SAF-Rx |
½ |
3/8 |
45.5 |
15.0 |
9.9 |
22 |
8-6SAF-Rx |
½ |
½ |
51.8 |
19.8 |
9.9 |
27 |
8SAF-Rx |
¾ |
¾ |
52.8 |
20.6 |
15.0 |
32 |
12SAF-Rx |
1 |
¾ |
60.7 |
20.6 |
20.3 |
32 |
16SAF-Rx |
1 |
1 |
64.3 |
25.4 |
20.3 |
41 |
16-12SAF-Rx |
1.1/4 |
1.1/4 |
77.7 |
25.4 |
27.6 |
55 |
20SAF-Rx |
1.1/2 |
1.1/2 |
88.9 |
27.6 |
33.2 |
60 |
24SAF-RX |
T
TUBE
OD |
P
NPT
FEMALE |
A |
B |
E |
F
A/F |
KAZAF
PART No. |
3 |
¼ |
31.7 |
15.0 |
2.4 |
14 |
SAF3-4N |
6 |
1/8 |
32.5 |
9.9 |
4.6 |
14 |
SAF6-2N |
6 |
¼ |
37.1 |
15.0 |
4.6 |
19 |
SAF6-4N |
8 |
¼ |
37.6 |
15.0 |
6.4 |
19 |
SAF8-4N |
10 |
¼ |
38.1 |
15.0 |
7.7 |
19 |
SAF10-4N |
10 |
3/8 |
40.1 |
15.0 |
7.7 |
22 |
SAF10-6N |
10 |
½ |
46.5 |
19.8 |
7.7 |
27 |
SAF10-8N |
12 |
¼ |
43.7 |
15.0 |
9.1 |
19 |
SAF12-4N |
12 |
½ |
52.3 |
19.8 |
9.1 |
27 |
SAF12-8N |
16 |
½ |
47.7 |
19.8 |
9.1 |
27 |
SAF16-8N |
22 |
¾ |
52.0 |
20.6 |
15.0 |
35 |
SAF22-12N |
25 |
¾ |
51.2 |
20.6 |
15.0 |
35 |
SAF25-12N |
25 |
1 |
66.5 |
25.4 |
19.8 |
41 |
SAF25-16N |
32 |
1.1/4 |
78.0 |
25.4 |
27.4 |
55 |
SAF32-20N |
38 |
1.1/2 |
88.9 |
27.6 |
33.3 |
60 |
SAF38-24N |
T
TUBE
OD |
P
ISO
FEMALE |
A |
B |
E |
F
A/F |
KAZAF
PART No. |
6 |
1/8 |
32.5 |
9.9 |
4.6 |
14 |
SAF6-2Rx |
6 |
¼ |
37.1 |
15.0 |
4.6 |
19 |
SAF6-4Rx |
8 |
¼ |
37.6 |
15.0 |
6.4 |
19 |
SAF8-4Rx |
10 |
¼ |
38.1 |
15.0 |
7.7 |
19 |
SAF10-4Rx |
10 |
3/8 |
40.1 |
15.0 |
7.7 |
22 |
SAF10-6Rx |
12 |
¼ |
43.7 |
15.0 |
9.1 |
19 |
SAF12-4Rx |
12 |
½ |
52.3 |
19.8 |
9.1 |
27 |
SAF12-8Rx |
16 |
½ |
47.7 |
19.8 |
9.1 |
27 |
SAF16-8Rx |
22 |
¾ |
52.0 |
20.6 |
15.0 |
35 |
SAF22-12Rx |
25 |
¾ |
51.2 |
20.6 |
15.0 |
35 |
SAF25-12Rx |
25 |
1 |
66.5 |
25.4 |
19.8 |
41 |
SAF25-16Rx |
32 |
1.1/4 |
78.0 |
25.4 |
27.4 |
55 |
SAF32-20Rx |
38 |
1.1/2 |
88.9 |
27.6 |
33.3 |
60 |
SAF38-24RX |

P
NPT
MALE |
A |
B |
E |
F
A/F |
KAZAF
PART No. |
1/16” |
25.7 |
9.6 |
3.0 |
8 |
1HN |
1/8” |
25.7 |
9.6 |
4.8 |
11 |
2HN |
¼” |
35.6 |
14.3 |
7.1 |
14 |
4HN |
3/8” |
36.3 |
14.3 |
9.6 |
19 |
6HN |
½” |
46.7 |
19.1 |
11.9 |
22 |
8HN |
¾” |
46.7 |
19.1 |
15.8 |
27 |
12HN |
1” |
58.9 |
23.8 |
22.3 |
35 |
16HN |

P
NPT
MALE |
P1
NPT
MALE |
A |
B |
B1 |
E |
F
A/F |
KAZAF
PART No. |
1/8” |
1/16” |
25.7 |
9.6 |
9.6 |
3.0 |
11 |
2 - 1 HRN |
¼” |
1/8” |
31.0 |
14.3 |
9.6 |
4.8 |
14 |
4 - 2 HRN |
3/8” |
1/8” |
31.8 |
14.3 |
9.6 |
4.8 |
19 |
6 - 2 HRN |
3/8” |
¼” |
36.3 |
14.3 |
14.3 |
7.1 |
19 |
6 - 4 HRN |
½” |
1/8” |
37.4 |
19.1 |
9.6 |
4.8 |
22 |
8 - 2 HRN |
½” |
¼” |
41.9 |
19.1 |
14.3 |
7.1 |
22 |
8 - 4 HRN |
½” |
3/8” |
41.9 |
19.1 |
14.3 |
9.6 |
22 |
8 - 6 HRN |
¾” |
¼” |
41.9 |
19.1 |
14.3 |
7.1 |
27 |
12 - 4 HRN |
¾” |
½” |
46.7 |
19.1 |
19.1 |
11.9 |
27 |
12 - 8 HRN |
1” |
½” |
54.1 |
23.8 |
19.1 |
11.9 |
35 |
16 - 8 HRN |
1” |
¾” |
54.1 |
23.8 |
19.1 |
15.8 |
35 |
16 -12 HRN |

P
NPT
MALE |
P1
ISO
MALE |
A |
B |
E |
F
A/F |
KAZAF
PART No. |
1/16” |
1/16” |
25.7 |
9.6 |
3.0 |
8 |
1HN-Rx |
1/8” |
1/8” |
25.7 |
9.6 |
4.8 |
11 |
2HN-Rx |
¼” |
¼” |
35.6 |
14.3 |
7.1 |
14 |
4HN-Rx |
3/8” |
3/8” |
36.3 |
14.3 |
9.6 |
19 |
6HN-Rx |
½” |
½” |
46.7 |
19.1 |
11.9 |
22 |
8HN-Rx |
¾” |
¾” |
46.7 |
19.1 |
15.8 |
27 |
12HN-Rx |
1” |
1” |
58.9 |
23.8 |
22.3 |
35 |
16HN-Rx |

P
NPT
MALE |
P1
ISO
MALE |
A |
B |
B1 |
E |
F
A/F |
Fd |
KAZAF
PART No. |
1/8” |
1/8” |
24.4 |
9.6 |
7.1 |
4.8 |
14 |
13.7 |
2HN-Rp |
¼” |
¼” |
34.2 |
14.3 |
11.2 |
7.1 |
19 |
18.0 |
4HN-Rp |
3/8” |
3/8” |
35.4 |
14.3 |
11.2 |
9.6 |
22 |
21.8 |
6HN-Rp |
½” |
½” |
46.3 |
19.1 |
14.2 |
11.9 |
27 |
26.0 |
8HN-Rp |
¾” |
¾” |
50.0 |
19.1 |
15.7 |
15.8 |
35 |
32.0 |
12HN-Rp |
1” |
1” |
57.4 |
23.8 |
18.3 |
22.3 |
41 |
39.0 |
16HN—Rp |

P
NPT
FEMALE |
P1
NPT
MALE |
A |
B |
E |
F
A/F |
KAZAF
PART No. |
1/8” |
1/8” |
28.0 |
9.6 |
4.8 |
14 |
2- A |
¼” |
¼” |
35.6 |
14.3 |
7.1 |
19 |
4- A |
3/8” |
3/8” |
37.9 |
14.3 |
9.6 |
22 |
6- A |
½” |
½” |
49.3 |
19.1 |
11.9 |
27 |
8- A |
¾” |
¾” |
50.8 |
19.1 |
15.8 |
32 |
12- A |
1” |
1” |
57.9 |
23.8 |
22.3 |
41 |
16- A |

P
NPT
MALE |
P1
NPT
MALE |
A |
B |
B1 |
E |
F
A/F |
KAZAF
PART No. |
1/8” |
1/16” |
27.7 |
9.6 |
9.6 |
3.0 |
14 |
2 - 1 RA |
¼” |
1/8” |
32.0 |
14.3 |
9.6 |
4.8 |
19 |
4 - 2 RA |
3/8” |
1/8” |
33.8 |
14.3 |
9.6 |
4.8 |
22 |
6 - 2 RA |
3/8” |
¼” |
38.1 |
14.3 |
14.3 |
7.1 |
22 |
6 - 4 RA |
½” |
1/8” |
40.2 |
19.1 |
9.6 |
4.8 |
27 |
8 -2 RA |
½” |
¼” |
44.7 |
19.1 |
14.3 |
7.1 |
27 |
8 - 4 RA |
½” |
3/8” |
44.5 |
19.1 |
14.3 |
9.6 |
27 |
8 - 6 RA |
¾” |
¼” |
46.3 |
19.1 |
14.3 |
7.1 |
32 |
12 - 4 RA |
¾” |
3/8” |
46.3 |
19.1 |
14.3 |
9.6 |
32 |
12 - 6 RA |
¾” |
½” |
51.3 |
19.1 |
19.1 |
11.9 |
32 |
12 - 8 RA |
1” |
¼” |
49.8 |
23.8 |
14.3 |
7.1 |
41 |
16 - 4 RA |
1” |
½” |
54.9 |
23.8 |
19.1 |
11.9 |
41 |
16 - 8 RA |
1” |
¾” |
55.2 |
23.8 |
19.1 |
15.8 |
41 |
16 -1 2 RA |

P
NPT
FEMALE |
P1
ISO
MALE |
A |
B |
B1 |
E |
F
A/F |
Fd |
KAZAF
PART No. |
1/8” |
1/8” |
29.4 |
9.6 |
7.1 |
4.8 |
14 |
13.7 |
2 AF-N-Rp |
¼” |
¼” |
36.5 |
14.3 |
11.2 |
7.1 |
19 |
18.0 |
4 AF-N-Rp |
3/8” |
3/8” |
38.9 |
14.3 |
11.2 |
9.6 |
22 |
21.8 |
6 AF-N-Rp |
½” |
½” |
47.6 |
19.1 |
14.2 |
11.9 |
27 |
26.0 |
8 AF-N-Rp |
¾” |
¾” |
47.6 |
19.1 |
15.7 |
15.8 |
35 |
32.0 |
12 AF-N-Rp |
1” |
1” |
54 |
23.8 |
18.3 |
22.3 |
41 |
39.0 |
16 AF-N-Rp |

P
NPT
MALE |
P1
NPT
FEMALE |
A |
B |
B1 |
E |
F
A/F |
KAZAF
PART No. |
1/8” |
1/16” |
26.2 |
9.6 |
9.6 |
4.8 |
11 |
2- 1 RB |
¼” |
1/8” |
26.9 |
14.3 |
9.6 |
7.1 |
14 |
4- 2 RB |
3/8” |
1/8” |
21.8 |
14.3 |
9.6 |
8.6 |
19 |
6- 2 RB |
3/8” |
¼” |
30.3 |
14.3 |
14.3 |
9.6 |
19 |
6- 4 RB |
½” |
1/8” |
27.4 |
19.1 |
9.6 |
8.6 |
22 |
8- 2 RB |
½” |
¼” |
27.4 |
19.1 |
14.3 |
11.4 |
22 |
8- 4 RB |
½” |
3/8” |
35.8 |
19.1 |
14.3 |
11.9 |
22 |
8- 6 RB |
¾” |
¼” |
27.4 |
19.1 |
14.3 |
11.4 |
27 |
12- 4 RB |
¾” |
3/8” |
27.4 |
19.1 |
14.3 |
15.0 |
27 |
12- 6 RB |
¾” |
½” |
41.4 |
19.1 |
19.1 |
15.8 |
27 |
12- 8 RB |
1” |
¼” |
34.8 |
23.8 |
14.3 |
11.4 |
35 |
16- 4 RB |
1” |
3/8” |
34.8 |
23.8 |
14.3 |
15.0 |
35 |
16- 6 RB |
1” |
½” |
34.8 |
23.8 |
19.1 |
18.5 |
35 |
16- 8 RB |
1” |
¾” |
47.0 |
23.8 |
19.1 |
22.3 |
35 |
16- 12 RB |

P
NPT
FEMALE |
A |
B |
E |
F
A/F |
KAZAF
PART No. |
1/8” |
20.6 |
9.6 |
8.6 |
14 |
2HCG |
¼” |
30.3 |
14.3 |
11.4 |
19 |
4HCG |
3/8” |
33.3 |
14.3 |
15.0 |
22 |
6HCG |
½” |
39.6 |
19.1 |
18.5 |
27 |
8HCG |
¾” |
41.2 |
19.1 |
23.9 |
32 |
12HCG |
1” |
50.8 |
23.8 |
29.7 |
41 |
16HCG |

P
NPT
FEMALE |
P1
NPT
FEMALE |
A |
B |
B1 |
E |
F
A/F |
KAZAF
PART No. |
¼” |
1/8” |
31.0 |
14.3 |
9.6 |
8.6 |
19 |
4- 2 HRCG |
3/8” |
¼” |
35.0 |
14.3 |
14.3 |
11.4 |
22 |
6- 4 HRCG |
½” |
1/8” |
39.6 |
19.1 |
9.6 |
8.6 |
27 |
8- 2 HRCG |
½” |
¼” |
44.5 |
19.1 |
14.3 |
11.4 |
27 |
8- 4 HRCG |
½” |
3/8” |
45.2 |
19.1 |
14.3 |
15.0 |
27 |
8- 6 HRCG |
¾” |
¼” |
46.0 |
19.1 |
14.3 |
11.4 |
32 |
12- 4 HRCG |
¾” |
½” |
52.3 |
19.1 |
19.1 |
18.5 |
32 |
12- 8 HRCG |
1” |
½” |
55.6 |
23.8 |
19.1 |
18.5 |
41 |
16- 8 HRCG |
1” |
¾” |
57.2 |
23.8 |
19.1 |
23.8 |
41 |
16- 12 HRCG |

P
NPT
FEMALE |
A |
B |
F
A/F |
KAZAF
PART No. |
1/8” |
19.0 |
9.6 |
14 |
2CP |
¼” |
23.2 |
14.3 |
19 |
4CP |
3/8” |
26.2 |
14.3 |
22 |
6CP |
½” |
34.0 |
19.1 |
27 |
8CP |
¾” |
36.6 |
19.1 |
32 |
12CP |
1” |
41.2 |
23.8 |
41 |
16CP |
P
NPT
MALE |
B |
E |
F
WRENCH
FLAT |
S |
KAZAF
PART No. |
1/8” |
9.6 |
4.8 |
11 |
22.3 |
2ME |
¼” |
14.3 |
7.1 |
14 |
26.7 |
4ME |
3/8” |
14.3 |
9.6 |
19 |
29.7 |
6ME |
½” |
19.1 |
11.9 |
22 |
36.8 |
8ME |
¾” |
19.1 |
15.8 |
27 |
38.9 |
12ME |
1” |
23.8 |
22.3 |
35 |
45.2 |
16ME |

P
NPT MALE & FEMALE |
B |
E |
F
WRENCH FLAT |
L |
S |
KAZAF PART No. |
1/8” |
9.6 |
4.8 |
14 |
26.4 |
22.3 |
2 ES |
¼” |
14.3 |
7.1 |
19 |
29.7 |
26.7 |
4 ES |
3/8” |
14.3 |
9.6 |
22 |
36.0 |
29.7 |
6 ES |
½” |
19.1 |
11.9 |
27 |
39.6 |
36.8 |
8 ES |
¾” |
19.1 |
15.8 |
32 |
48.8 |
38.9 |
12 ES |
1” |
23.8 |
22.3 |
35 |
48.5 |
45.2 |
16 ES |
MALE TEE

P
NPT MALE |
A |
B |
E |
F
WRENCH
FLAT |
S |
KAZAF PART No. |
1/8” |
44.6 |
9.6 |
4.8 |
11 |
22.3 |
2 MT |
¼” |
53.4 |
14.3 |
7.1 |
14 |
26.7 |
4 MT |
3/8” |
59.4 |
14.3 |
9.6 |
19 |
29.7 |
6 MT |
½” |
73.6 |
19.1 |
11.9 |
22 |
36.8 |
8 MT |
¾” |
77.8 |
19.1 |
15.8 |
27 |
38.9 |
12 MT |
1” |
90.4 |
23.8 |
22.3 |
35 |
45.2 |
16 MT |

P
NPT
FEMALE |
A |
B |
E |
F
WRENCH
FLAT |
L |
KAZAF
PART No. |
1/8” |
52.8 |
9.6 |
8.6 |
14 |
26.4 |
2FT |
¼” |
59.4 |
14.3 |
11.4 |
19 |
29.7 |
4FT |
3/8” |
72.0 |
14.3 |
15.0 |
22 |
36.0 |
6FT |
½” |
79.2 |
19.1 |
18.5 |
27 |
39.6 |
8FT |
¾” |
97.6 |
19.1 |
23.9 |
32 |
48.8 |
12FT |
1” |
97.0 |
23.8 |
29.7 |
41 |
48.5 |
16FT |
STREET TEE

P
NPT FEMALE |
A |
B |
E |
F
WRENCH FLAT |
L |
S |
KAZAF PART No. |
1/8” |
48.7 |
9.6 |
8.6 |
14 |
26.4 |
22.3 |
2TS |
¼” |
56.4 |
14.3 |
11.4 |
19 |
29.7 |
26.7 |
4TS |
3/8” |
65.7 |
14.3 |
15.0 |
22 |
36.0 |
29.7 |
6TS |
½” |
76.4 |
19.1 |
18.5 |
27 |
39.6 |
36.8 |
8TS |
¾” |
87.7 |
19.1 |
23.9 |
32 |
48.8 |
38.9 |
12TS |
1” |
93.7 |
23.8 |
29.7 |
41 |
48.5 |
45.2 |
16TS |

P
NPT FEMALE |
A |
B |
E |
F
WRENCH FLAT |
L |
S |
KAZAF
PART No. |
1/8” |
52.8 |
9.6 |
8.6 |
14 |
26.4 |
22.3 |
2TB |
¼” |
59.4 |
14.3 |
11.4 |
19 |
29.7 |
26.7 |
4TB |
3/8” |
72.0 |
14.3 |
15.0 |
22 |
36.0 |
29.7 |
6TB |
½” |
79.2 |
19.1 |
18.5 |
27 |
39.6 |
36.8 |
8TB |
¾” |
97.6 |
19.1 |
23.9 |
32 |
48.8 |
38.9 |
12TB |
1” |
97.0 |
23.8 |
29.7 |
41 |
48.5 |
45.2 |
16TB |
CROSS
P
NPT FEMALE |
A |
B |
E |
F
WRENCH FLAT |
L |
KAZAF PART No. |
1/8” |
52.8 |
9.6 |
8.6 |
14 |
26.4 |
2 FK |
¼” |
59.4 |
14.3 |
11.4 |
19 |
29.7 |
4 FK |
3/8” |
72.0 |
14.3 |
15.0 |
22 |
36.0 |
6 FK |
½” |
79.2 |
19.1 |
18.5 |
27 |
39.6 |
8 FK |
¾” |
97.6 |
19.1 |
23.9 |
32 |
48.8 |
12 FK |
1” |
97.0 |
23.8 |
29.7 |
41 |
48.5 |
16 FK |
|
|